GM Service Manual Online
For 1990-2009 cars only
Makes
🢒
Chevrolet
🢒
1998
🢒
Blazer - 2WD
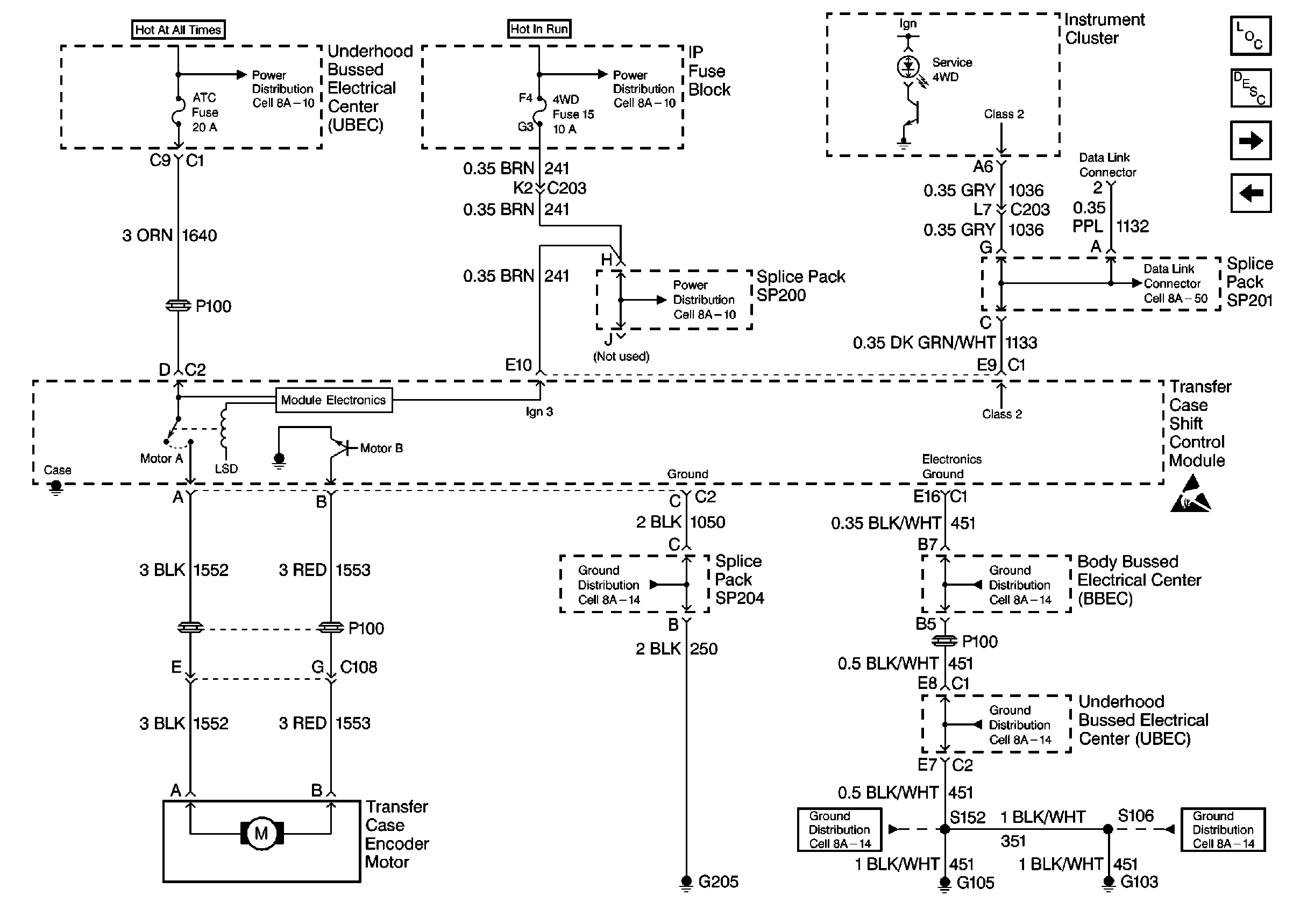
🢒 Cell 38: Power, Ground, Motor Controls and Data Link
Cell 38: Power, Ground, Motor Controls and Data Link
Cell 38: Power, Ground, Motor Controls and Data Link
Transfer Case Control Component Views
Transfer Case Circuit Description
Cell 38: Transfer Case Vehicle Speed Sensors