GM Service Manual Online
For 1990-2009 cars only
Makes
🢒
Chevrolet
🢒
1999
🢒
Blazer - 2WD
🢒
Body and Accessories
🢒
Seats
🢒 Power Seats Schematics
Figure
1:
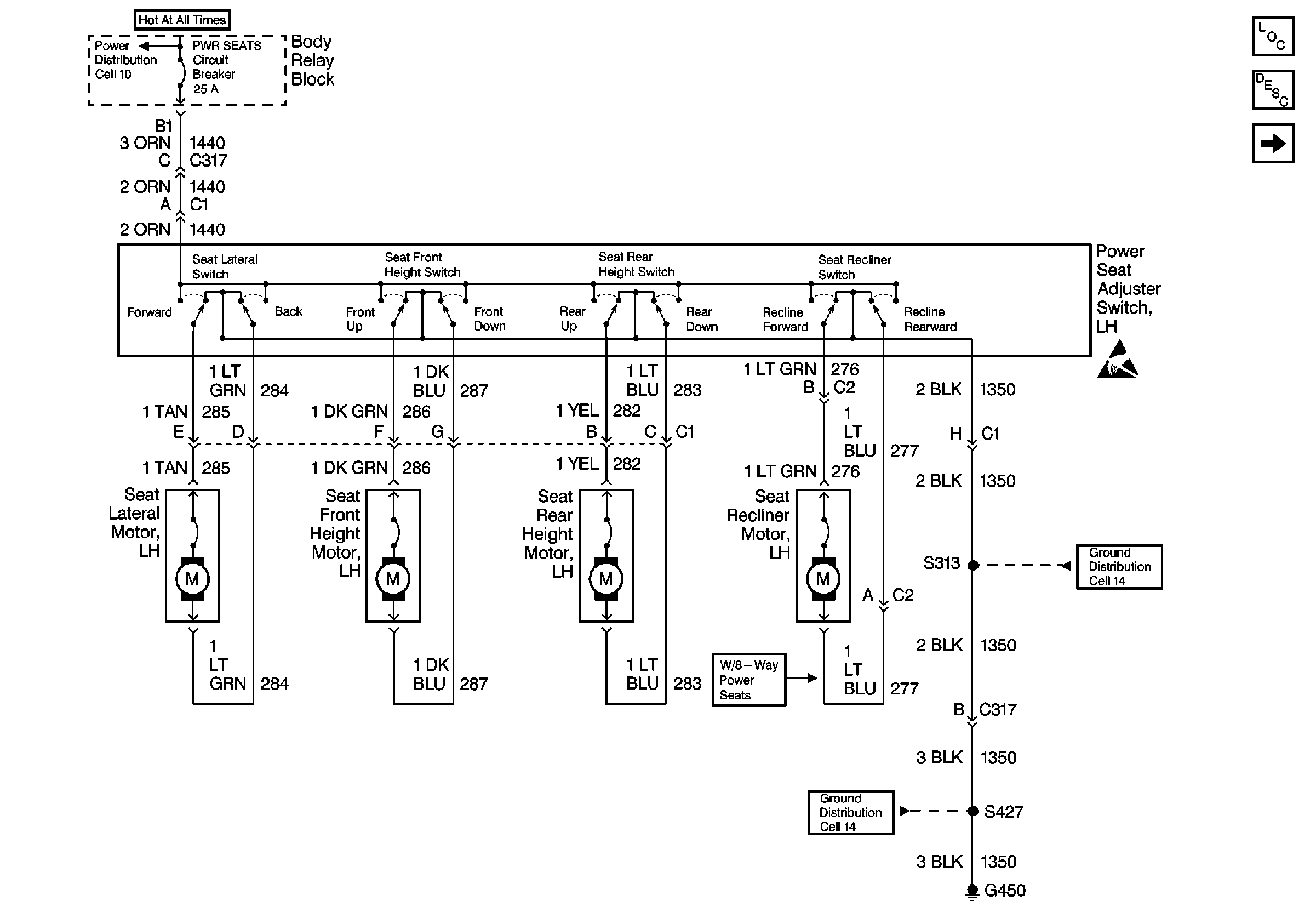
Cell 140: LH Power Seat
Cell 10: Power Seats, Power Windows Circuit Breakers and RAP Relays
Cell 14: S313 and S419
Cell 14: G420 and G450 (Utility w/ Endgate)
Power Seat Systems Components
Power Seats Circuit Description
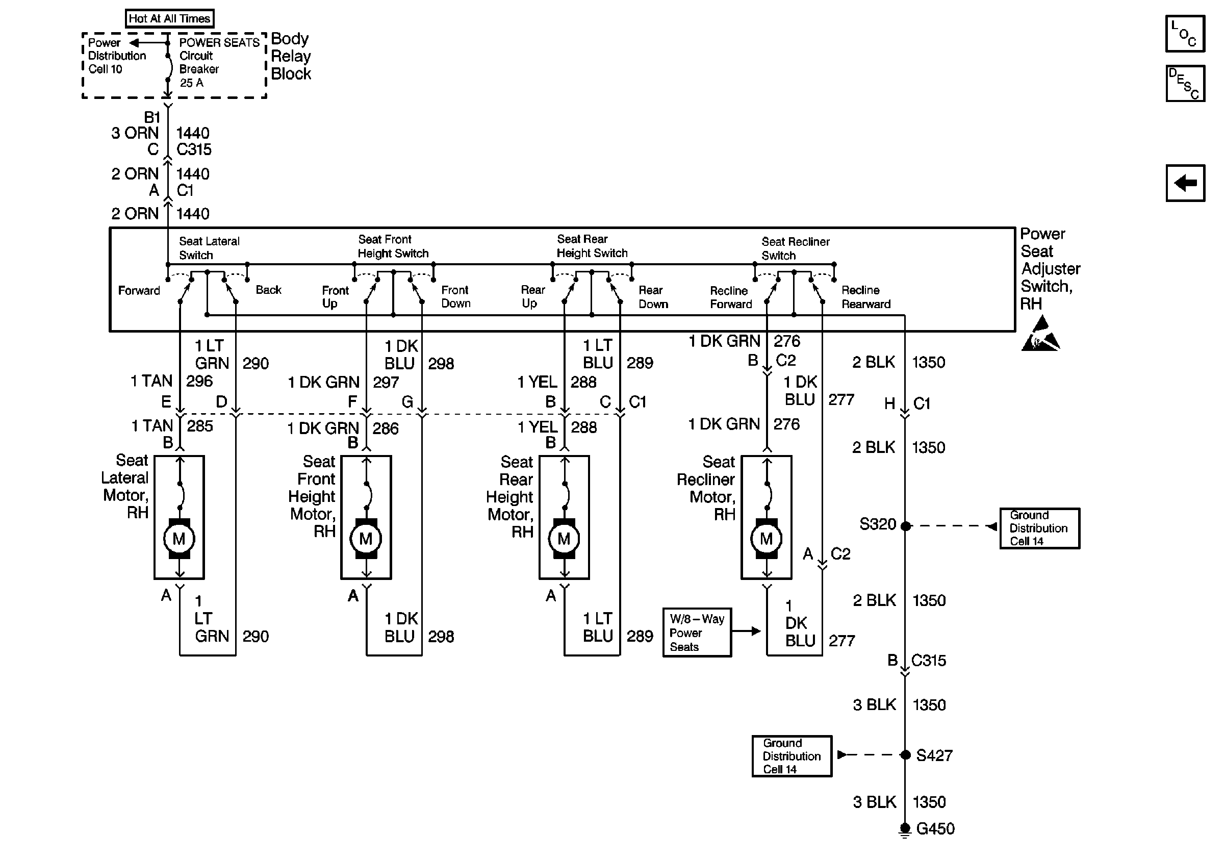
Cell 140: RH Power Seat
Figure
2:
Cell 140: RH Power Seat
Cell 10: Power Seats, Power Windows Circuit Breakers and RAP Relays
Cell 14: G420 and G450 (Utility w/ Endgate)
Cell 14: S320 and S420
Power Seat Systems Components
Power Seats Circuit Description
Cell 140: LH Power Seat