GM Service Manual Online
For 1990-2009 cars only
Makes
🢒
Chevrolet
🢒
1999
🢒
Blazer - 2WD
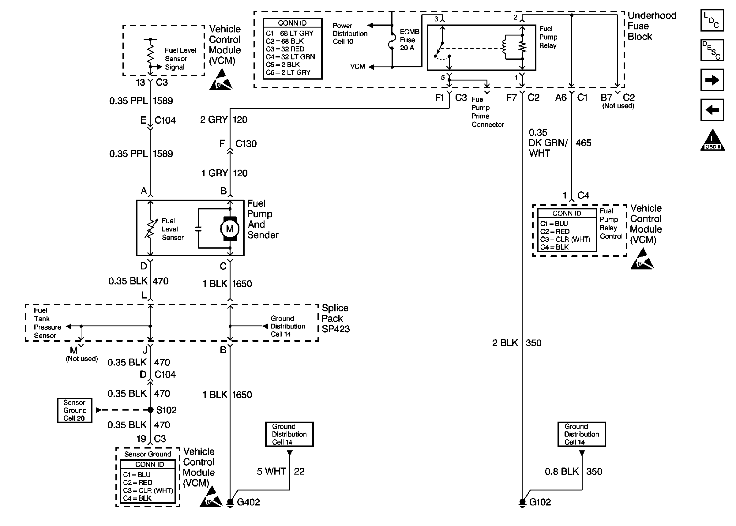
🢒 Cell 20: Fuel Level Sensor
Cell 20: Fuel Level Sensor
Cell 20: Fuel Level Sensor