GM Service Manual Online
For 1990-2009 cars only
Makes
🢒
Chevrolet
🢒
2000
🢒
Blazer - 2WD
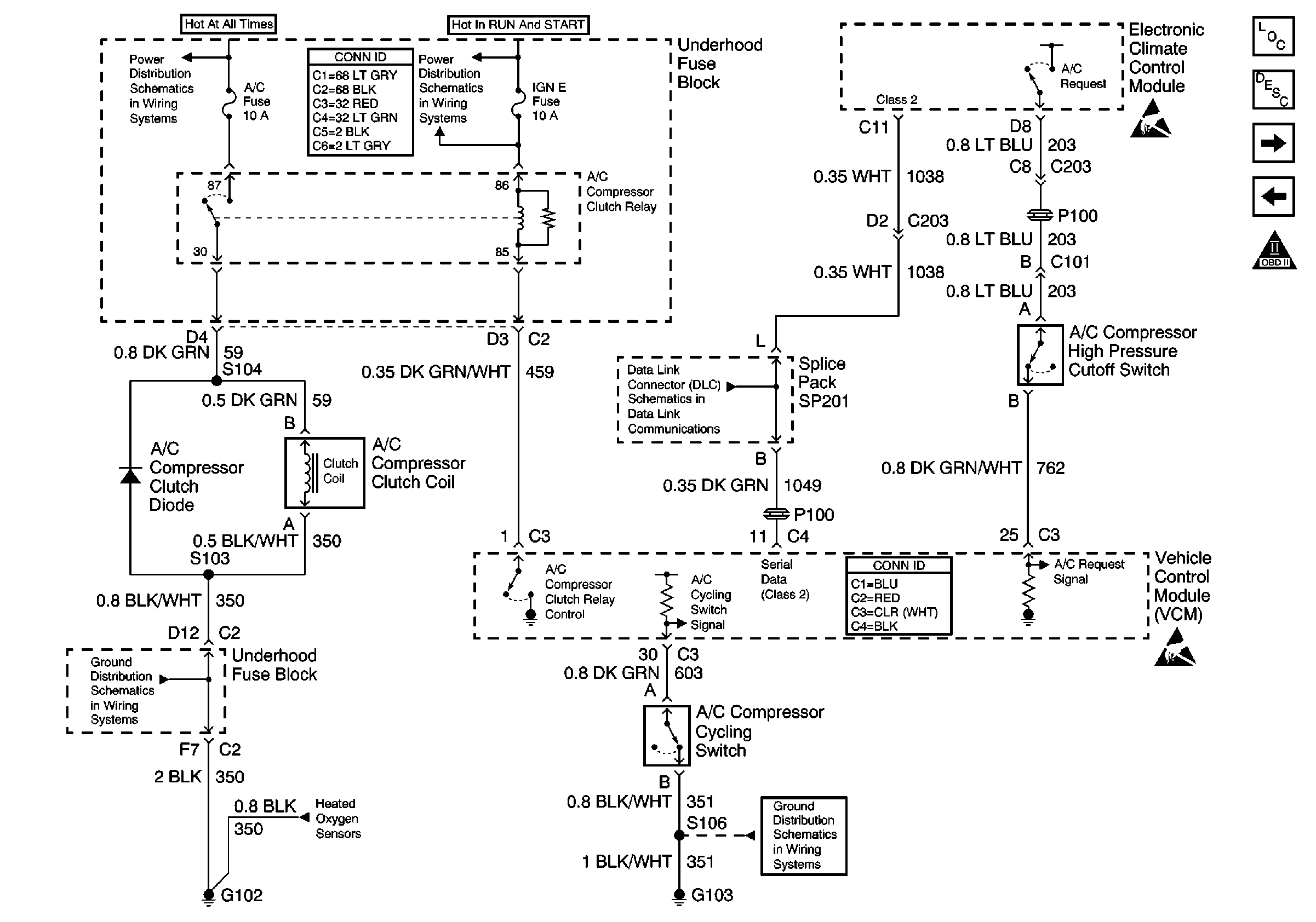
🢒 Automatic A/C Compressor Control
Automatic A/C Compressor Control
Automatic A/C Compressor Control
Engine Controls Components
Vehicle Control Module Description
Brake Switch Input
Manual A/C Compressor Control
OBD II Symbol Description Notice
B+ Bus Bar
Power and Grounding Connector End Views
Ign RUN and START Bus Bar
Handling ESD Sensitive Parts Notice
G102 (Except Export)
Heated Oxygen Sensors
Automatic Transmission Switch Inputs
VCM Connector End Views
Handling ESD Sensitive Parts Notice
G103 and G105 (4.3L)