GM Service Manual Online
For 1990-2009 cars only
Makes
🢒
Chevrolet
🢒
2000
🢒
Blazer - 2WD
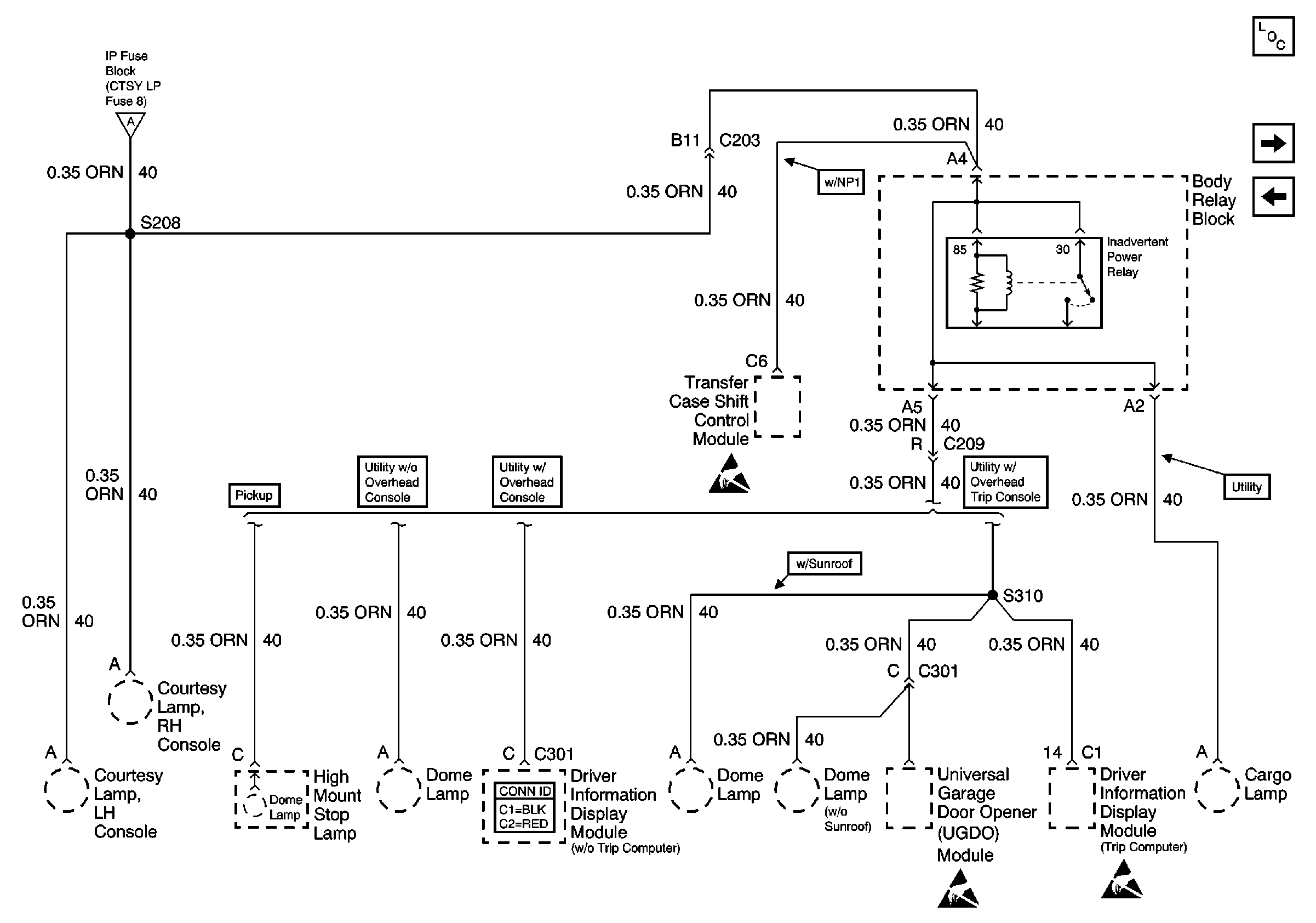
🢒 Inadvertent Power Lamp Relay
Inadvertent Power Lamp Relay
Inadvertent Power Lamp Relay
Power and Grounding Components
AUX PWR, RDO BATT and HDLP SW Fuses
INT BATT Fuse
INT BATT Fuse
Handling ESD Sensitive Parts Notice
Driver Information Systems Connector End Views
Handling ESD Sensitive Parts Notice
Handling ESD Sensitive Parts Notice