GM Service Manual Online
For 1990-2009 cars only
Makes
🢒
Chevrolet
🢒
2000
🢒
Blazer - 2WD
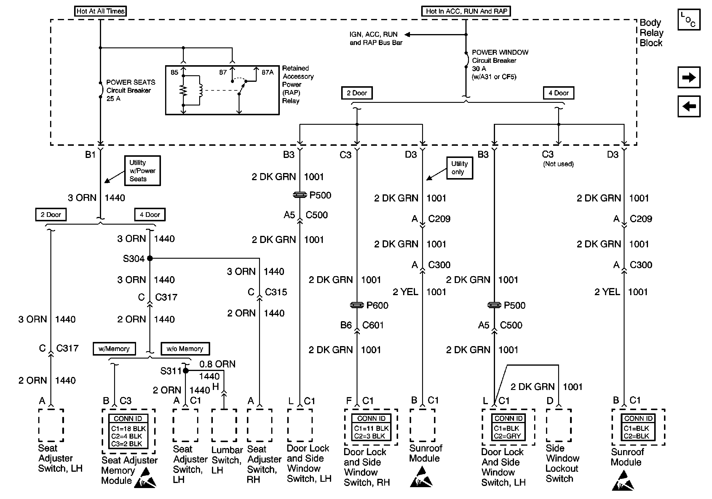
🢒 Power Seats, Power Windows Circuit Breakers and RAP Relay
Power Seats, Power Windows Circuit Breakers and RAP Relay
Power Seats, Power Windows Circuit Breakers and RAP Relay
Power and Grounding Components
RDO IGN and STR WHL RDO IGN Fuses
ECM I Fuse
Ign ACC, RUN and RAP Bus Bar
Power Seat Connector End Views
Handling ESD Sensitive Parts Notice
Power Door Systems Connector End Views
Handling ESD Sensitive Parts Notice
Power Door Systems Connector End Views
Power Roof Systems Connector End Views
Handling ESD Sensitive Parts Notice