GM Service Manual Online
For 1990-2009 cars only
Makes
🢒
Chevrolet
🢒
2000
🢒
Blazer - 2WD
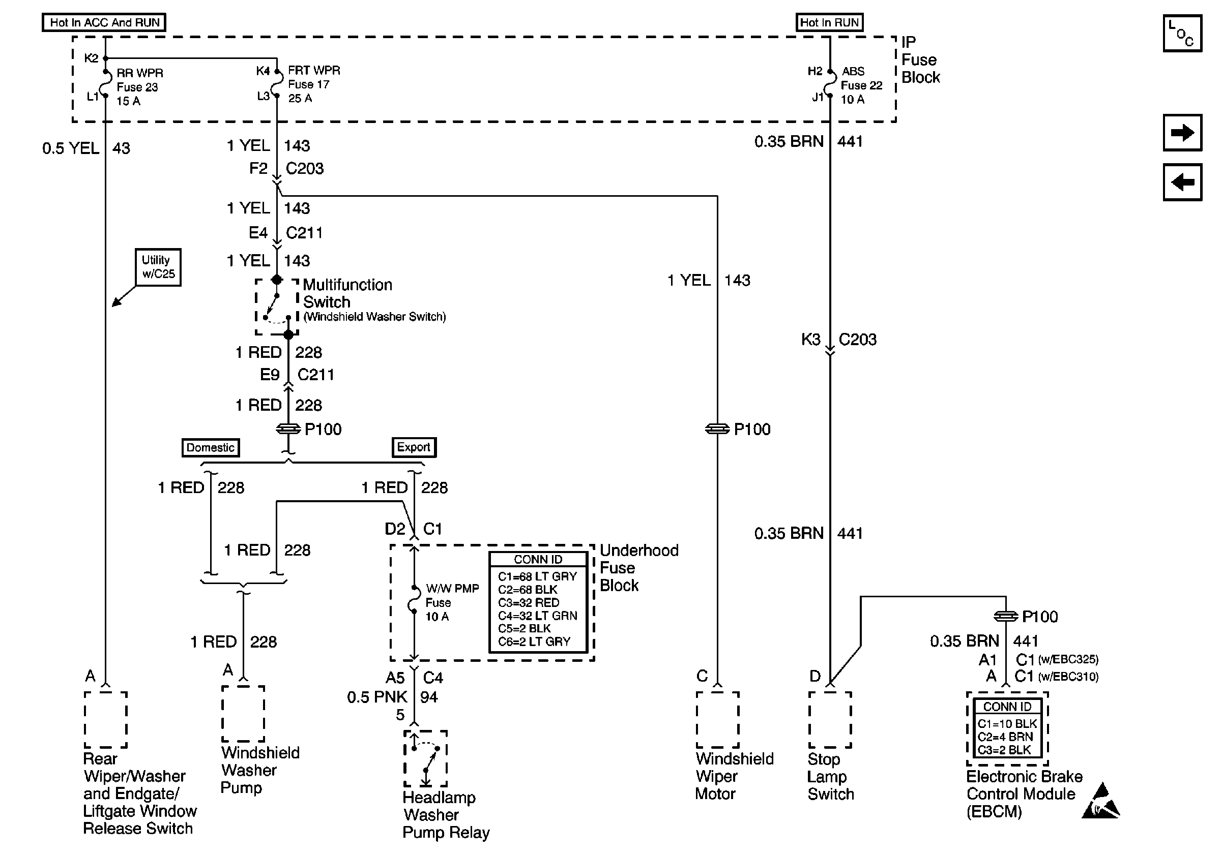
🢒 RR WPR, FRT WPR and ABS Fuses
RR WPR, FRT WPR and ABS Fuses
RR WPR, FRT WPR and ABS Fuses
Power and Grounding Components
HVAC I Fuse
RDO IGN and STR WHL RDO IGN Fuses
Ign ACC, RUN and RAP Bus Bar
Ign ACC, RUN and RAP Bus Bar
Power and Grounding Connector End Views
Antilock Brake System Connector End Views
Handling ESD Sensitive Parts Notice