GM Service Manual Online
For 1990-2009 cars only
Makes
🢒
Chevrolet
🢒
2000
🢒
Blazer - 2WD
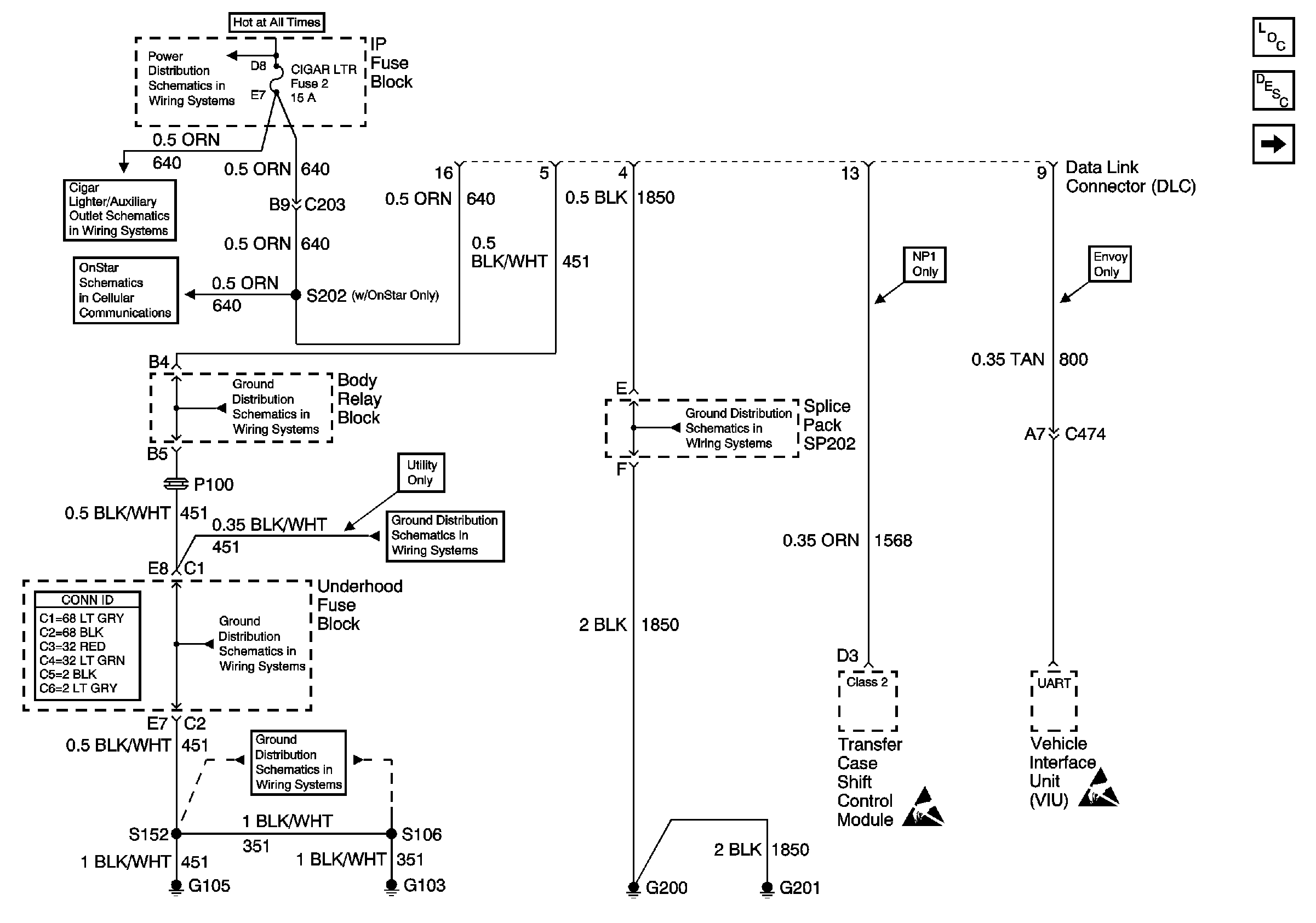
🢒 Power, Ground, Transfer Case Shift Control Module and Vehicle Interface Unit (VIU)
Power, Ground, Transfer Case Shift Control Module and Vehicle Interface Unit (VIU)
Power, Ground, Transfer Case Shift Control Module and Vehicle Interface Unit (VIU)
Data Link Communications Components
Data Link Communications Circuit Description
SP201 (2.2L)
INT BATT Fuse
Except Envoy
G103 and G105 (2.2L)
G103 and G105 (2.2L)
G103 and G105 (2.2L)
Power and Grounding Connector End Views
G103 and G105 (2.2L)
G200, G201 and G207 (Pickup)
Handling ESD Sensitive Parts Notice
Handling ESD Sensitive Parts Notice