GM Service Manual Online
For 1990-2009 cars only
Makes
🢒
Chevrolet
🢒
2000
🢒
Blazer - 2WD
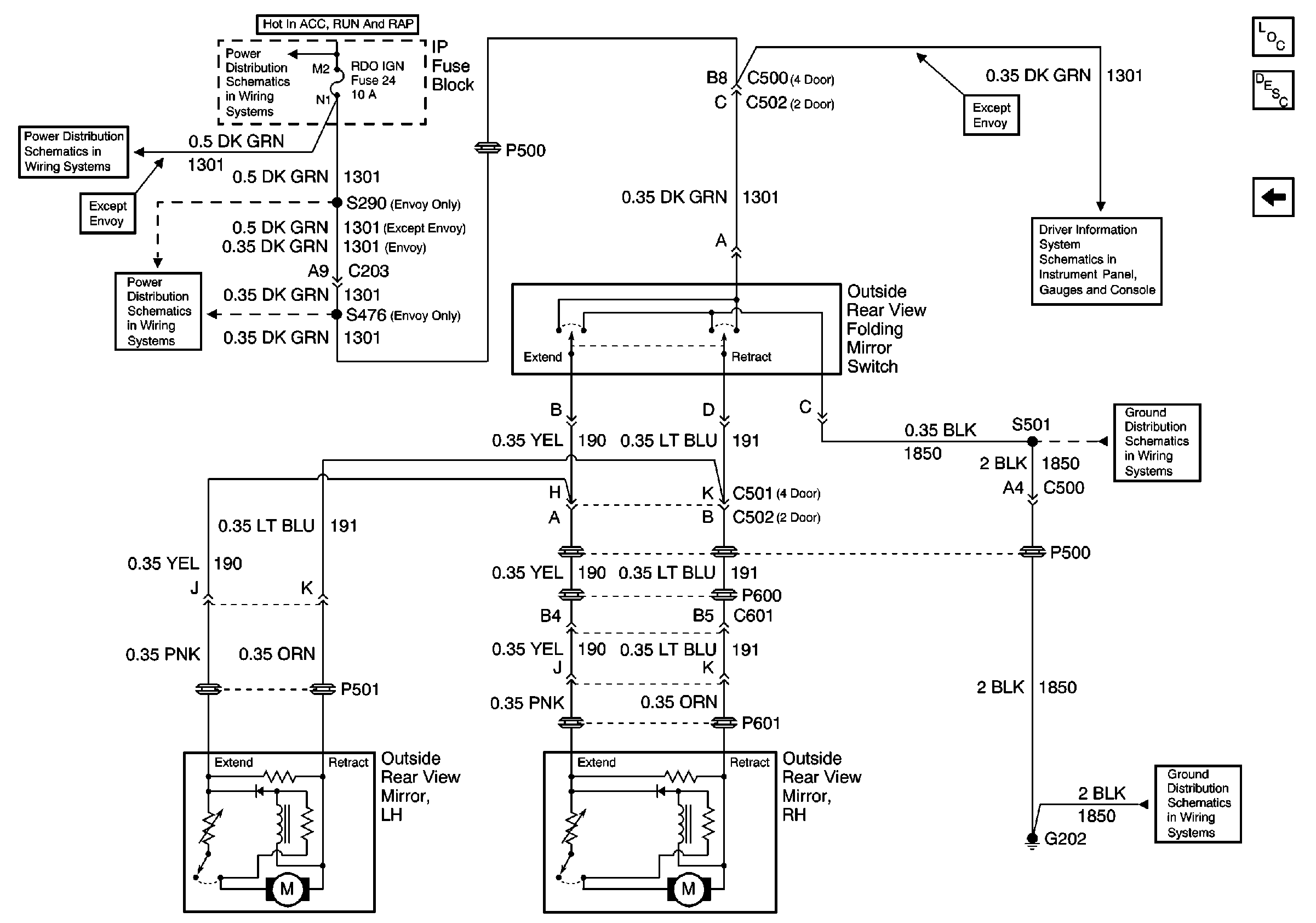
🢒 Folding Mirrors (Envoy and Export Only)
Folding Mirrors (Envoy and Export Only)
Folding Mirrors (Envoy and Export Only)
Power Door Systems Components
Heated Mirror Circuit Description
Outside Rear View Mirror Switch
Ign ACC, RUN and RAP Bus Bar
RDO IGN and STR WHL RDO IGN Fuses
RDO IGN and STR WHL RDO IGN Fuses
Power and Ground (w/ Trip Computer)
G202 (Pickup)
G202 (Pickup)