GM Service Manual Online
For 1990-2009 cars only
Makes
🢒
Chevrolet
🢒
2000
🢒
Blazer - 2WD
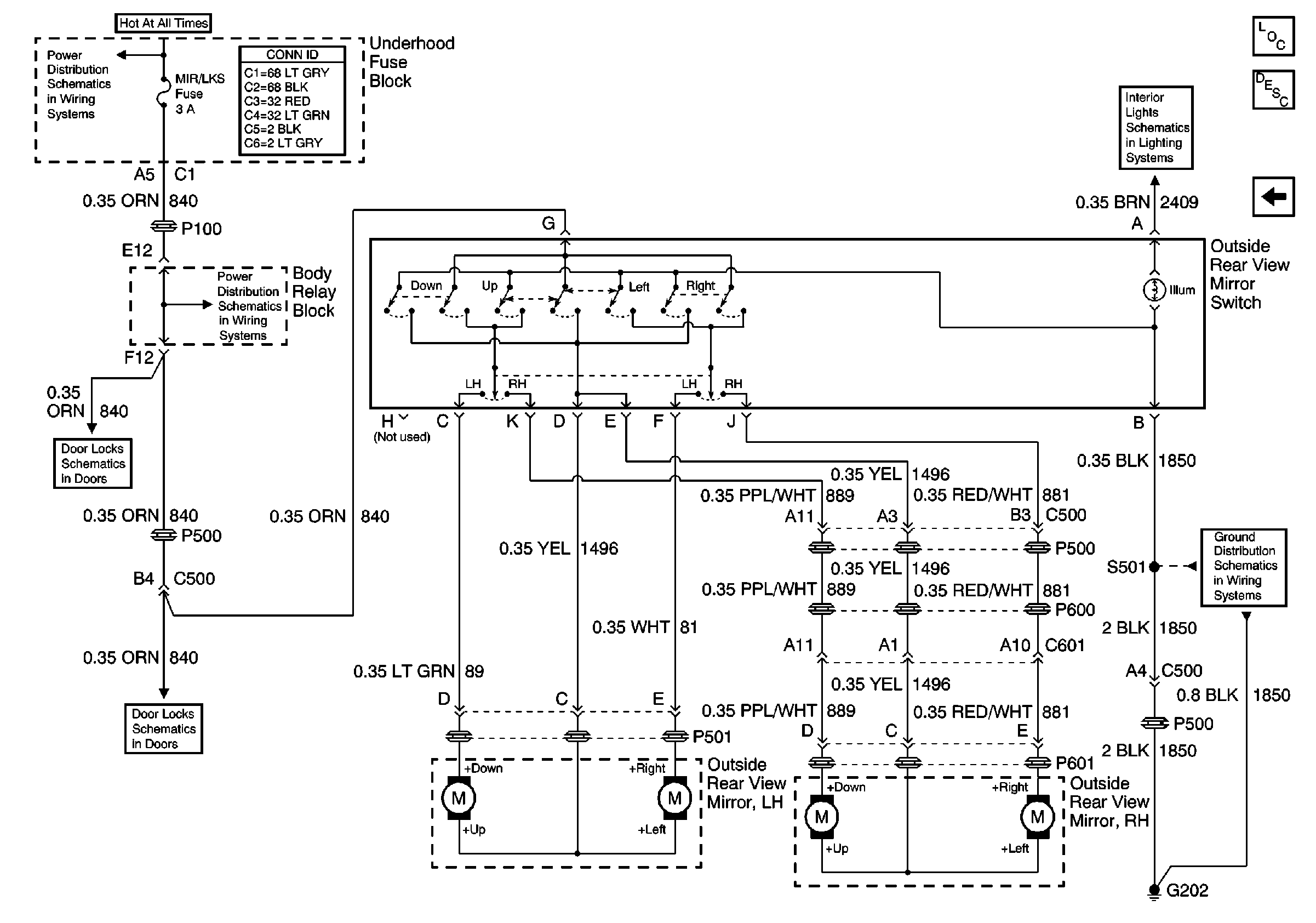
🢒 Outside Rear View Mirror Switch
Outside Rear View Mirror Switch
Outside Rear View Mirror Switch
Power Door Systems Components
Outside Mirrors Circuit Description
Heated Mirrors
ATC, HVAC and A/C Fuses
Power and Grounding Connector End Views
Inside Rear View Mirror and Visor Vanity Mirror Lamps
MIR/LKS, FOG LP, LT HDLP, and RT HDLP Fuses
Door Lock Switch Inputs
Door Lock Switch Inputs
G202