The fuel tank pressure sensor responds to changes in the fuel tank pressure or vacuum. This information is used in order to detect vacuum decay or an excessive vacuum during the EVAP diagnostic routing. The fuel tank pressure sensor signal voltage to the VCM varies from a minimum of about 0.1 volts with pressure in the fuel tank to above 4.0 volts with a high vacuum in the fuel tank.
The fuel tank pressure sensor display on the scan tool has an auto zero feature which occurs at each ignition cycle and is corrected according to the barometric pressure. Because of this, the fuel tank pressure sensor display may not accurately reflect the actual output of the sensor or the conditions within the fuel tank.
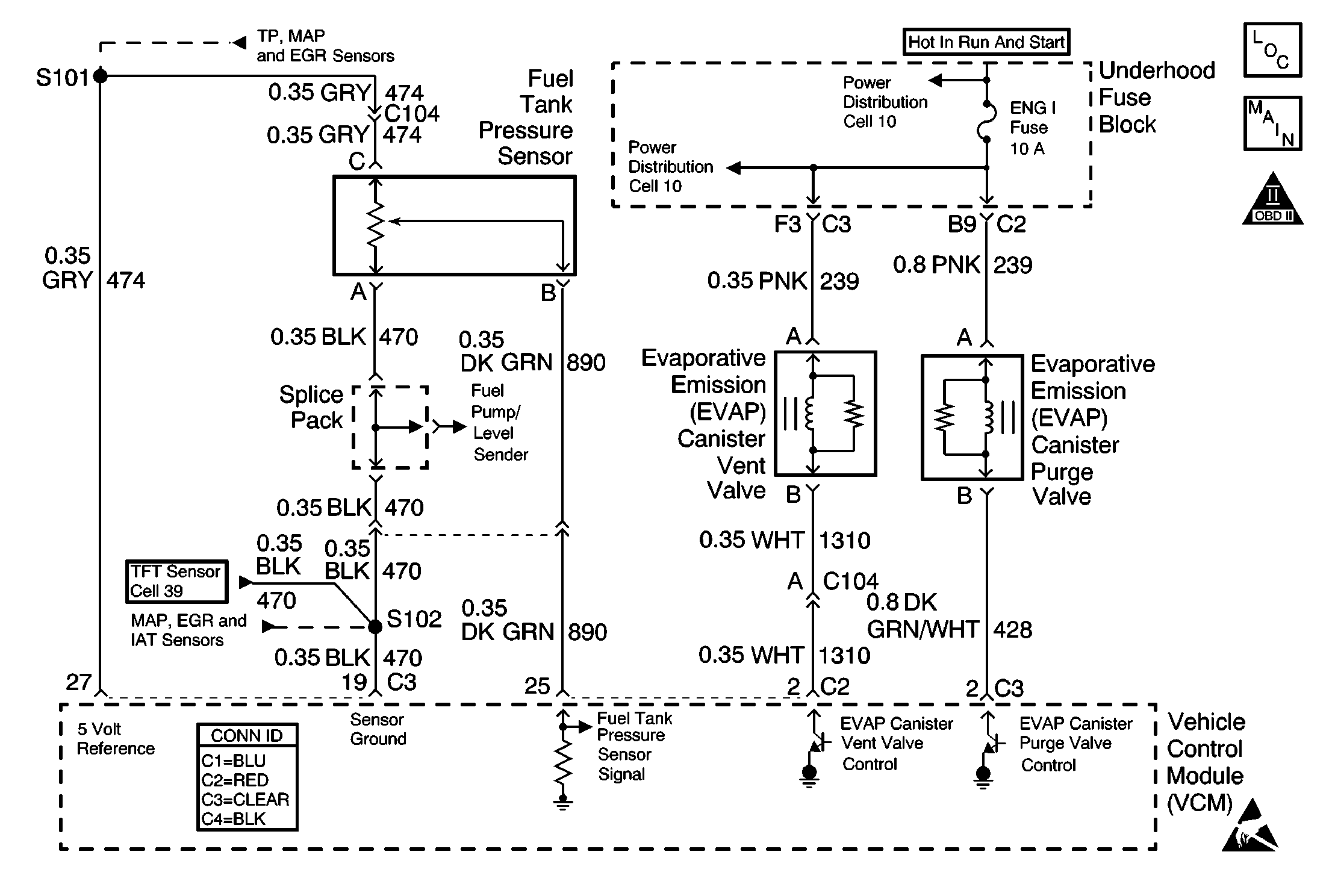
The fuel tank pressure sensor diagnosis table is intended to isolate and diagnose the electrical problems with the sensor wiring or the sensor.
The ignition switch is in the RUN position.
The fuel tank pressure sensor voltage is more than 4.98 volts for more than 5 seconds.
The VCM turns ON the MIL after 2 consecutive driving cycles with the fault active.
| • | The control module turns OFF the MIL after 3 consecutive drive trips when the test has run and passed. |
| • | A history DTC will clear if no fault conditions have been detected for 40 warm-up cycles. A warm-up cycle occurs when the coolant temperature has risen 22°C (40°F) from the startup coolant temperature and the engine coolant reaches a temperature that is more than 70°C (158°F) during the same ignition cycle. |
| • | Use a scan tool in order to clear the DTCs. |
| • | Improper mating |
| • | Broken locks |
| • | Improperly formed |
| • | Damaged terminals |
The numbers below refer to the step numbers on the diagnostic table.
If the EVAP fuel tank pressure sensor value is less than -16.50 inch H2O, an EVAP fuel tank pressure sensor circuit problem may be present or an internally shorted fuel tank pressure sensor. Note that -17.32 inch H20 is less than -16.50 inch H20.
If the EVAP fuel tank pressure sensor value is less than 7.4 inches H2O, the fault is the EVAP fuel tank pressure sensor or the reference voltage is higher than 5.0 volts. With good circuits, a disconnected fuel tank pressure sensor should indicate 7.4 inch H2O.
A high voltage reading on the 5 volt reference circuit could be caused by a short to voltage on another 5 volt reference circuit, some 5 volt reference circuits are shared inside and outside the VCM. A defective linear EGR valve may bleed battery voltage onto the 5 volt reference circuit.
Step | Action | Values | Yes | No |
|---|---|---|---|---|
1 | Did you perform the Powertrain On-Board Diagnostic (OBD) System Check? | -- | ||
Does the EVAP fuel tank pressure sensor display vacuum less than the value specified? | -16.50 in H2O | Go to Diagnostic Aids. | ||
Disconnect the EVAP fuel tank pressure sensor connector. Does the EVAP fuel tank pressure sensor display pressure of more than the value specified? | 7.0 in H2O | |||
4 | Use the DMM in order to measure the voltage at the 5 volt reference circuit to ground at the EVAP fuel tank pressure sensor connector. Is the voltage higher than the value specified? | 5.20 V | ||
5 | Using the DMM, measure the voltage between the fuel tank pressure sensor signal circuit and ground. Is the voltage higher than the value specified? | 0.5 V | ||
6 | Repair the short to voltage on the EVAP fuel tank pressure sensor Signal circuit. Is the repair complete? | -- | -- | |
Repair the short to voltage on the 5 volt reference circuit. Refer to Test Description. Is the repair complete? | -- | -- | ||
8 |
Did the terminal contact need to be repaired? | -- | ||
9 | Replace the EVAP fuel tank pressure sensor. Refer to Fuel Tank Pressure Sensor Replacement . Is the replacement complete? | -- | -- | |
10 |
Did terminal contact need to be repaired? | -- | ||
11 |
Important: The replacement VCM must be programmed. Replace the VCM. Refer to VCM Replacement/Programming . Is the action complete? | -- | -- | |
12 |
Does the scan tool indicate the diagnostic Passed? | -- | ||
13 | Does the scan tool display any additional undiagnosed DTCs? | -- | Go to applicable DTC | System OK |