GM Service Manual Online
For 1990-2009 cars only

Removal Procedure


    Object Number: 104739  Size: SH

    Important: Perform the following procedure when removing the retaining rings and cooler lines from the quick connect fittings located on the radiator and/or the transmission.

  1. Pull the plastic cap back from the quick connect fitting and down along the cooler line about 5 cm (2 in).
  2. Using a bent-tip screwdriver, pull on one of the open ends of the retaining ring in order to rotate the retaining ring around the quick connect fitting until the retaining ring is out of position and can be completely removed.
  3. Remove the retaining ring from the quick connect fitting.
  4. Discard the retaining ring.

  5. Object Number: 104740  Size: SH
  6. Pull the cooler line straight out from the quick connect fitting.

  7. Object Number: 738172  Size: SH
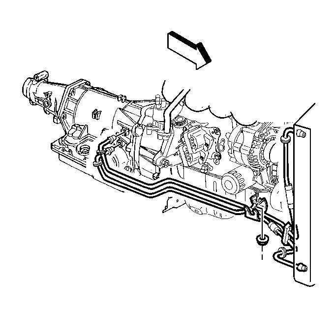
  8. Remove the oil cooler lines from the radiator. On vehicles equipped with a 4.3L engine and 4WD, it may be necessary to gain access to the lower cooler line (2) through the right side wheel well opening.

  9. Object Number: 449301  Size: SH
  10. Raise and support the vehicle. Refer to Lifting and Jacking the Vehicle in General Information.
  11. For vehicles equipped with a 2.2L engine, remove the nut securing the cooling line to the engine.

  12. Object Number: 449304  Size: SH
  13. For vehicles equipped with a 4.3L engine, remove the clip and stud securing the cooler line to the engine.
  14. Support the transmission with a transmission jack.

  15. Object Number: 680767  Size: SH
  16. Remove the exhaust crossover pipe and the transmission support assembly. Refer to Transmission Support Replacement in Frame and Underbody.
  17. Carefully lower the transmission to gain access to the cooler line fittings.
  18. Remove the cooler lines from the fittings on the transmission. If the vehicle is equipped with 4WD, it may be necessary to disconnect and temporarily relocate the transfer case vent hose to provide access to the fittings.
  19. Remove the cooler lines from the vehicle.

Installation Procedure

  1. Install the transmission oil cooler lines to the vehicle.
  2. Important: 

       • Do not reuse any of the existing oil lines or oil line fittings if there is excessive corrosion.
       • Do not reuse any of the existing retaining rings that were removed from the existing quick connect fittings. All retaining rings being installed must be new.
       • Ensure the following procedures are performed when installing the new retaining rings onto the fittings.

  3. Install a new retaining ring (E-clip) into the quick connect fitting using the following procedure:

  4. Object Number: 104743  Size: SH
  5. Hook one of the open ends of the retaining ring in one of the slots in the quick connect fitting.

  6. Object Number: 104746  Size: SH
  7. Rotate the retaining ring around the fitting until the retaining ring is positioned with all three ears through the three slots on the fitting.

  8. Object Number: 104741  Size: SH
  9. Do not install the new retaining ring onto the fitting by pushing the retaining ring.

  10. Object Number: 104664  Size: SH
  11. Ensure that the three retaining ring ears are seen from inside the fitting and that the retaining ring moves freely in the fitting slots.
  12. Install the new retaining ring (E-clip) into the remaining quick connect fittings.
  13. Notice: Ensure that the cooler line being installed has a plastic cap on each end that connects to a quick connect fitting. If no plastic cap exists, or the plastic cap is damaged, obtain a new plastic cap and position on to the cooler line prior to the cooler line installation.


    Object Number: 104740  Size: SH
  14. Install the cooler lines to the vehicle.

  15. Object Number: 104752  Size: SH
  16. Install the cooler line into the quick connect fitting.
  17. Insert the cooler line end into the quick connect fitting until a click is either heard or felt.

  18. Object Number: 104750  Size: SH
  19. Do not use the plastic cap on the cooler line in order to install the cooler line into the fitting.
  20. Pull back sharply on the cooler line in order to ensure that the cooler line is fastened into the quick connect fitting.

  21. Object Number: 104753  Size: SH
  22. Position (snap) the plastic cap onto the fitting. Do not manually depress the retaining ring when installing the plastic cap onto the quick connect fitting.
  23. Ensure that the plastic cap is fully seated against the fitting.

  24. Object Number: 104754  Size: SH
  25. Ensure that no gap is present between the cap and the fitting.

  26. Object Number: 104753  Size: SH
  27. Ensure that the yellow identification band on the tube is hidden within the quick connect fitting.

  28. Object Number: 104755  Size: SH
  29. A hidden yellow identification band indicates proper joint seating.
  30. Install all remaining cooling line ends to the remaining fittings.
  31. Install the transfer case vent hose, if equipped.

  32. Object Number: 680767  Size: SH
  33. Raise the transmission into position.
  34. Install the exhaust crossover pipe and the transmission support assembly. Refer to Transmission Support Replacement in Frame and Underbody.
  35. Remove the transmission jack.

  36. Object Number: 449304  Size: SH

    Notice: Use the correct fastener in the correct location. Replacement fasteners must be the correct part number for that application. Fasteners requiring replacement or fasteners requiring the use of thread locking compound or sealant are identified in the service procedure. Do not use paints, lubricants, or corrosion inhibitors on fasteners or fastener joint surfaces unless specified. These coatings affect fastener torque and joint clamping force and may damage the fastener. Use the correct tightening sequence and specifications when installing fasteners in order to avoid damage to parts and systems.

  37. For vehicles equipped with a 4.3L engine, install the stud and clip securing the cooler line to the engine.
  38. Tighten
    Tighten the stud to 11 N·m (97 lb in).


    Object Number: 449301  Size: SH
  39. For vehicles equipped with a 2.2L engine, Install the nut securing the oil cooler lines to the engine.
  40. Tighten
    Tighten the nut to 11 N·m (97 lb in).

  41. Lower the vehicle.
  42. Fill the transmission to the proper level with approved fluid and check for leaks.