GM Service Manual Online
For 1990-2009 cars only

Starter Replacement 2.2L

Removal Procedure

Caution: Unless directed otherwise, the ignition and start switch must be in the OFF or LOCK position, and all electrical loads must be OFF before servicing any electrical component. Disconnect the negative battery cable to prevent an electrical spark should a tool or equipment come in contact with an exposed electrical terminal. Failure to follow these precautions may result in personal injury and/or damage to the vehicle or its components.

Notice: Never operate the starter motor for more than 30 seconds at a time. Allow it to cool for at least two minutes. Overheating, caused by too much cranking, will damage the starter motor.

  1. Disconnect the negative battery cable. Refer to Battery Negative Cable Disconnection and Connection .
  2. Raise and support the vehicle. Refer to Lifting and Jacking the Vehicle in General Information.

  3. Object Number: 544666  Size: SH
  4. Remove the engine to transmission brace rod mounting bolts and nut.
  5. Remove the engine to transmission brace rod.

  6. Object Number: 594778  Size: SH
  7. Remove the starter heat shield.

  8. Object Number: 544664  Size: SH
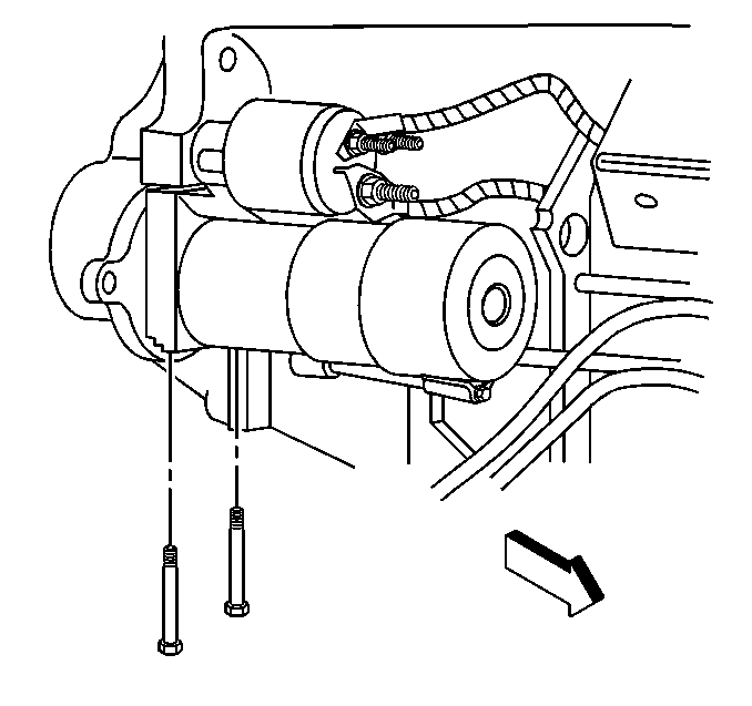
  9. Disconnect the wires from the starter solenoid.

  10. Object Number: 594776  Size: SH
  11. Remove the starter motor mounting bolts.
  12. Remove the starter from the vehicle.

Installation Procedure


    Object Number: 594776  Size: SH
  1. Install the starter motor to the vehicle.
  2. Notice: Use the correct fastener in the correct location. Replacement fasteners must be the correct part number for that application. Fasteners requiring replacement or fasteners requiring the use of thread locking compound or sealant are identified in the service procedure. Do not use paints, lubricants, or corrosion inhibitors on fasteners or fastener joint surfaces unless specified. These coatings affect fastener torque and joint clamping force and may damage the fastener. Use the correct tightening sequence and specifications when installing fasteners in order to avoid damage to parts and systems.

  3. Install the starter mounting bolts.
  4. Tighten
    Tighten the starter motor mounting bolts to 43 N·m (32 lb ft).


    Object Number: 544664  Size: SH
  5. Connect the wires to the starter solenoid.
  6. Tighten

        • Tighten the battery positive cable to starter nut to 9 N·m (80 lb in).
        • Tighten the engine wiring harness to starter nut to 1.9 N·m (17 lb in).

    Object Number: 594778  Size: SH
  7. Install the starter heat shield.

  8. Object Number: 544666  Size: SH
  9. Install the engine to transmission brace rod.
  10. Install the engine to transmission brace rod mounting bolts and nut.
  11. Tighten
    Tighten the engine to transmission brace mounting bolts and nut to 50 N·m (37 lb ft).

  12. Lower the vehicle.
  13. Connect the battery negative cable. Refer to Battery Negative Cable Disconnection and Connection .

Starter Replacement 4.3L

Removal Procedure

Caution: Unless directed otherwise, the ignition and start switch must be in the OFF or LOCK position, and all electrical loads must be OFF before servicing any electrical component. Disconnect the negative battery cable to prevent an electrical spark should a tool or equipment come in contact with an exposed electrical terminal. Failure to follow these precautions may result in personal injury and/or damage to the vehicle or its components.

  1. Disconnect the negative battery cable. Refer to Battery Negative Cable Disconnection and Connection .
  2. Raise and support the vehicle. Refer to Lifting and Jacking the Vehicle in General Information.

  3. Object Number: 141840  Size: SH
  4. Remove the differential carrier shield mounting bolts, if equipped.
  5. Remove the differential carrier shield, if equipped.

  6. Object Number: 395641  Size: SH
  7. Remove the starter mounting bolts.

  8. Object Number: 43021  Size: SH
  9. Disconnect the wires from the solenoid.

  10. Object Number: 395675  Size: SH
  11. Remove the starter from the vehicle.
  12. Note the location of the shims, if equipped.

Installation Procedure


    Object Number: 43021  Size: SH

    Notice: Use the correct fastener in the correct location. Replacement fasteners must be the correct part number for that application. Fasteners requiring replacement or fasteners requiring the use of thread locking compound or sealant are identified in the service procedure. Do not use paints, lubricants, or corrosion inhibitors on fasteners or fastener joint surfaces unless specified. These coatings affect fastener torque and joint clamping force and may damage the fastener. Use the correct tightening sequence and specifications when installing fasteners in order to avoid damage to parts and systems.

  1. Connect the wires to the solenoid.
  2. Tighten

        • Tighten the battery positive cable nut to 9 N·m (80 lb in).
        • Tighten the engine wiring harness to starter nut to 1.9 N·m (17 lb in).

    Object Number: 395675  Size: SH
  3. Install the starter and the inboard starter mounting bolt. Do not tighten.
  4. Install the starter shims, if equipped.

  5. Object Number: 395641  Size: SH
  6. Install the starter mounting bolts.

    Tighten
    Tighten the starter mounting bolts to 50 N·m (37 lb ft).


    Object Number: 141840  Size: SH
  7. Install the differential carrier shield, if equipped.
  8. Install the differential carrier shield mounting bolts, if equipped.
  9. Tighten
    Tighten the differential carrier shield mounting bolts to 25 N·m (18 lb ft).

  10. Lower the vehicle.
  11. Connect the battery negative cable. Refer to Battery Negative Cable Disconnection and Connection .