Removal Procedure
- Raise and support the
vehicle. Refer to
Lifting and Jacking the Vehicle
in General Information.
- Position a suitable container to catch the engine oil.
- Remove the engine oil filter.
- Remove the engine oil cooler pipes from the remote engine oil
filter adapter. Refer to
Engine Oil Cooler Hose/Pipe Replacement
in Engine Cooling.
- Remove the remote oil filter inlet and outlet hoses from the remote
oil filter adapter. Refer to
Remote Oil Filter Adapter Pipe Replacement
.
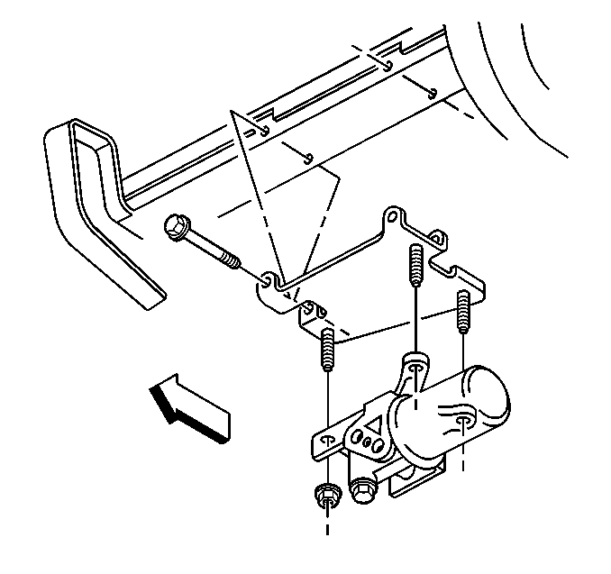
- Remove the nuts and the remote oil filter adapter from the remote
oil filter mounting bracket.
- If necessary, remove the remote oil filter adapter mounting bracket
and bolts from the radiator support.
Installation Procedure
Notice: Use the correct fastener in the correct location. Replacement fasteners
must be the correct part number for that application. Fasteners requiring
replacement or fasteners requiring the use of thread locking compound or sealant
are identified in the service procedure. Do not use paints, lubricants, or
corrosion inhibitors on fasteners or fastener joint surfaces unless specified.
These coatings affect fastener torque and joint clamping force and may damage
the fastener. Use the correct tightening sequence and specifications when
installing fasteners in order to avoid damage to parts and systems.
- Install the remote
oil filter adapter mounting bracket and bolts to the radiator support , if
removed.
Tighten
Tighten the remote oil filter adapter mounting bracket bolts to 30 N·m
(22 lb ft).
- Install the remote oil filter adapter and nuts to the mounting
bracket.
Tighten
Tighten the remote oil filter adapter nuts to 25 N·m (18 lb ft).
- Install the remote oil filter inlet and outlet hoses to the remote
oil filter adapter. Refer to
Remote Oil Filter Adapter Pipe Replacement
.
- Install the engine oil cooler pipes to the remote engine oil filter
adapter. Refer to
Engine Oil Cooler Hose/Pipe Replacement
in Engine Cooling.
- Install the engine oil filter. Refer to
Engine Oil and Oil Filter Replacement
.
- Lower the vehicle.
- Operate the engine and check for leaks.
- Inspect the engine oil level and fill to the proper level.