GM Service Manual Online
For 1990-2009 cars only
Makes
🢒
Chevrolet
🢒
2001
🢒
Blazer - 2WD
🢒
Brakes
🢒
Antilock Brake System
🢒 Antilock Brake System Component Views
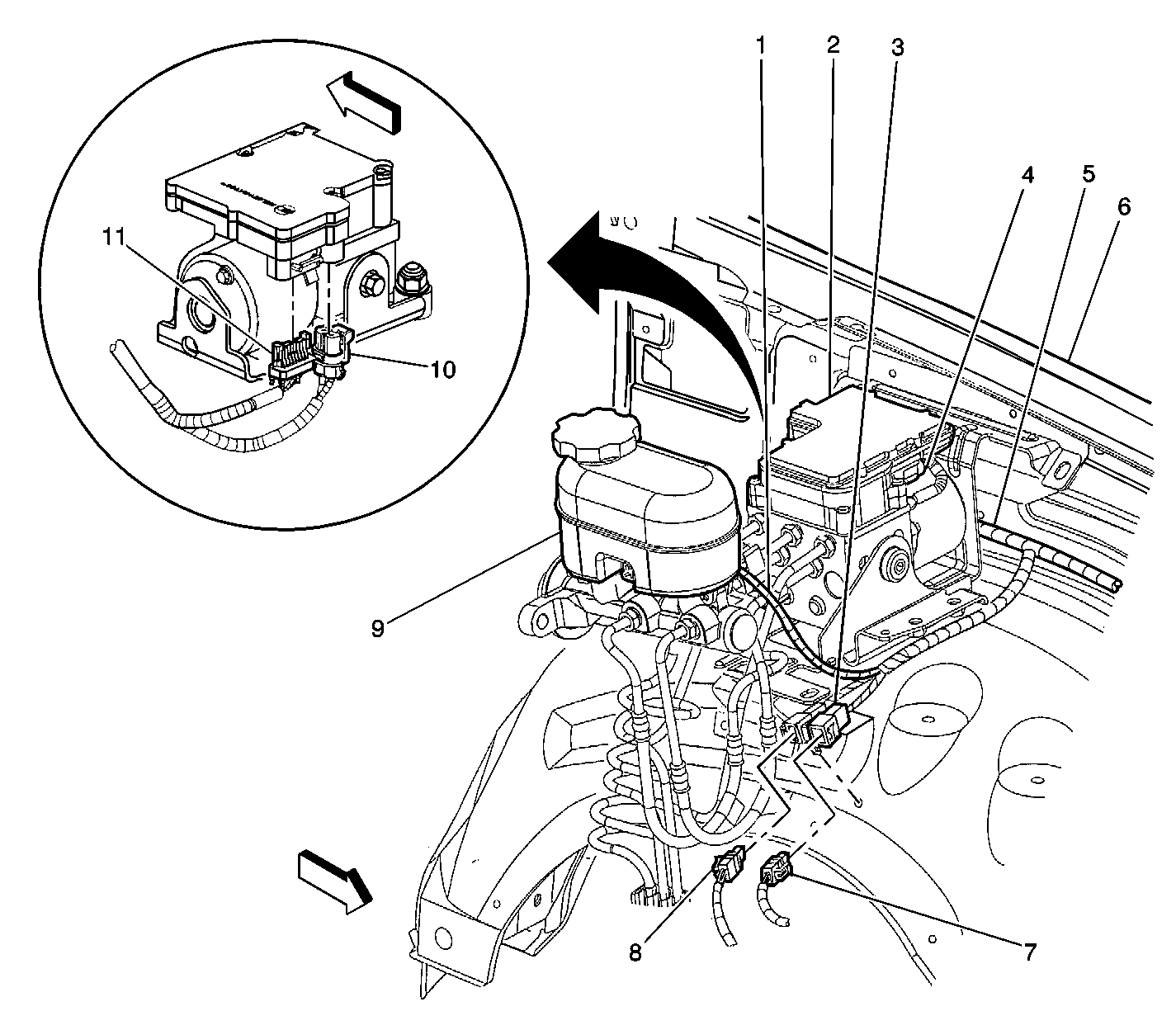
Figure
1:
Electronic Brake Control Module (EBCM)
(1)
Brake Fluid Level Switch Connector
(2)
Electronic Brake Control Module (EBCM)
(3)
C114
(4)
Pump Motor
(5)
Body Harness
(6)
LF Fender
(7)
C114
(8)
C109
(9)
Brake Master Cylinder
(10)
Electronic Brake Control Module (EBCM) Connector C2
(11)
Electronic Brake Control Module (EBCM) Connector C1
Figure
2:
Forward Wiring Sensor
(1)
Wheel Speed Sensor (WSS) - LF
(2)
Ground G106
(3)
Ground G118
(4)
Wheel Speed Sensor (WSS) - RF