GM Service Manual Online
For 1990-2009 cars only

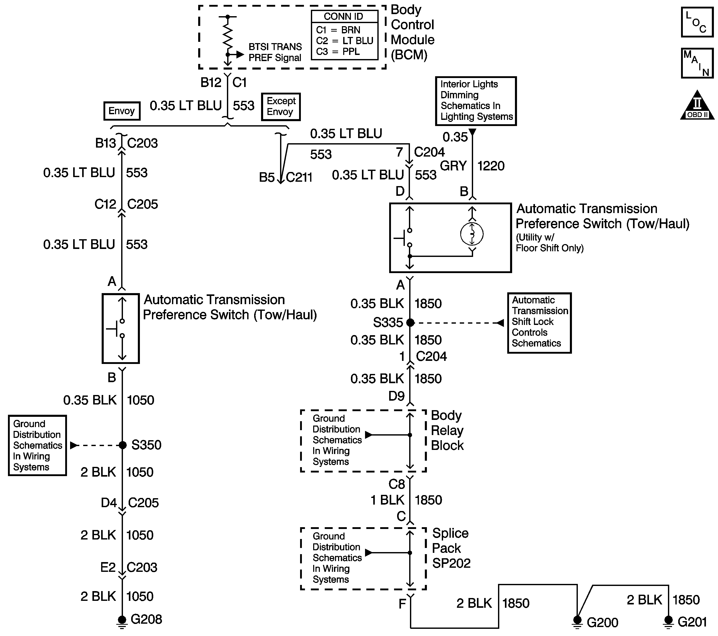
Object Number: 771686  Size: LF
Master Electrical Component List
Automatic Transmission Controls Schematics
OBD II Symbol Description Notice

Circuit Description

Tow/haul mode enables the operator to achieve enhanced shift performance when towing or hauling a load. When tow/haul mode is selected, the tow/haul switch input signal to the body control module (BCM) is momentarily toggled to zero volts. This signals the powertrain control module (PCM) to extend the length of time between upshifts and increase transmission line pressure. Cycling the tow/haul switch again disables tow/haul mode and returns the transmission to a normal shift pattern.

Diagnostic Aids

    • Inspect the connectors at the BCM, and all other circuit connecting points for an intermittent condition. Refer to Testing for Intermittent Conditions and Poor Connections in Wiring Systems.
    • Inspect the circuit wiring for an intermittent condition. Refer to Testing for Electrical Intermittents in Wiring Systems.
    • If the electrical circuit checks are OK and the tow/haul shift pattern is not occurring, there may be a mechanical/hydraulic condition that prevents tow/haul operation. Refer to Symptoms - Automatic Transmission .

Test Description

The numbers below refer to the step numbers on the diagnostic table.

  1. This step tests for a faulty tow/haul switch.

  2. This step tests for voltage input from the BCM to the tow/haul switch.

Tow/Haul Switch/Indicator Always On or Inoperative

Step

Action

Value(s)

Yes

No

1

  1. Install a Scan Tool .
  2. Turn ON the ignition, with the engine OFF.
  3. Cycle the tow/haul switch while observing Tow/Haul Mode on the Scan Tool .

Does the Scan Tool display Active when the switch is first pressed, and then Inactive when the switch is pressed again?

--

Go to Diagnostic Aids

Go to Step 2

2

    Important: The tow/haul switch is located either on the shift selector handle or on the console. The tow/haul switch located on the shift selector handle is connected to the console harness connector. The tow/haul switch located on the console is connected to the floor shift jumper harness.

  1. Disconnect the floor shift jumper harness connector or console harness connector from the tow/haul switch.
  2. Install a fused jumper wire from terminal A to terminal D of the floor shift jumper harness connector or from terminal A to terminal B of the console harness connector.

Does the Scan Tool Tow/Haul Mode indicate a status change?

--

Go to Step 7

Go to Step 3

3

Using the J 39200 digital multimeter (DMM) and the J 35616 connector test adapter kit, measure the voltage at terminal D of the floor shift jumper harness connector or from terminal A of the console harness connector.

Is ignition voltage measured?

--

Go to Step 6

Go to Step 4

4

Using the J 39200 DMM and the J 35616 , measure the voltage at terminal C1-B12 of the body control module (BCM).

Is ignition voltage measured?

--

Go to Step 5

Go to Step 8

5

Test the input circuit (CKT 553) of the tow/haul switch for an open or shorted condition.

Refer to Circuit Testing and Wiring Repairs in Wiring Systems.

Did you find and correct the condition?

--

Go to Step 9

Go to Diagnostic Aids

6

Test the ground circuit (CKT 1850 or 1050) of the tow/haul switch for an open or shorted condition.

Refer to Circuit Testing and Wiring Repairs in Wiring Systems.

Did you find and correct the condition?

--

Go to Step 9

Go to Diagnostic Aids

7

Replace the tow/haul switch.

Refer to Front Floor Console Replacement in Instrument Panel, Gauges and Console (console-mounted tow/haul switch only).

Did you complete the replacement?

--

Go to Step 9

--

8

Test the BCM for proper operation.

Refer to Diagnostic System Check - Body Control System in Body Control System.

Did you find and correct the condition?

--

Go to Step 9

--

9

After the repair is complete, observe Tow/Haul Mode on the Scan Tool display, while cycling the tow/haul switch.

Does the Scan Tool display Active when the switch is first pressed, and then Inactive when the switch is pressed again?

--

System OK

Go to Step 1