Air Conditioning Compressor Replacement 2.2L
Tools Required
J 39400-A Halogen
Leak Detector
Removal Procedure
- Recover the refrigerant from the A/C system. Refer to
Refrigerant Recovery and Recharging
.
- Remove the drive belt.
- Disconnect the electrical connectors as necessary.
Important: Some system pressure may still exist in the A/C compressor crankcase
after you evacuate the system.
- Remove the compressor hose assembly.
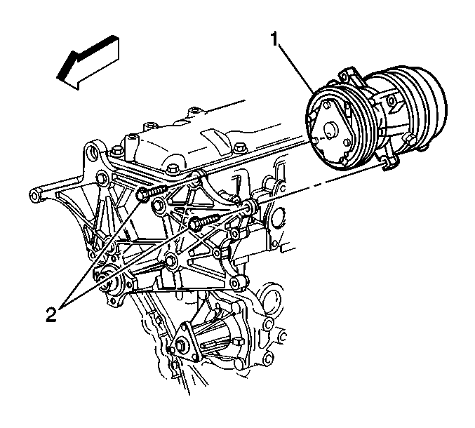
- Remove the compressor mounting bolts (2) from the bottom, front of the
A/C compressor (1).
- Remove the compressor
rear bracket bolts.
- Remove the compressor from the brackets.
- If replacing the A/C compressor, drain and measure as much of
the oil from the removed compressor as possible.
Installation Procedure
- Install the compressor to the brackets.
Notice: Use the correct fastener in the correct location. Replacement fasteners
must be the correct part number for that application. Fasteners requiring
replacement or fasteners requiring the use of thread locking compound or sealant
are identified in the service procedure. Do not use paints, lubricants, or
corrosion inhibitors on fasteners or fastener joint surfaces unless specified.
These coatings affect fastener torque and joint clamping force and may damage
the fastener. Use the correct tightening sequence and specifications when
installing fasteners in order to avoid damage to parts and systems.
- Install the compressor mounting bolts (2) to the A/C compressor (1).
Tighten
Tighten the bolts to 50 N·m (37 lb ft).
- Install the compressor
rear bracket bolts.
Tighten
Tighten the bolts to 25 N·m (18 lb ft).
- Install the compressor hose assembly.
- Connect the electrical connectors as necessary.
- Install the drive belt.
- Evacuate and recharge the refrigerant system. Refer to
Refrigerant Recovery and Recharging
.
- Leak test the fittings components using the J 39400-A
.
Air Conditioning Compressor Replacement 4.3L
Tools Required
J 39400-A Halogen
Leak Detector
Removal Procedure
- Recover the refrigerant from the A/C system. Refer to
Refrigerant Recovery and Recharging
.
- Remove the air cleaner outlet duct. Refer to
Air Cleaner Outlet Resonator Replacement
in Engine Controls - 4.3 L.
- Remove the drive belt.
- Disconnect the A/C compressor
clutch coil electrical connector (1).
- Disconnect the A/C high
pressure switch electrical connector (2).
Important: Do not disconnect the compressor hose assembly from the condenser or
the accumulator.
- Remove the compressor hose assembly from the compressor.
- Remove the compressor sealing washers and discard. Refer to
Compressor Sealing Washers Replacement
.
- Remove the nut and throttle control cable bracket from the throttle
body.
- Remove the compressor
mounting bolts.
- Remove the compressor from the vehicle.
- If replacing the A/C compressor, drain and measure as much of
the oil from the removed compressor as possible.
Installation Procedure
Important: Replacement compressors are shipped without oil.
- Add oil to the compressor. Refer to
Refrigerant System Capacities
if replacing the compressor.
- Install the new compressor
to the vehicle.
Notice: Use the correct fastener in the correct location. Replacement fasteners
must be the correct part number for that application. Fasteners requiring
replacement or fasteners requiring the use of thread locking compound or sealant
are identified in the service procedure. Do not use paints, lubricants, or
corrosion inhibitors on fasteners or fastener joint surfaces unless specified.
These coatings affect fastener torque and joint clamping force and may damage
the fastener. Use the correct tightening sequence and specifications when
installing fasteners in order to avoid damage to parts and systems.
- Install the compressor mounting bolts.
Tighten
Tighten the bolts to 50 N·m (37 lb ft).
- Install the throttle control cable bracket and nut to the throttle
body.
Tighten
Tighten the nut to 12 N·m (106 lb in).
- Install new compressor hose assembly sealing washers. Refer to
Compressor Sealing Washers Replacement
.
- Install the compressor hose assembly to the compressor. Refer
to
Compressor Hose Assembly Replacement
.
- Connect the A/C high pressure
switch electrical connector (2).
- Connect the A/C compressor
clutch coil electrical connector (1).
- Install the drive belt. Refer to
Drive Belt Replacement
in Engine Mechanical - 4.3 L.
- Install the air cleaner outlet duct. Refer to
Air Cleaner Outlet Resonator Replacement
in Engine Controls - 4.3 L.
- Evacuate and recharge the A/C system. Refer to
Refrigerant Recovery and Recharging
.
- Leak test the fittings components using the J 39400-A
.