GM Service Manual Online
For 1990-2009 cars only
Figure 1:

Repeater Lamp - Left (Export)


Object Number: 407904  Size: LF
(1)Repeater Lamp - Left
(2)Repeater Lamp Extension Harness Connector
(3)Fender - LF
Figure 2:

Dome Lamp Harness w/o Driver Information Center (DIC) (Utility)


Object Number: 357174  Size: LF
(1)Dome Lamp
(2)S300
(3)S302
(4)Dome Lamp Harness
(5)C209
(6)Vanity Mirror Lamp - Left
(7)Inside Rear View Mirror
(8)Vanity Mirror Lamp - Right
Figure 3:

Front Passenger Door Shown, Driver Similar


Object Number: 416725  Size: LF
(1)Door Lock Cylinder Switch Connector - Front Passenger
(2)Door Handle Switch Connector - Right
(3)Door Lock Actuator Connector - Front Passenger
(4)Door Lock Actuator - Front Passenger
(5)Window Motor and Connector - Front Passenger
(6)Splice S502-LH
(7)Splice S601-RH, S501-LH
(8)Speaker Connector - RF Door
(9)C601-RH, C500-LH
(10)C501-LH
(11)P600-RH, P500-LH
(12)Outside Rearview Mirror Connector - Passenger
Figure 4:

Floor Shifter Harness Connections


Object Number: 831148  Size: MF
(1)Automatic Transmission Control Module Connector
(2)Floor Shifter
(3)Automatic Transmission Shift Lever Position Indicator
(4)S335
Figure 5:

Floor Pedals


Object Number: 203295  Size: LF
(1)Dash Panel
(2)Stop Lamp Switch
(3)Brake Pedal
(4)Clutch Pedal Position (CPP) Switch (Manual Transmission)
(5)Clutch Pedal (Manual Transmission)
Figure 6:

Forward Lamps Wiring Harness (Left Shown, Right Opposite)


Object Number: 354565  Size: MF
(1)Headlamp - Low Beam - Left (Chevrolet)
(2)Headlamp - High Beam - Left (Chevrolet)
(3)Headlamp - Low Beam - Left (Oldsmobile/GMC)
(4)Headlamp - High Beam - Left (Oldsmobile/GMC)
(5)Fog Lamp - LF (GMC)
(6)Park/Turn Signal Lamp - LF (Oldsmobile/GMC)
(7)Marker Lamp (Oldsmobile/GMC)
(8)Fog Lamp - LF (Chevrolet)
(9)Forward Lamps Harness
(10)Park/Turn Signal Lamp - LF (Chevrolet)
(11)Marker Lamp (Chevrolet)
Figure 7:

Forward Lamps Wiring Harness Foglamps (RF Shown, LF Opposite)


Object Number: 354567  Size: MF
(1)Fog Lamp - RF (Bravada, Envoy)
(2)Fender - RF
Figure 8:

Headlamp Switch


Object Number: 357145  Size: MF
(1)Headlamp Switch
(2)IP Dimmer Switch
(3)Fog Lamp Switch
(4)Dome Lamp Defeat Switch
Figure 9:

Headlamp Ballast to Radiator Support (Envoy Only)


Object Number: 354576  Size: MF
(1)Headlamp Ballast - Left (HID) (Right Similar)
(2)Headlamp - Low Beam - Left (HID) (w/Starter) (Right Similar)
(3)HID Lens Assembly
(4)Ballast Support Tray
Figure 10:

Center High Mounted Stop Lamp (CHMSL) (Pickup)


Object Number: 357177  Size: LF
(1)Center High Mounted Stop Lamp (CHMSL)
Figure 11:

Instrument Panel, LF


Object Number: 357146  Size: LF
(1)IP Bulkhead
(2)C211
(3)C214
(4)Body Control Module (BCM) Connector C1
(5)Body Control Module (BCM) Connector C2
(6)IP Vacuum Harness Connector
(7)Splice Pack SP202
(8)Relay Block - Body
(9)Data Link Connector (DLC)
(10)C500
(11)C209
(12)C217
(13)G200 and G202
(14)G201
(15)C214
Figure 12:

Instrument Panel, RF


Object Number: 738663  Size: LF
(1)C102
(2)C203
(3)Instrument Panel
(4)Recirculation Door Motor
(5)Turn Signal/Hazard Flasher Module
(6)C601
(7)C600
(8)Transfer Case Shift Control Module Connector
(9)Splice Pack SP200
(10)Splice Pack SP204
(11)G203, G204, G205, and G206
(12)Vacuum Control Assembly (w/ Auto A/C)
(13)Air Temperature Actuator Connector
Figure 13:

IP Wiring Harness


Object Number: 357160  Size: LF
(1)Inflatable Restraint IP Module
(2)Inflatable Restraint IP Module Connector
(3)I/P Compartment Lamp
(4)Door Jamb Switch - Front Passenger
Figure 14:

IP Wiring Harness Composite View (with Auto A/C)


Object Number: 357142  Size: LF
(1)Inflatable Restraint IP Module Switch Connector
(2)Radio Connector
(3)Sunload Temperature Sensor
(4)Transfer Case Shift Control Switch
(5)HVAC Control Module
(6)Instrument Panel Cluster (IPC) Connector
(7)Instrument Panel (IP)
(8)Rear Wiper/Washer and Endgate/Liftgate Window Release Switch
(9)Courtesy Lamp - Left Console
(10)S240
(11)Body Control Module (BCM) Connector C3
(12)C224
(13)S275
(14)S205
(15)S283
(16)S208
(17)Splice Pack SP203
(18)S272
(19)S274
(20)S273
(21)S280
(22)S223
(23)Courtesy Lamp - Right Console
(24)C102
(25)C203
(26)Door Jamb Switch - Front Passenger
(27)I/P Compartment Lamp
(28)Ambient Light Sensor
(29)Speaker - RF
Figure 15:

IP Harness, Underhood Lamp


Object Number: 357127  Size: LF
(1)Hood
(2)Underhood Lamp
(3)G117
(4)G120
(5)Underhood Lamp Connector
Figure 16:

License Lamp Wiring (Fleetside Pickup)


Object Number: 357374  Size: LF
(1)License Lamp Bulb
(2)License Lamp
(3)License Lamp Bulb
(4)License Lamp
Figure 17:

License Lamp Wiring (Sportside Pickup)


Object Number: 357377  Size: LF
(1)License Plate - Center
(2)C430
Figure 18:

License Lamp Wiring (Utility)


Object Number: 357381  Size: MF
(1)License Lamp
(2)License Lamp
(3)License Lamp Harness
(4)Bumper - Rear
Figure 19:

License Lamp Wiring (Sportside Pickup)


Object Number: 357377  Size: LF
(1)License Plate - Center
(2)C430
Figure 20:

Manual Transmission (2.2 L)


Object Number: 357136  Size: LF
(1)Vehicle Speed Sensor (VSS)
(2)Backup Lamp Switch
(2)Backup Lamp Switch
(3)Heated Oxygen Sensor (HO2S) Bank 1 Sensor 1
(4)C117
Figure 21:

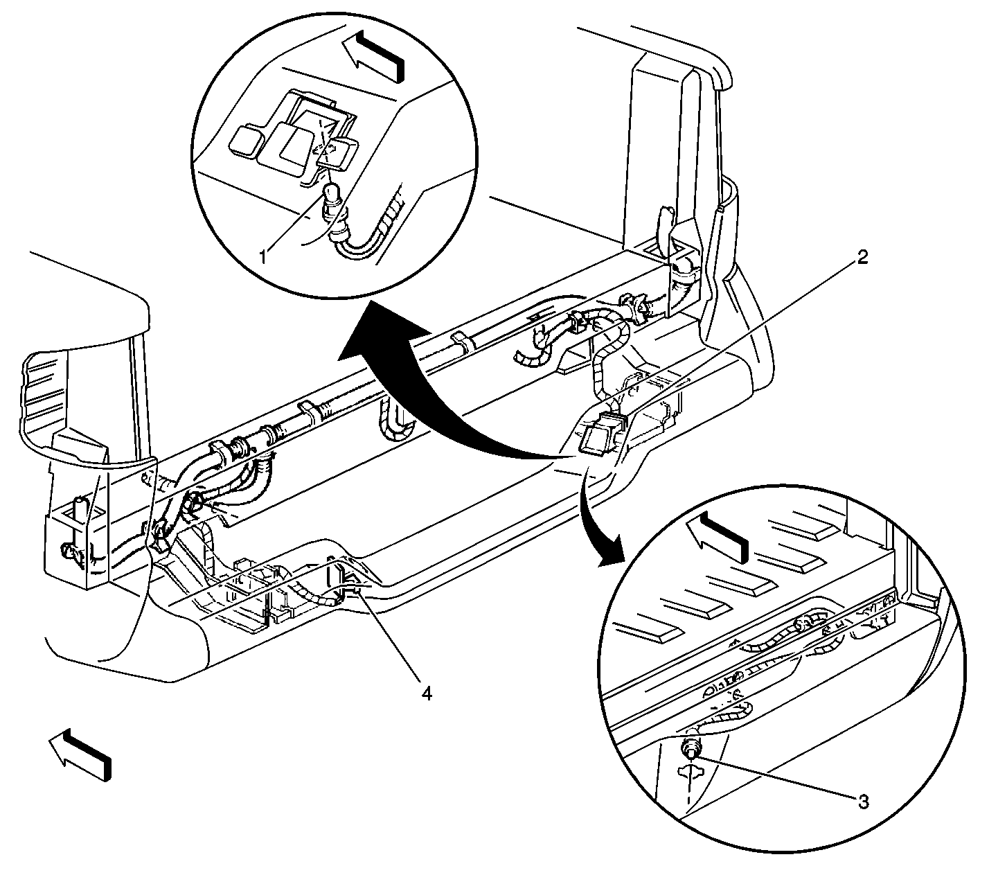
Rear Frame (4-Door Utility)


Object Number: 357334  Size: LF
(1)Trailer Wiring Provision
(2)Splice Pack SP423
(3)Evaporative Emissions (EVAP) Canister Vent Solenoid
(4)C430
(5)Fuel Filler Neck Ground Strap
(6)G402
Figure 22:

Rear Lamps (Pickup)


Object Number: 357373  Size: LF
(1)Marker Lamp - RR
(2)Park/Turn Signal Lamp - RR
(3)Backup Lamp - Right
(4)Splice Pack SP400
(5)Backup Lamp - Left
(6)Marker Lamp - LR
(7)Park/Turn Signal Lamp - LR
Figure 23:

Rear Lamps Connection (Utility LH Side Shown, RH Side Similar)


Object Number: 357368  Size: LF
(1)C403 (LH) and C402 (RH)
(2)S417 (LH) and S418 (RH)
(3)S415 (LH) and S416 (RH)
(4)S419 (LH) and S420 (RH)
(5)P402 (LH) and P403 (RH)
(6)Park/Turn Signal Lamps - LR (RR Similar) Upper and Lower
(7)Backup Lamp - Left (Right Similar)
Figure 24:

Rear Lamp Connections (Export)


Object Number: 406332  Size: LF
(1)C403 (LH) and C402 (RH)
(2)S419 (LH) and S420 (RH)
(3)P402 (RH) and P403 (LH)
(4)Tail, Turn Signal, and Backup Lamps, LR (RR Opposite)
(5)Fog Lamp - Rear
Figure 25:

Rear Roof (Utility)


Object Number: 357361  Size: LF
(1)Center High Mounted Stop Lamp (CHMSL) (w/ Endgate)
(2)Cargo Lamp (w/ Endgate)
(3)Center High Mounted Stop Lamp (CHMSL) (w/ Liftgate)
(4)Cargo Lamp (w/ Liftgate)
(5)P904 (w/ Endgate)
Figure 26:

Door Jamb Switch Harness and Connector, RR (LR Similar)


Object Number: 357310  Size: LF
(1)Door Opening Frame (4-Door)
(2)Door Jamb Switch Harness and Connector
(3)S305 (Right) or S308 (Left) (4-Door)
(4)Body Side Panel - Right (2-Door)
(5)Speaker - RR (2-Door)