GM Service Manual Online
For 1990-2009 cars only

Removal Procedure

  1. Remove the door trim panel. Refer to Rear Side Door Trim Panel Replacement .

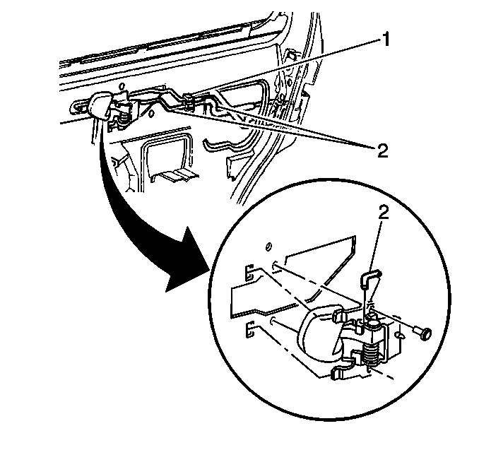
  2. Object Number: 294647  Size: SH
  3. Remove the inside door handle rod (2).
  4. Remove the inside door handle retaining rivets.
  5. Remove the inside door handle from the door by sliding the handle rearward.

Installation Procedure


    Object Number: 294647  Size: SH
  1. Install the inside door handle to the door by sliding the handle forward.
  2. Ensure that the handle is properly seated.

  3. Install the inside door handle retaining rivets.
  4. Install the inside door handle rod (2).
  5. Install the door trim panel. Refer to Rear Side Door Trim Panel Replacement .