GM Service Manual Online
For 1990-2009 cars only
Makes
🢒
Chevrolet
🢒
2001
🢒
Blazer - 2WD
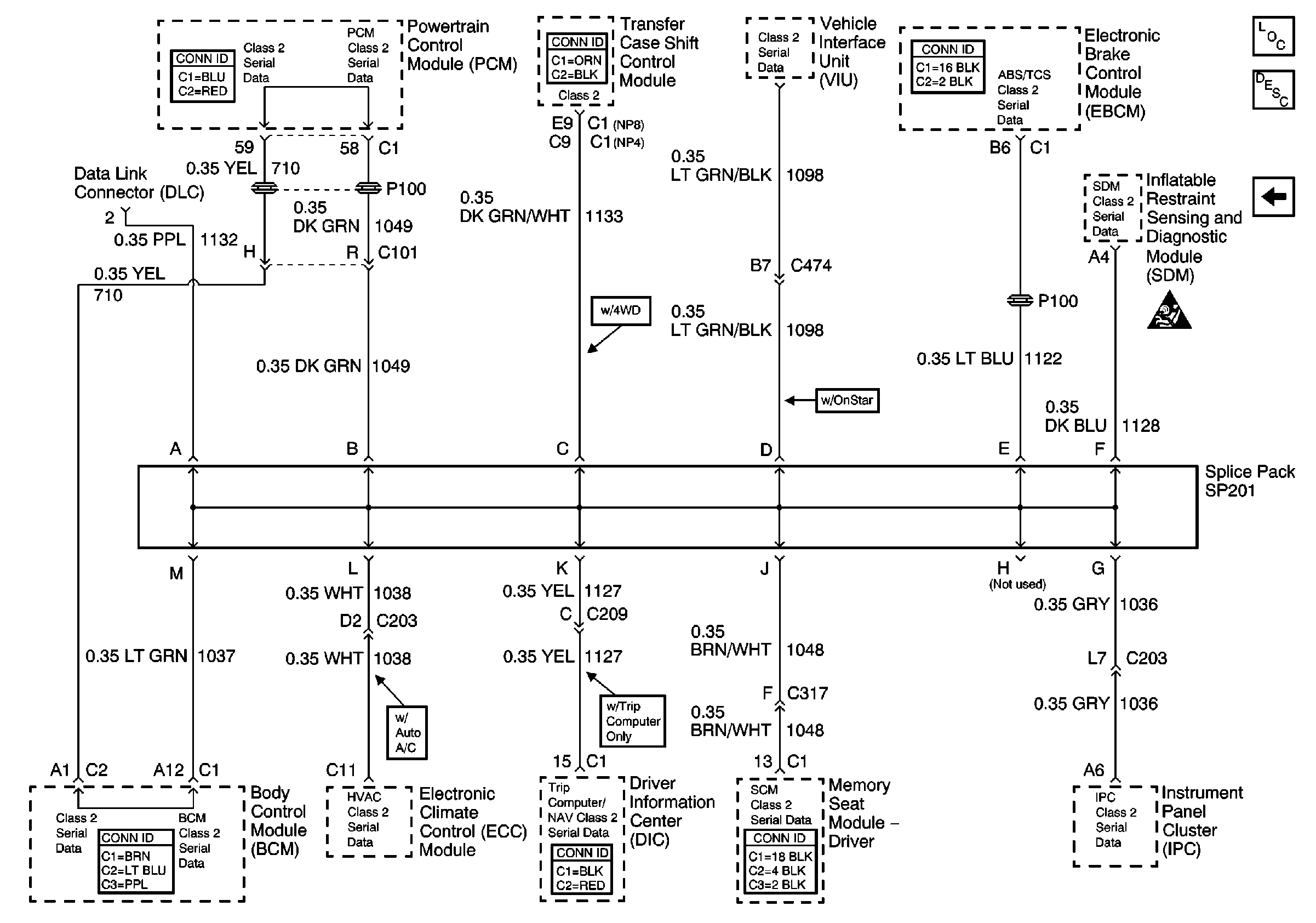
🢒 SP201 (4.3L)
SP201 (4.3L)
SP201 (4.3L)
Master Electrical Component List
Data Link Communications Description and Operation
SP201 (2.2L)
SIR Handling Caution