GM Service Manual Online
For 1990-2009 cars only
Makes
🢒
Chevrolet
🢒
2001
🢒
Blazer - 2WD
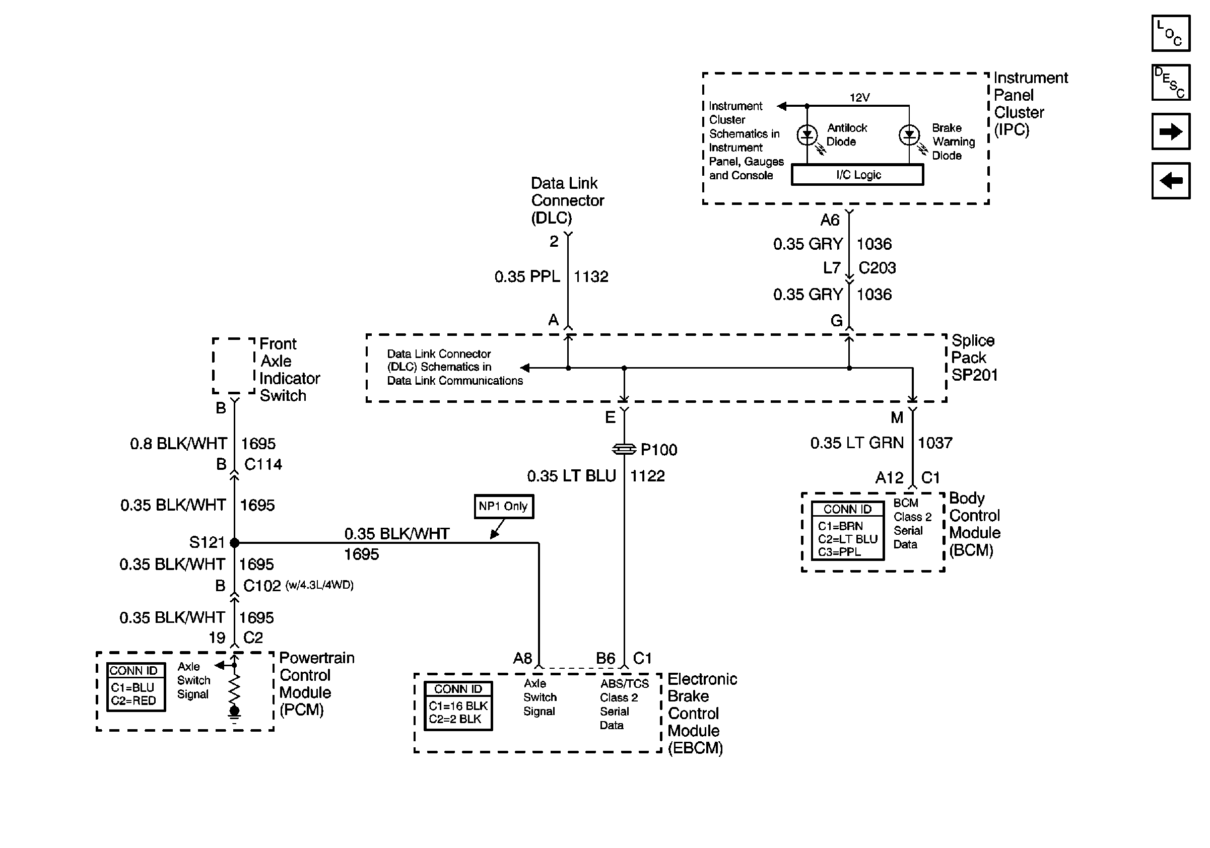
🢒 Class 2 Communication
Class 2 Communication
Class 2 Communication
Master Electrical Component List
ABS Description and Operation
Speed Sensor Signals
Power and Ground
Indicators
SP201 (2.2L)