GM Service Manual Online
For 1990-2009 cars only
Makes
🢒
Chevrolet
🢒
2001
🢒
Blazer - 2WD
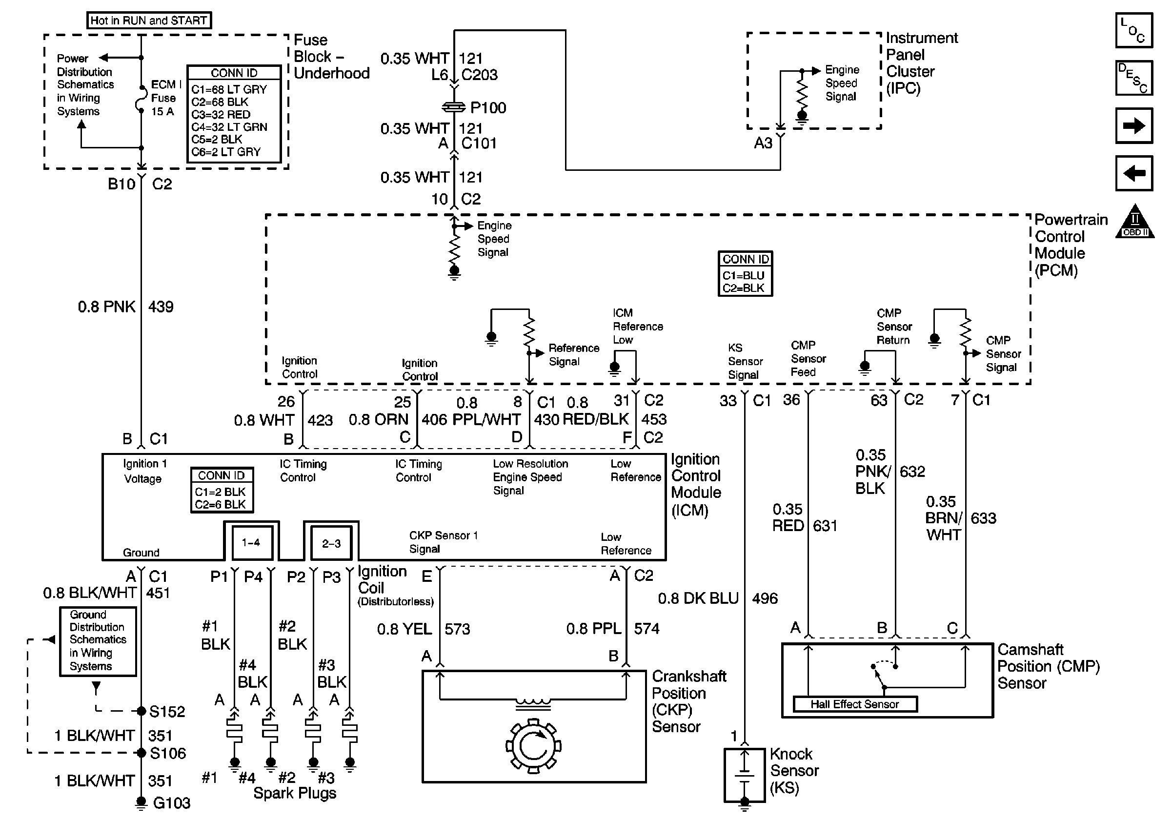
🢒 Ignition Controls
Ignition Controls
Ignition Controls
Master Electrical Component List
Powertrain Control Module Description
Fuel Injectors and Fuel Pump
Vehicle Speed Sensor (VSS) Signal
OBD II Symbol Description Notice
ECM I Fuse
G103 and G105 (2.2 L)