GM Service Manual Online
For 1990-2009 cars only
Makes
🢒
Chevrolet
🢒
2001
🢒
Blazer - 2WD
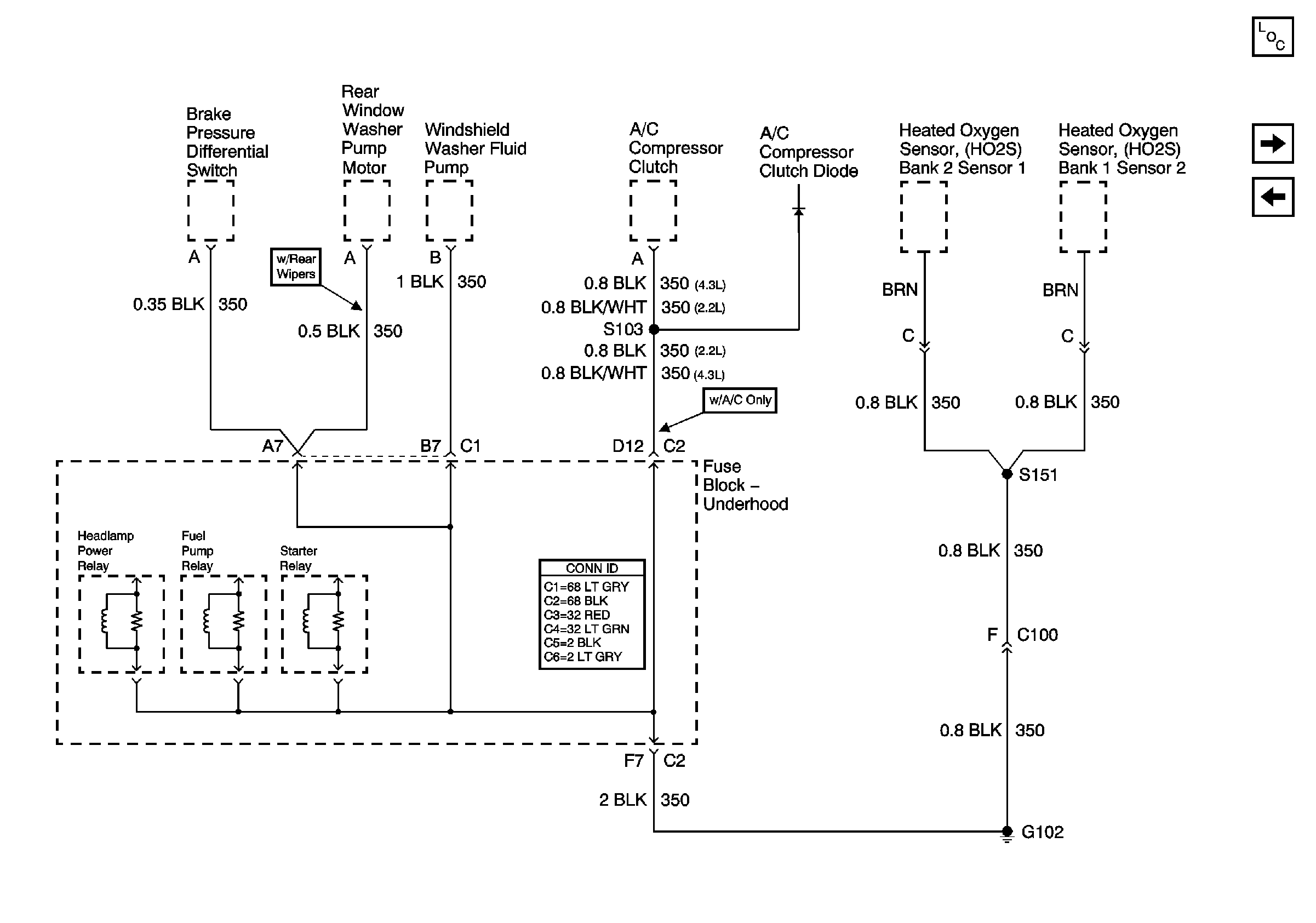
🢒 G102 (Export)
G102 (Export)
G102 (Export)
Master Electrical Component List
G103 and G105 (2.2 L)
G102 (Except Export)