GM Service Manual Online
For 1990-2009 cars only
Makes
🢒
Chevrolet
🢒
2001
🢒
Blazer - 2WD
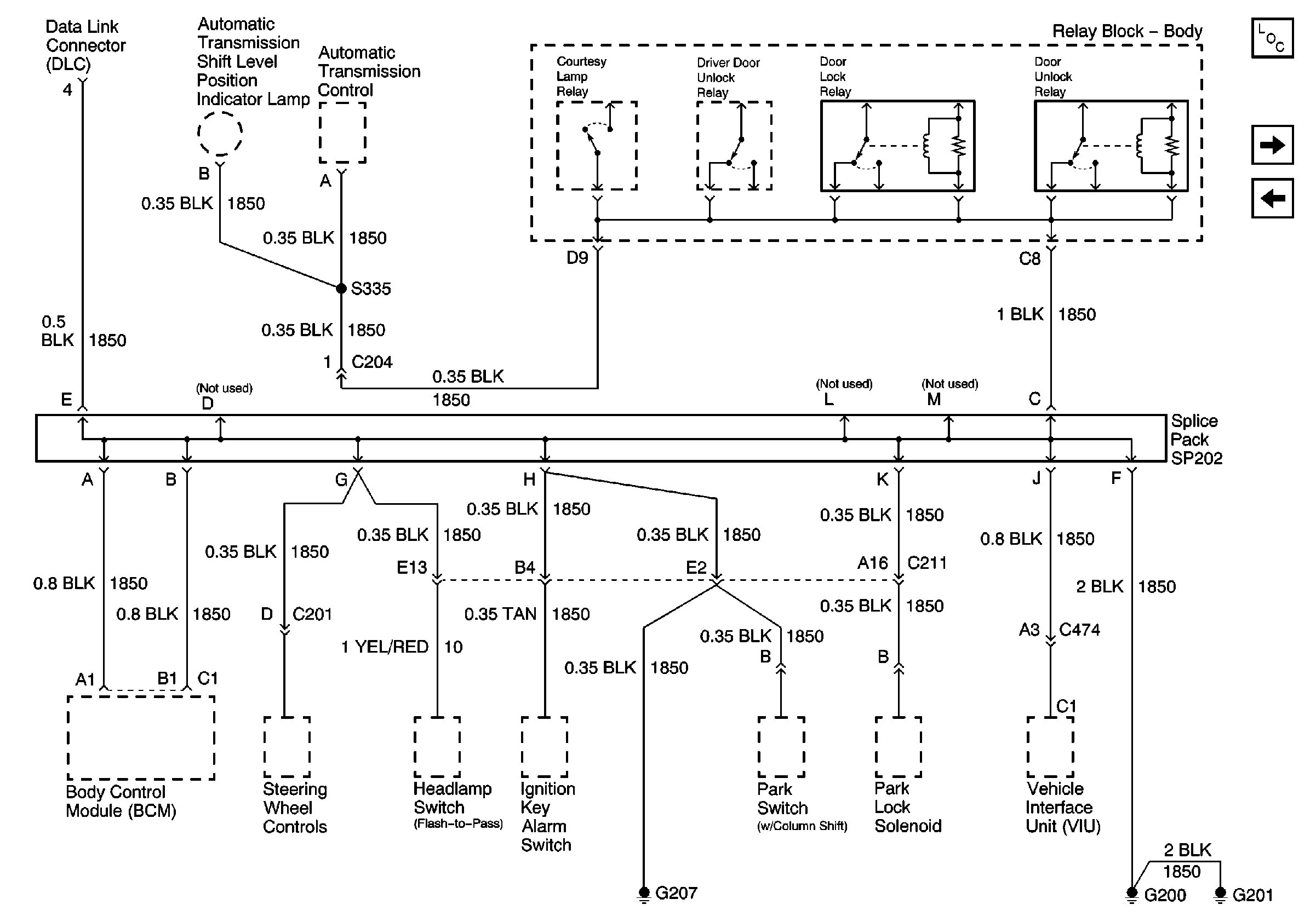
🢒 G200, G201 and G207 (Envoy)
G200, G201 and G207 (Envoy)
G200, G201 and G207 (Envoy)
Master Electrical Component List
G200, G201 and G207 (Export)
G200, G201 and G207 (Utility)