GM Service Manual Online
For 1990-2009 cars only
Makes
🢒
Chevrolet
🢒
2001
🢒
Blazer - 2WD
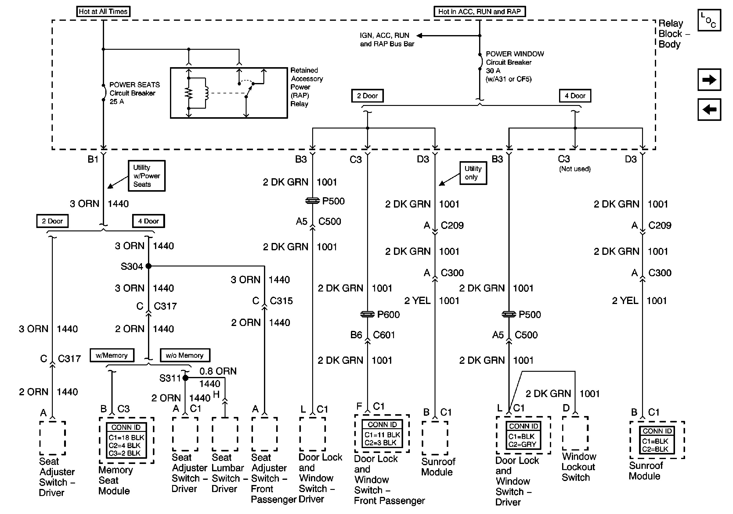
🢒 Power Seats, Power Windows Circuit Breakers and RAP Relay
Power Seats, Power Windows Circuit Breakers and RAP Relay
Power Seats, Power Windows Circuit Breakers and RAP Relay
Master Electrical Component List
RDO IGN and STR WHL RDO IGN Fuses
ECM I Fuse
Ign ACC, RUN and RAP Bus Bar