GM Service Manual Online
For 1990-2009 cars only
Makes
🢒
Chevrolet
🢒
2001
🢒
Blazer - 2WD
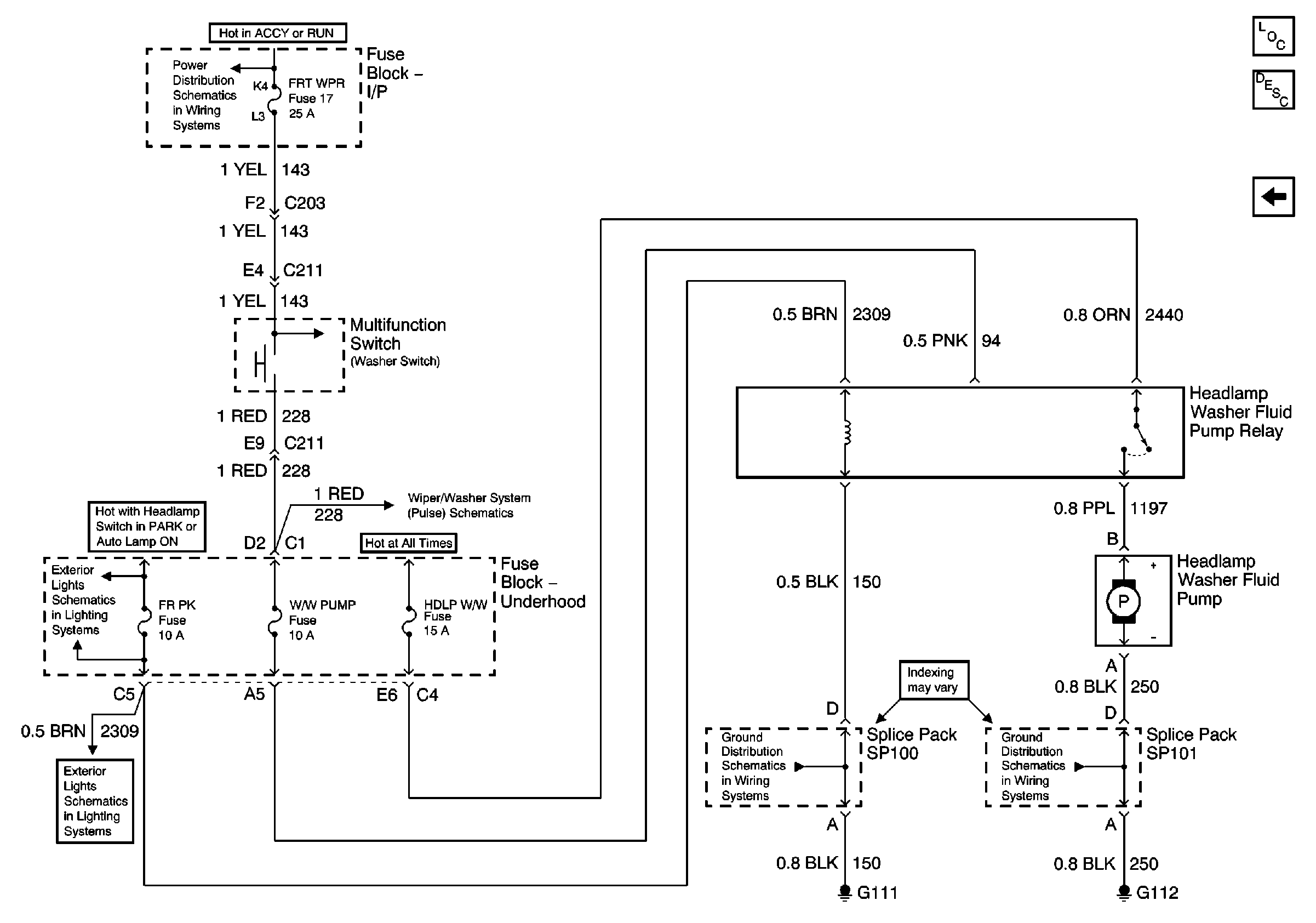
🢒 Headlamp Washer System (Export Only)
Headlamp Washer System (Export Only)
Headlamp Washer System (Export Only)
Master Electrical Component List
Headlamp Washer System Description and Operation
Rear Wipers
Ign ACC, RUN and RAP Bus Bar
Park Lamp and Marker Lamps, Front
Pulse Wipers
Park Lamp and Marker Lamps, Front
G109, G111, G112 and G113 (Except Export)
G109, G111, G112 and G113 (Except Export)