GM Service Manual Online
For 1990-2009 cars only
Makes
🢒
Chevrolet
🢒
2001
🢒
Blazer - 2WD
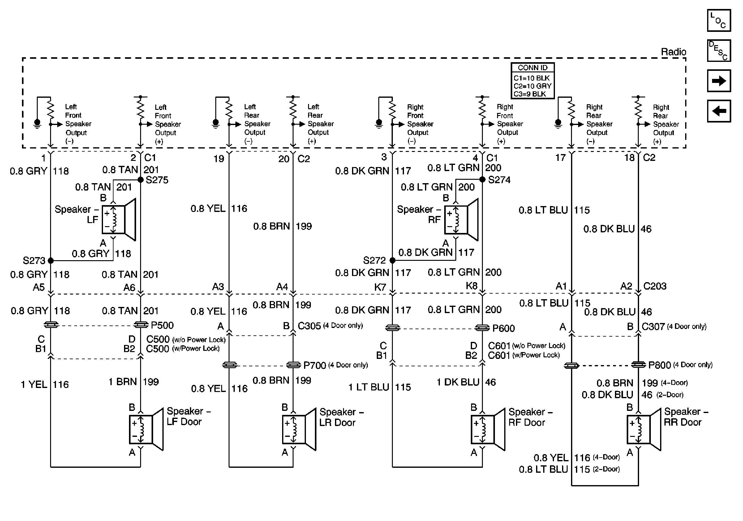
🢒 Speakers (Chevy/GMC Crew Cab and Utility Except Envoy)
Speakers (Chevy/GMC Crew Cab and Utility Except Envoy)
Speakers (Chevy/GMC Crew Cab and Utility Except Envoy)
Master Electrical Component List
Radio/Audio System Description and Operation w/o CTF
Remote Tape/CD Player (Chevy/GMC)
Speakers (Extended Cab w/o 3rd Door - Chevy/GMC)