GM Service Manual Online
For 1990-2009 cars only
Makes
🢒
Chevrolet
🢒
2001
🢒
Blazer - 2WD
🢒 Air Delivery System
Air Delivery System
Air Delivery System
Master Electrical Component List
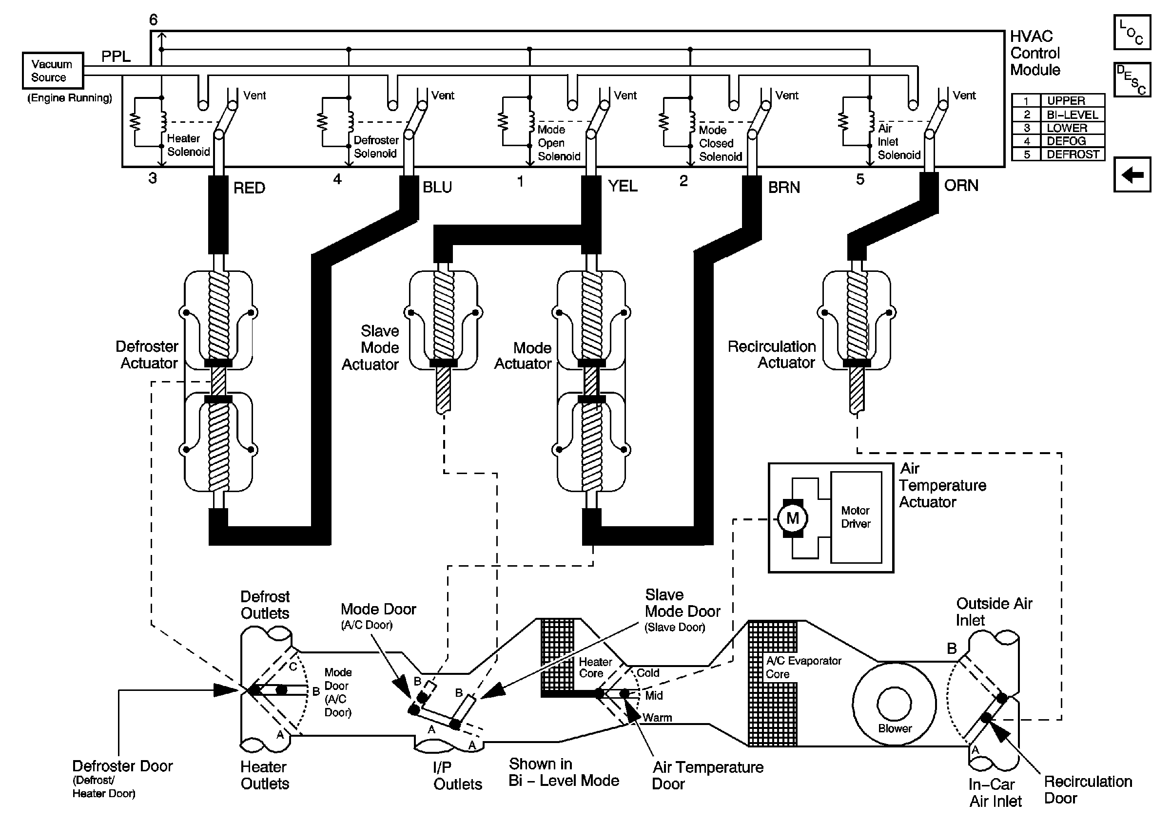
Air Delivery Description and Operation 2.2L and 4.3L
Air Delivery/Temperature Controls (Heat and A/C)