GM Service Manual Online
For 1990-2009 cars only

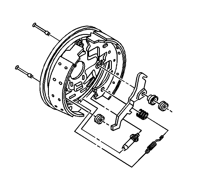
Removal Procedure

Caution: Refer to Brake Dust Caution in the Preface section.


    Object Number: 159798  Size: SH
  1. Release the park brake, if applied.
  2. Raise the vehicle. Refer to Lifting and Jacking the Vehicle in General Information.
  3. Remove the tire and wheel. Refer to Tire and Wheel Removal and Installation in Tires and Wheels.
  4. Remove the brake drum. Refer to Brake Drum Replacement .
  5. Using denatured alcohol, clean the rear brake shoes and the hardware.
  6. Using non-lubricated, filtered compressed air, dry the rear brakes and hardware.

  7. Object Number: 796432  Size: SH
  8. Remove the brake adjusting hardware. Refer to Drum Brake Adjusting Hardware Replacement .

  9. Object Number: 394650  Size: SH
  10. Remove the park brake hardware. Refer to Park Brake Hardware Replacement in Park Brake.

  11. Object Number: 793099  Size: SH
  12. Remove the rear brake shoes.

Installation Procedure


    Object Number: 794173  Size: SH
  1. Lubricate the brake shoe backing plate with a thin coat of high temperature silicone lubricant.

  2. Object Number: 394650  Size: SH
  3. Install the park brake hardware. Refer to Park Brake Hardware Replacement in Park Brake.

  4. Object Number: 794176  Size: SH
  5. Lubricate the adjuster screw.

  6. Object Number: 796432  Size: SH
  7. Install the brake adjusting hardware. Refer to Drum Brake Adjusting Hardware Replacement .

  8. Object Number: 750553  Size: SH
  9. Adjust the rear brake and drum. Refer to Drum Brake Adjustment .
  10. Install the brake drum

  11. Object Number: 794054  Size: SH
  12. Adjust the rear brakes.
  13. Install the tire and wheel. Refer to Tire and Wheel Removal and Installation in Tires and Wheels.
  14. Lower the vehicle. Refer to Lifting and Jacking the Vehicle in General Information.