GM Service Manual Online
For 1990-2009 cars only
Makes
🢒
Chevrolet
🢒
2003
🢒
Blazer - 2WD
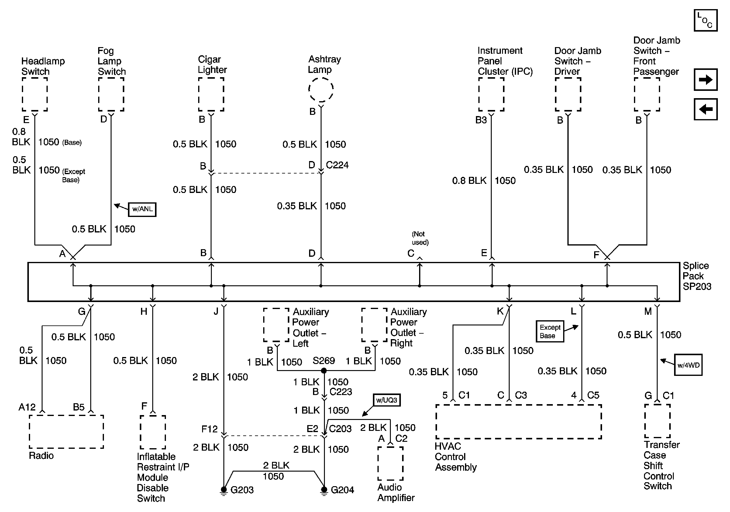
🢒 G203 and G204 - Pickup
G203 and G204 - Pickup
G203 and G204 - Pickup
Master Electrical Component List
G203 and G204 - Utility w/Manual A/C
G202 - Utility and Crew Cab