GM Service Manual Online
For 1990-2009 cars only
Makes
🢒
Chevrolet
🢒
2005
🢒
Blazer - 2WD
🢒
Body
🢒
Wiring Systems
🢒 Theft Deterrent System Schematics
Figure
1:
Power, Ground and Passlock⢠Sensor
Master Electrical Component List
Theft Systems Description and Operation
Door Jamb Switch Inputs
STUD 2, ABS, HDLP W/W, TBC and RR W/W Fuses
G200, G201,G207-Crew Cab
04 S/T Classic DaClass 2 Serial Data
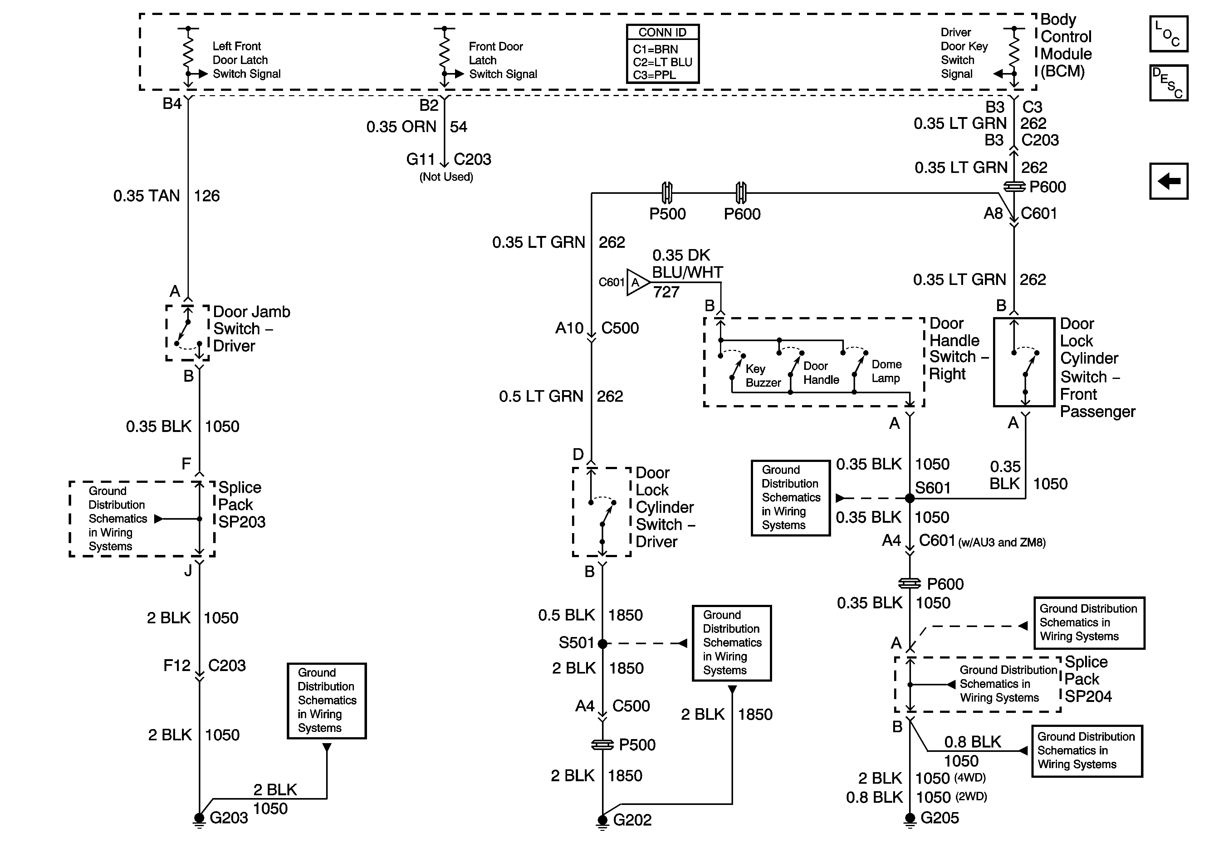
Figure
2:
Door Jamb Switch Inputs
Master Electrical Component List
Theft Systems Description and Operation
Door Handle Switch Inputs
Power, Ground and Passlock Sensor
Door Handle Switch Inputs
G420, G450 and S427
G200, G201,G207-Crew Cab
Figure
3:
Door Handle Switch Inputs
Master Electrical Component List
Theft Systems Description and Operation
Door Jamb Switch Inputs
G203 and G204 - Utility w/Manual A/C
Door Jamb Switch Inputs
G205
G205