GM Service Manual Online
For 1990-2009 cars only
Makes
🢒
Chevrolet
🢒
2005
🢒
Blazer - 2WD
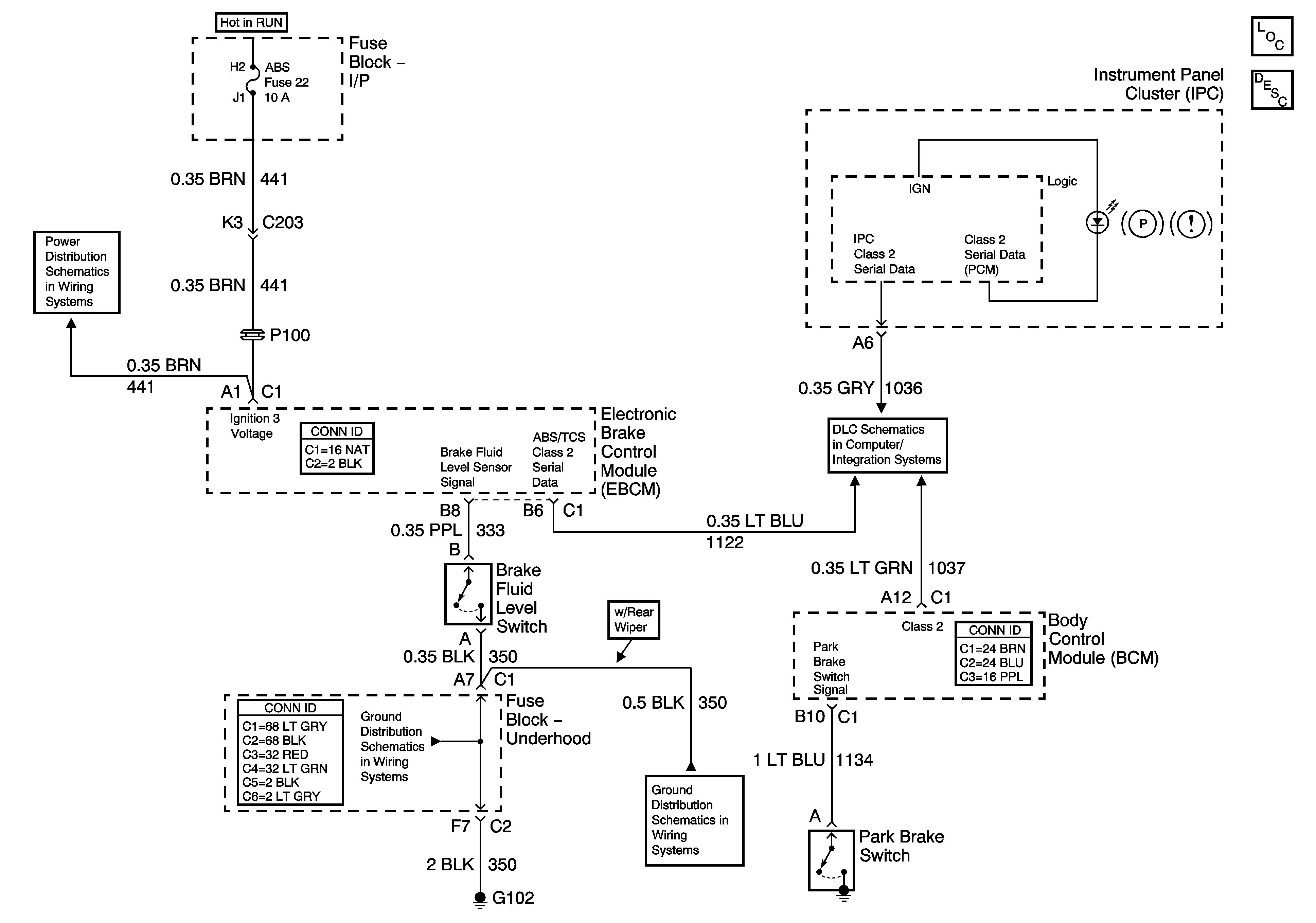
🢒 Brake Warning System Schematics
Brake Warning System Schematics
Master Electrical Component List
Brake Warning System Description and Operation
RR WPR, FRT WPR and ABS Fuses
04 S/T Classic DaClass 2 Serial Data
G102
G102
G102