GM Service Manual Online
For 1990-2009 cars only
Makes
🢒
Chevrolet
🢒
2005
🢒
Blazer - 2WD
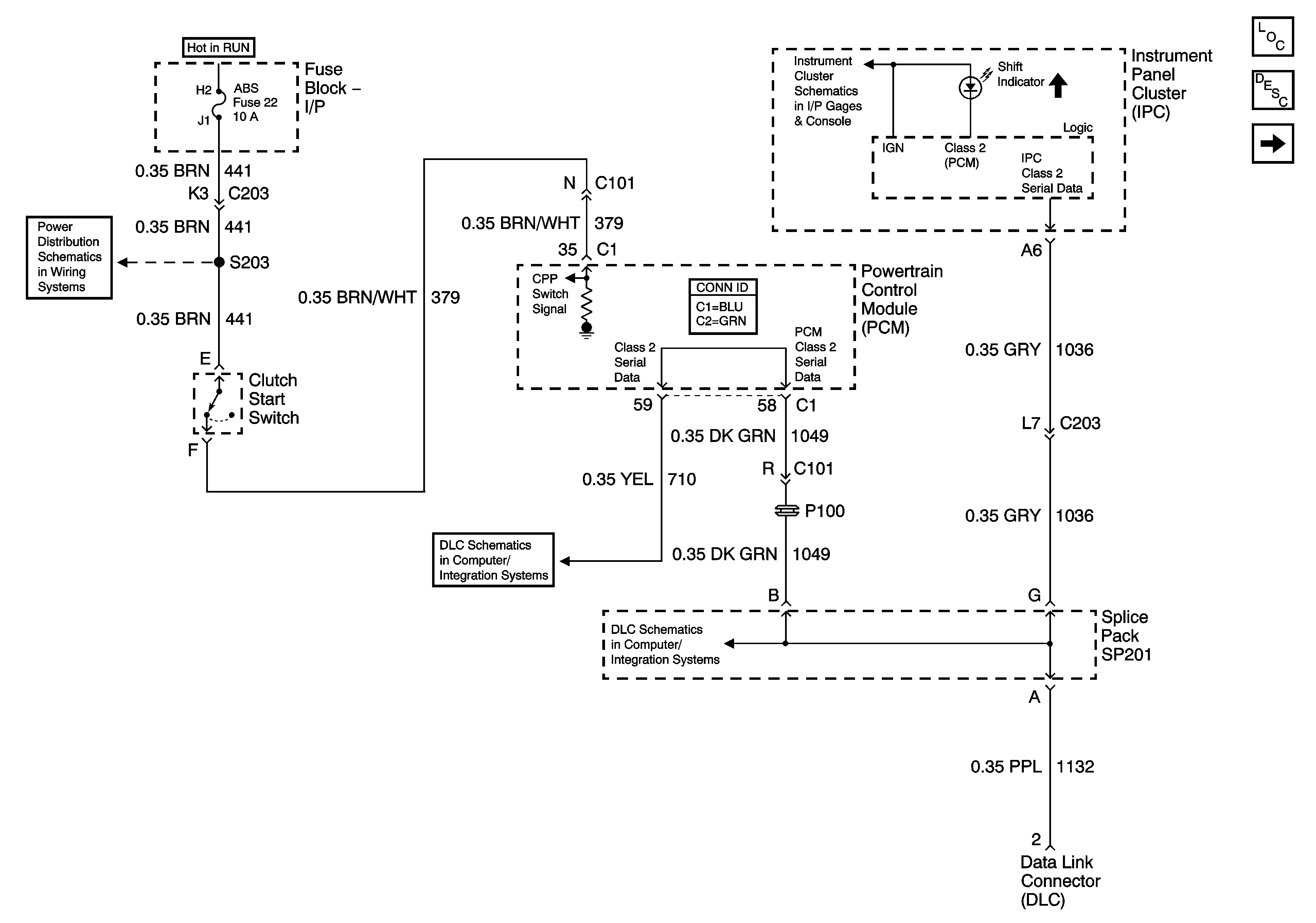
🢒 Shift Indicator
Shift Indicator
Shift Indicator
Master Electrical Component List
Transmission System Description and Operation
Vehicle Speed Sensor - VSS
RR WPR, FRT WPR and ABS Fuses
04 S/T Classic DaClass 2 Serial Data
04 S/T Classic DaClass 2 Serial Data
Indicators