GM Service Manual Online
For 1990-2009 cars only
Makes
🢒
Chevrolet
🢒
2005
🢒
Blazer - 2WD
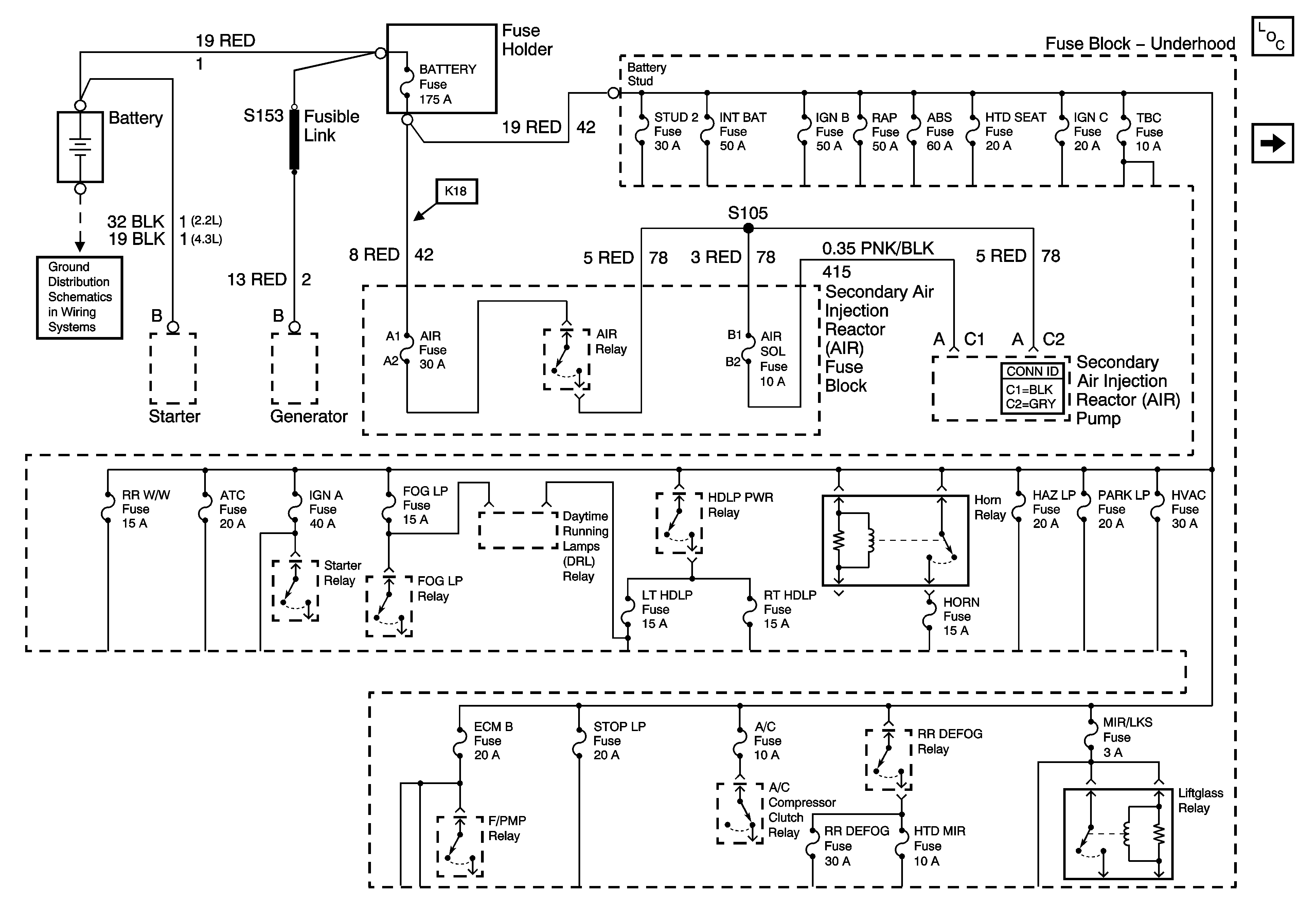
🢒 B+ Bus Bar
B+ Bus Bar
B+ Bus Bar
Master Electrical Component List
Ign RUN and START Bus Bar
G100, G101, G106, G107, G108 and G110