GM Service Manual Online
For 1990-2009 cars only
Makes
🢒
Chevrolet
🢒
2005
🢒
Blazer - 2WD
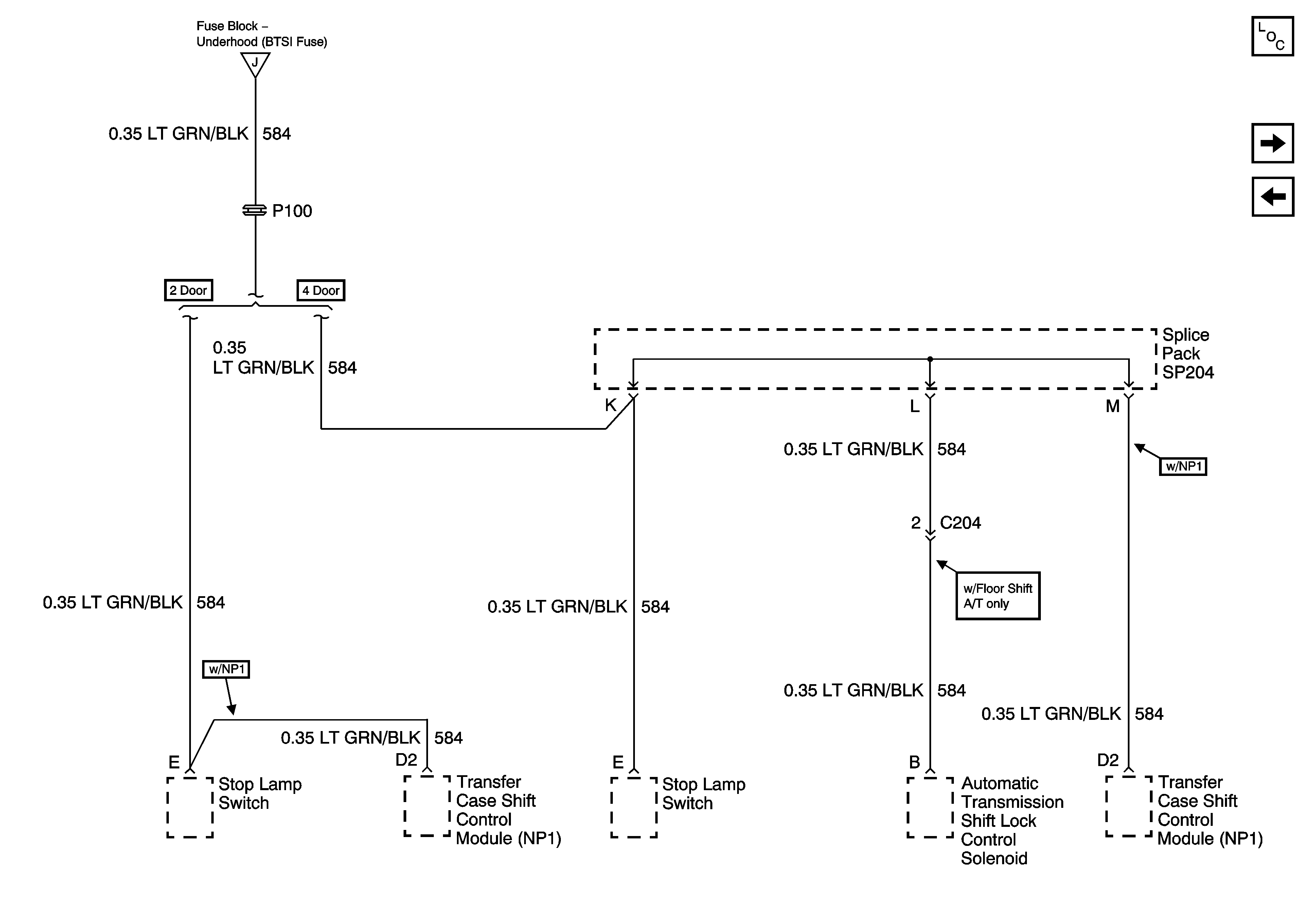
🢒 BTSI Fuse Power - Automatic Transmission
BTSI Fuse Power - Automatic Transmission
BTSI Fuse Power - Automatic Transmission
Master Electrical Component List
ENG I and OXYGEN Fuses
B/U LP, TRL B/U and BTSI Fuses A/T
B/U LP, TRL B/U and BTSI Fuses A/T