GM Service Manual Online
For 1990-2009 cars only
Makes
🢒
Chevrolet
🢒
2005
🢒
Blazer - 2WD
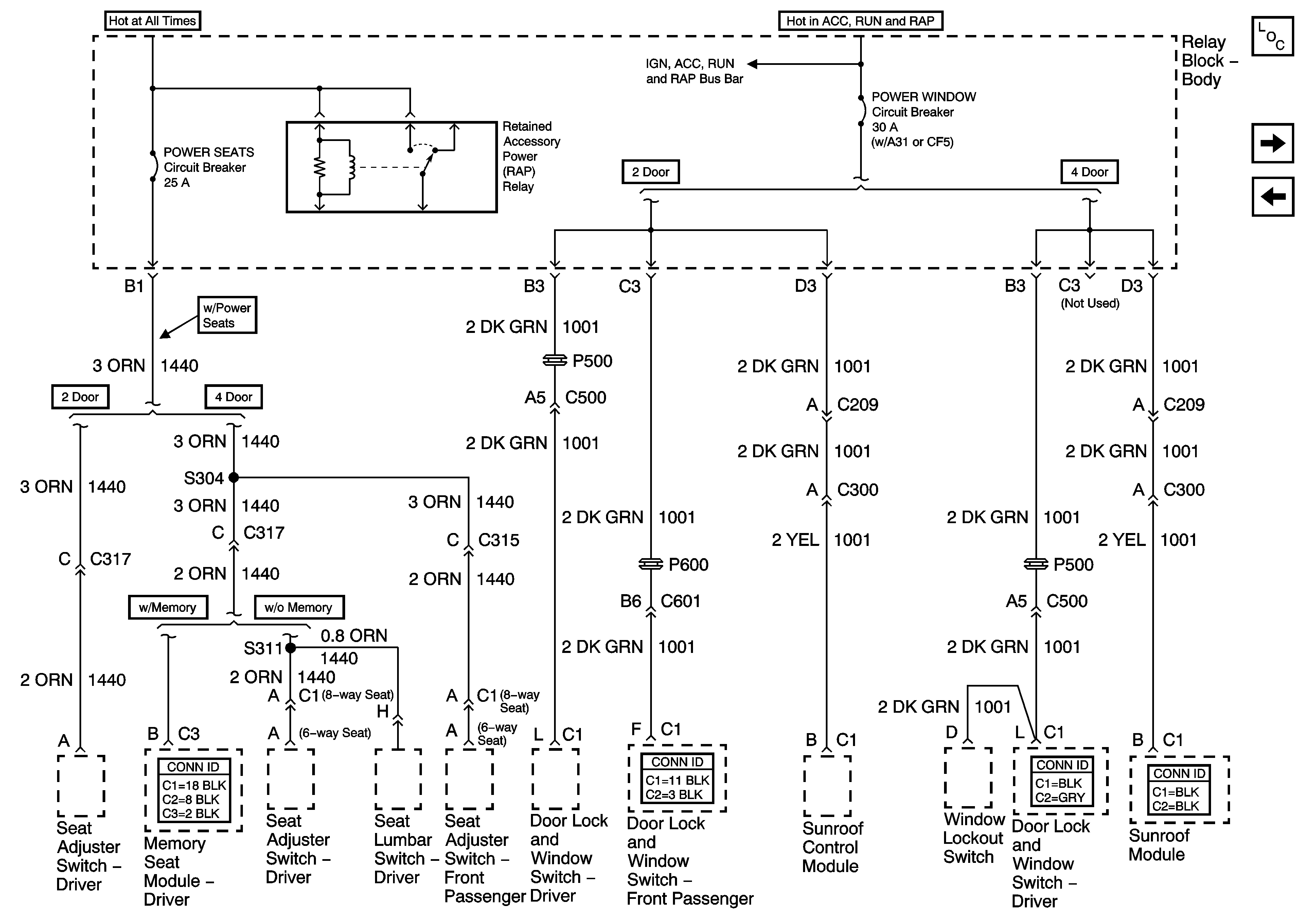
🢒 POWER SEATS, POWER WINDOW Circuit Breakers and RAP Relay
POWER SEATS, POWER WINDOW Circuit Breakers and RAP Relay
POWER SEATS, POWER WINDOW Circuit Breakers and RAP Relay
Master Electrical Component List
RR WPR, FRT WPR and ABS Fuses
RDO IGN and STR WHL RDO IGN Fuses
Ign ACC, RUN and RAP Bus Bar