GM Service Manual Online
For 1990-2009 cars only
Makes
🢒
Chevrolet
🢒
2005
🢒
Blazer - 2WD
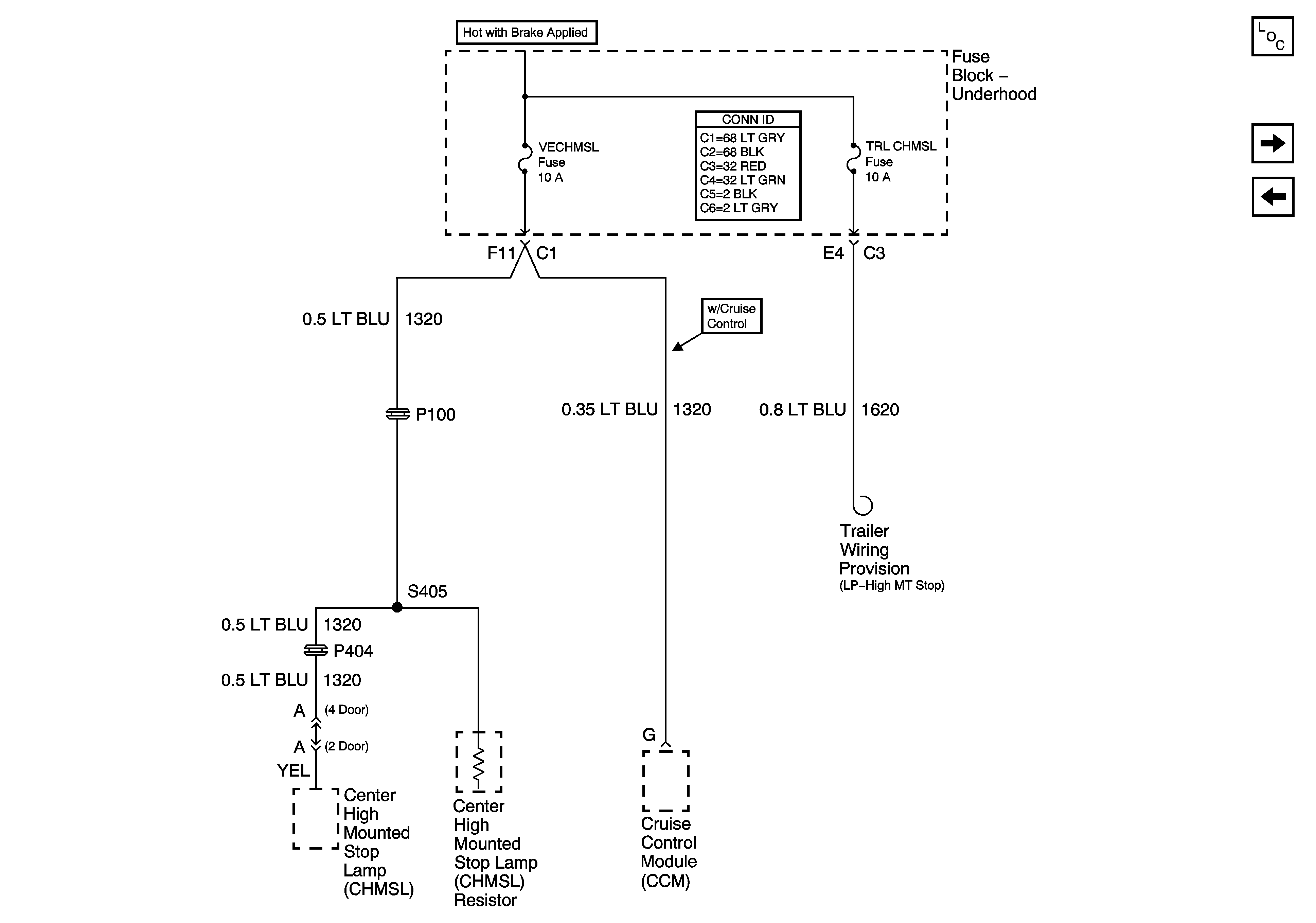
🢒 VECHMSL,TRCHMSL Fuses,CHMSL RLY
VECHMSL,TRCHMSL Fuses,CHMSL RLY
VECHMSL, TRCHMSL Fuses and CHMSL Relay
Master Electrical Component List
RT TURN, RT TRN and TRR TRN Fuses
HVAC and CRUISE Fuses