GM Service Manual Online
For 1990-2009 cars only
Makes
🢒
Chevrolet
🢒
2005
🢒
Blazer - 2WD
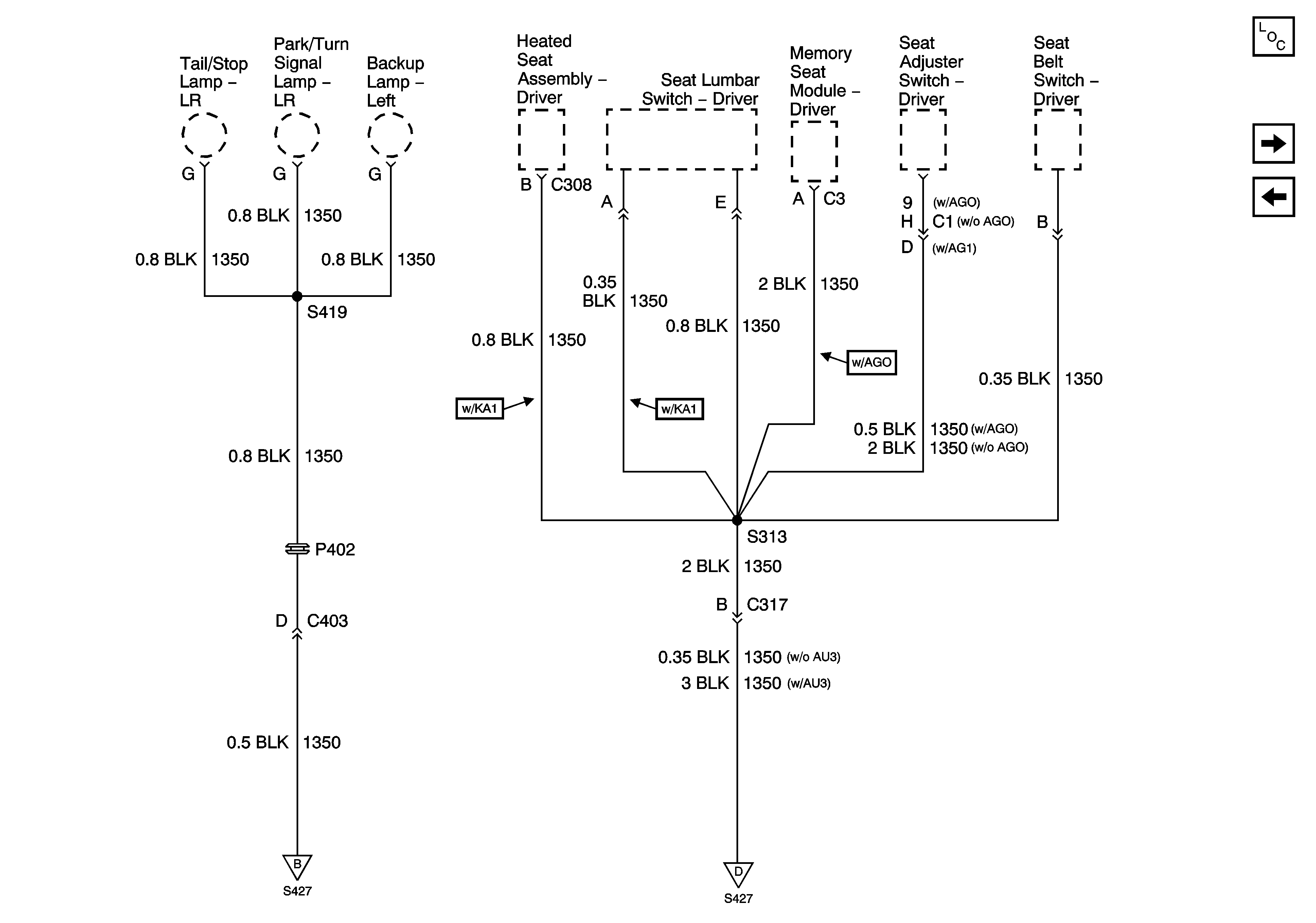
🢒 S313 and S419
S313 and S419
S313 and S419
Master Electrical Component List
S320 and S420
G205
G420, G450 and S427
G420, G450 and S427