GM Service Manual Online
For 1990-2009 cars only
Makes
🢒
Chevrolet
🢒
2005
🢒
Blazer - 2WD
🢒 Engine Data Sensors - Pressure and Temperature
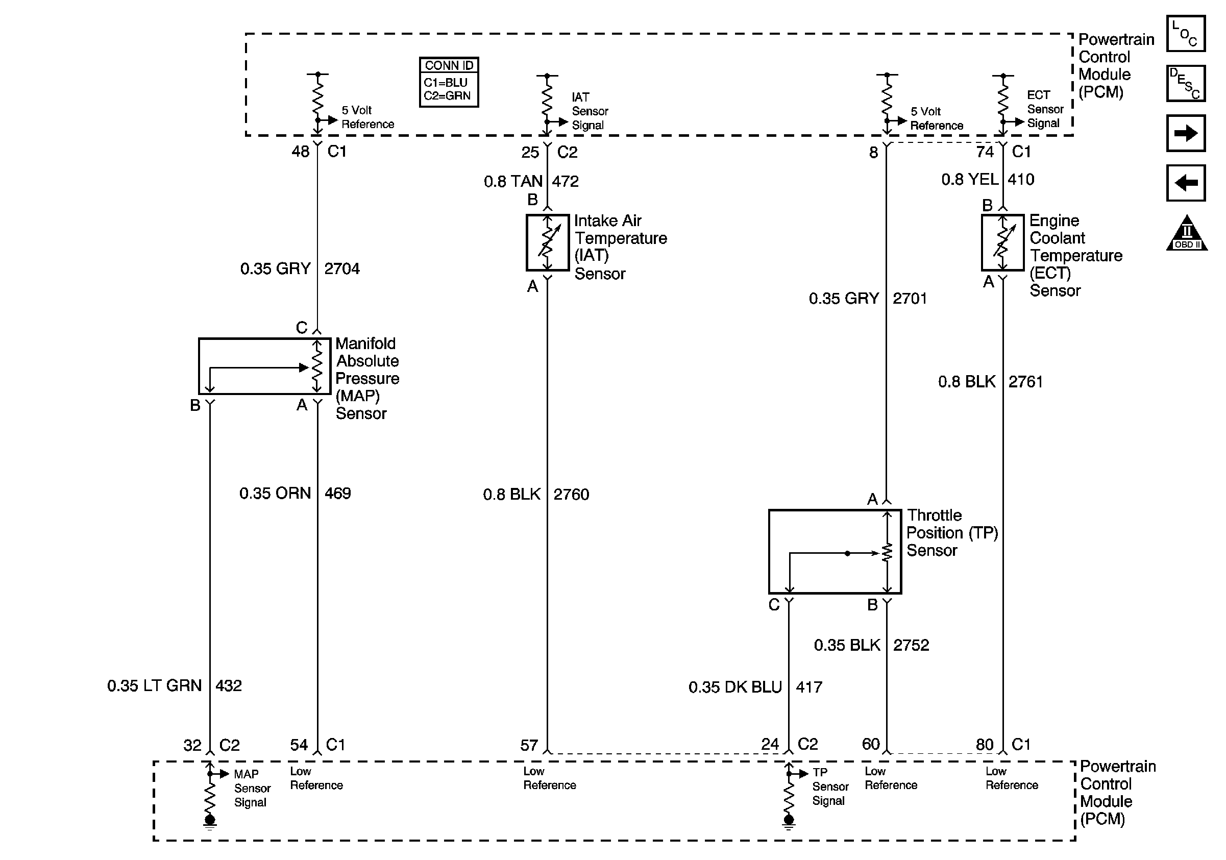
Engine Data Sensors - Pressure and Temperature
Engine Data Sensors - Pressure and Temperature
Master Electrical Component List
Air Intake System Description
Engine Data Sensors - MAF and VSS
Module Power, Ground, Serial Data and MIL
OBD II Symbol Description Notice