GM Service Manual Online
For 1990-2009 cars only
Makes
🢒
Chevrolet
🢒
2005
🢒
Blazer - 2WD
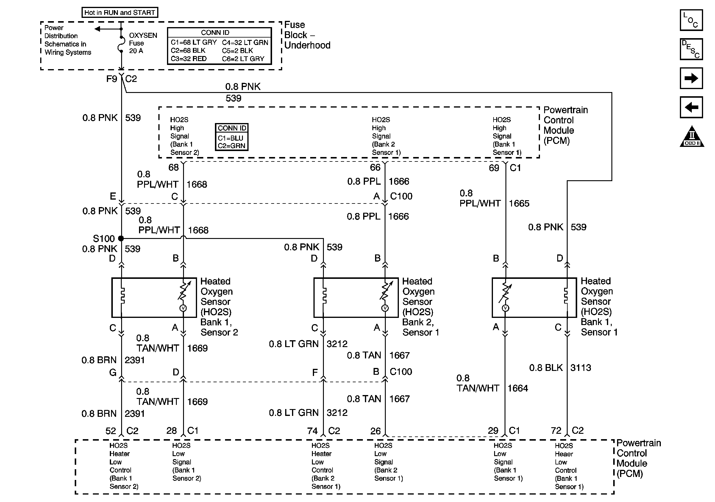
🢒 Oxygen Sensors - Except NM8
Oxygen Sensors - Except NM8
Heated Oxygen Sensors - Except NM8
Master Electrical Component List
Powertrain Control Module Description
Ignition Controls - Ignition System and Sensors
Engine Data Sensors - MAF and VSS
OBD II Symbol Description Notice
Ign RUN and START Bus Bar