GM Service Manual Online
For 1990-2009 cars only
Makes
🢒
Chevrolet
🢒
2005
🢒
Blazer - 2WD
🢒 Gages
Gages
Gages
Master Electrical Component List
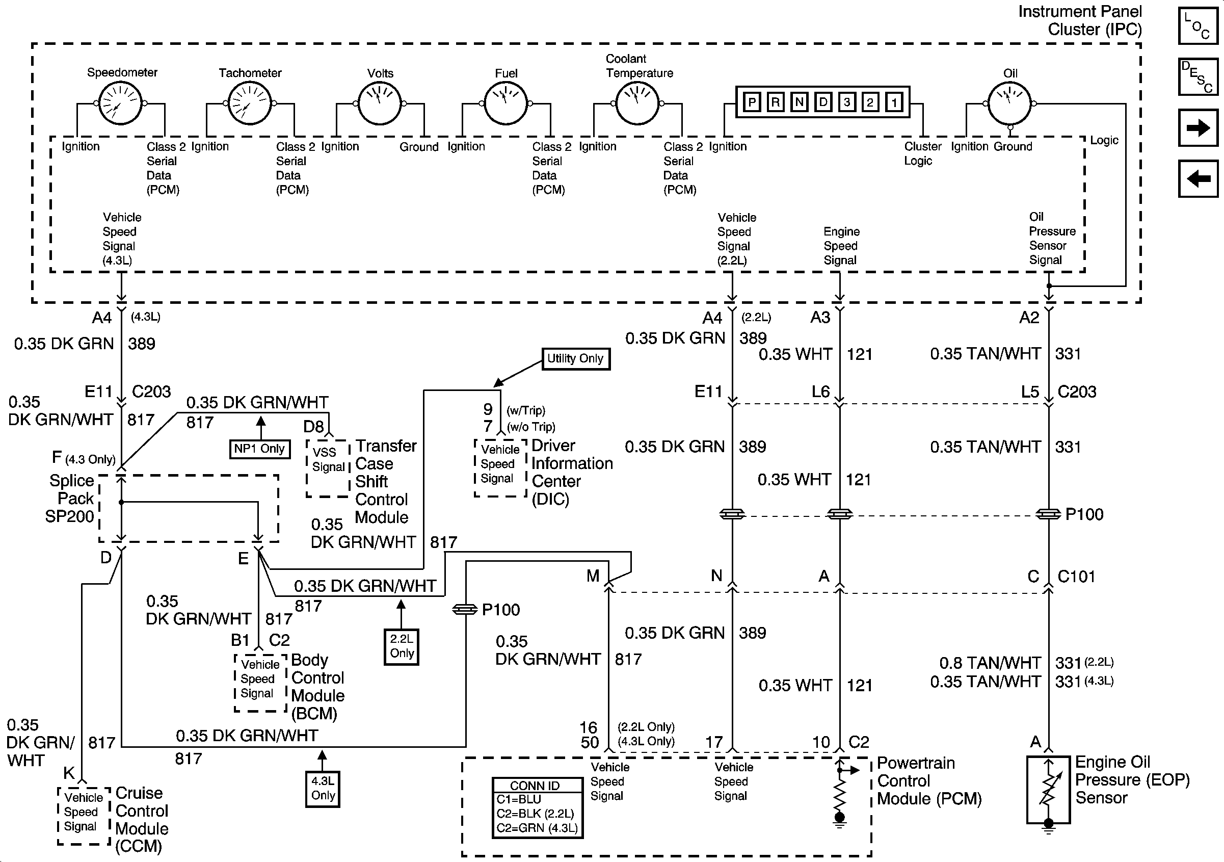
Instrument Cluster Description and Operation
Fuel Level Sensor Signal
Indicators