GM Service Manual Online
For 1990-2009 cars only
Makes
🢒
Chevrolet
🢒
2005
🢒
Blazer - 2WD
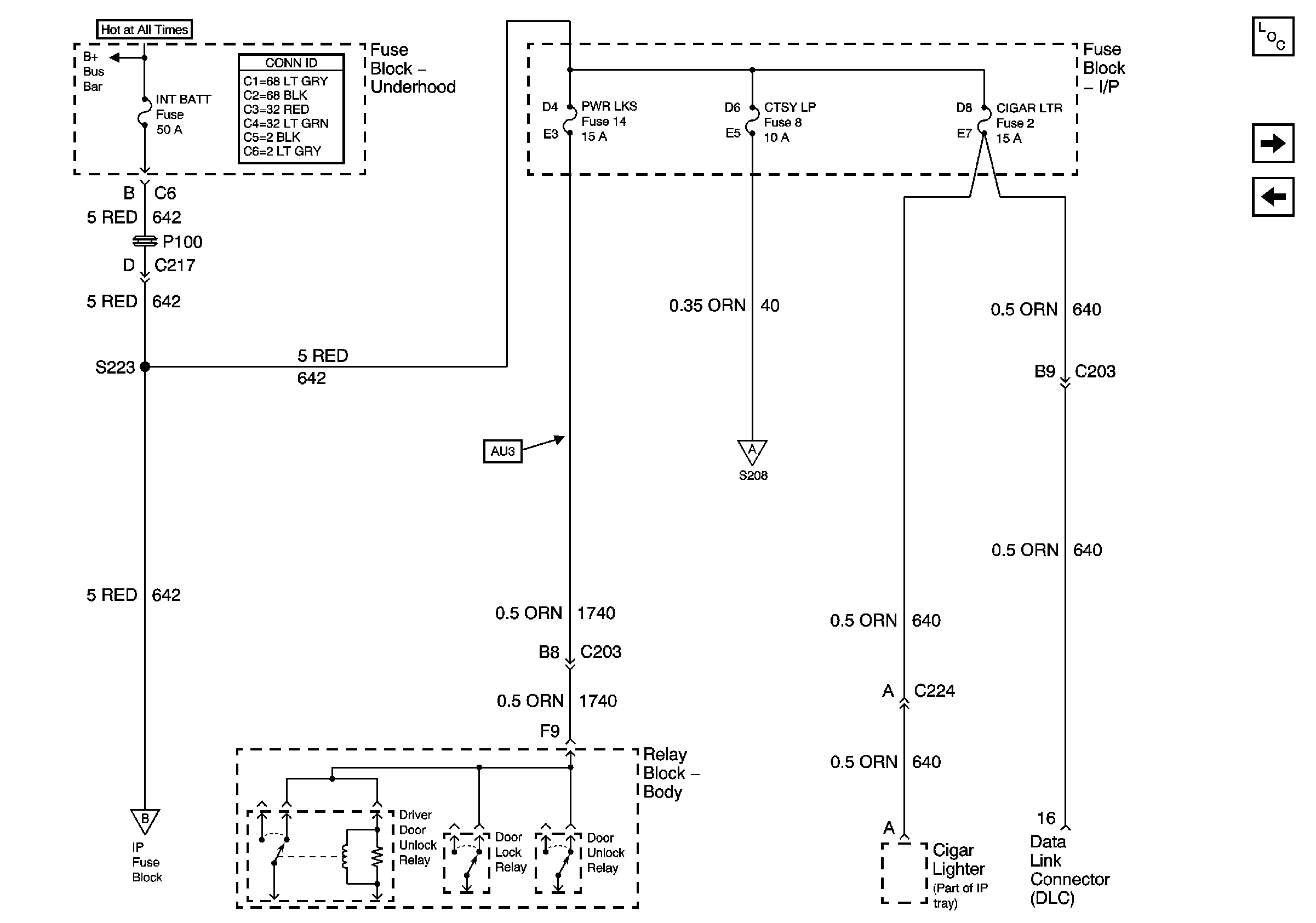
🢒 INT BATT, PWR LKS, AMPF, CTSY LP and CIGAR LTR Fuses
INT BATT, PWR LKS, AMPF, CTSY LP and CIGAR LTR Fuses
INT BATT, PWR LKS, CTSY LP and CIGAR LTR Fuses
Master Electrical Component List
Inadvertent Power Relay
STUD 2, ABS, HDLP W/W, TBC and RR W/W Fuses
B+ Bus Bar
Inadvertent Power Relay
AUX PWR, RDO BATT and HDLP SW Fuses