GM Service Manual Online
For 1990-2009 cars only
Makes
🢒
Chevrolet
🢒
2005
🢒
Blazer - 2WD
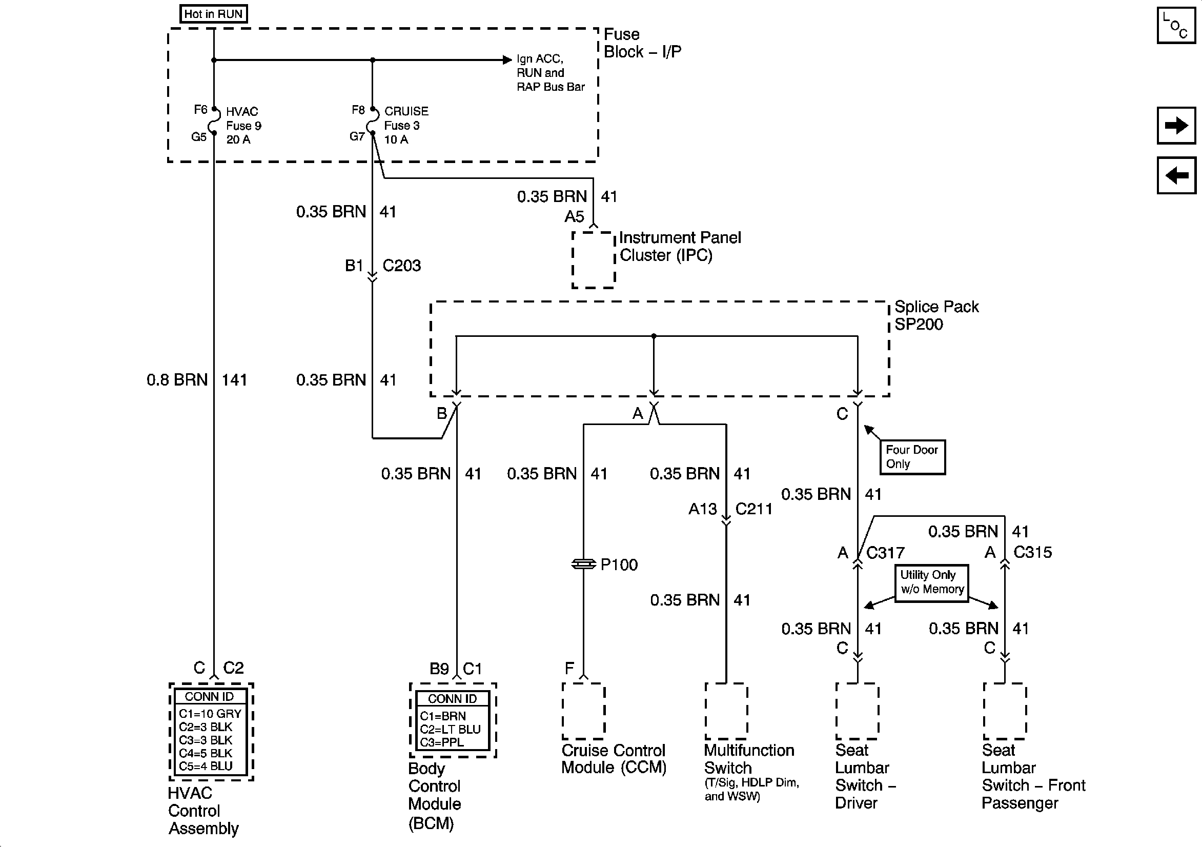
🢒 HVAC and CRUISE Fuses
HVAC and CRUISE Fuses
HVAC and CRUISE Fuses
Master Electrical Component List
VECHMSL, TRCHMSL Fuses and CHMSL Relay
4WD Fuse - 4.3L
Ign ACC, RUN and RAP Bus Bar