GM Service Manual Online
For 1990-2009 cars only
Makes
🢒
Chevrolet
🢒
2005
🢒
Blazer - 2WD
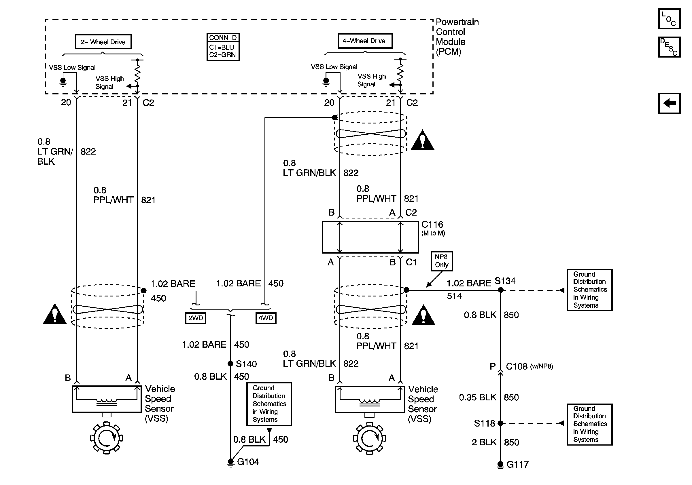
🢒 Vehicle Speed Sensor - VSS
Vehicle Speed Sensor - VSS
Vehicle Speed Sensor (VSS)
Master Electrical Component List
Transmission System Description and Operation
Shift Indicator
G104 and G117
G104 and G117
G104 and G117
Manual Transmission Schematic Icons
Manual Transmission Schematic Icons
Manual Transmission Schematic Icons