GM Service Manual Online
For 1990-2009 cars only
Makes
🢒
Chevrolet
🢒
2005
🢒
Blazer - 2WD
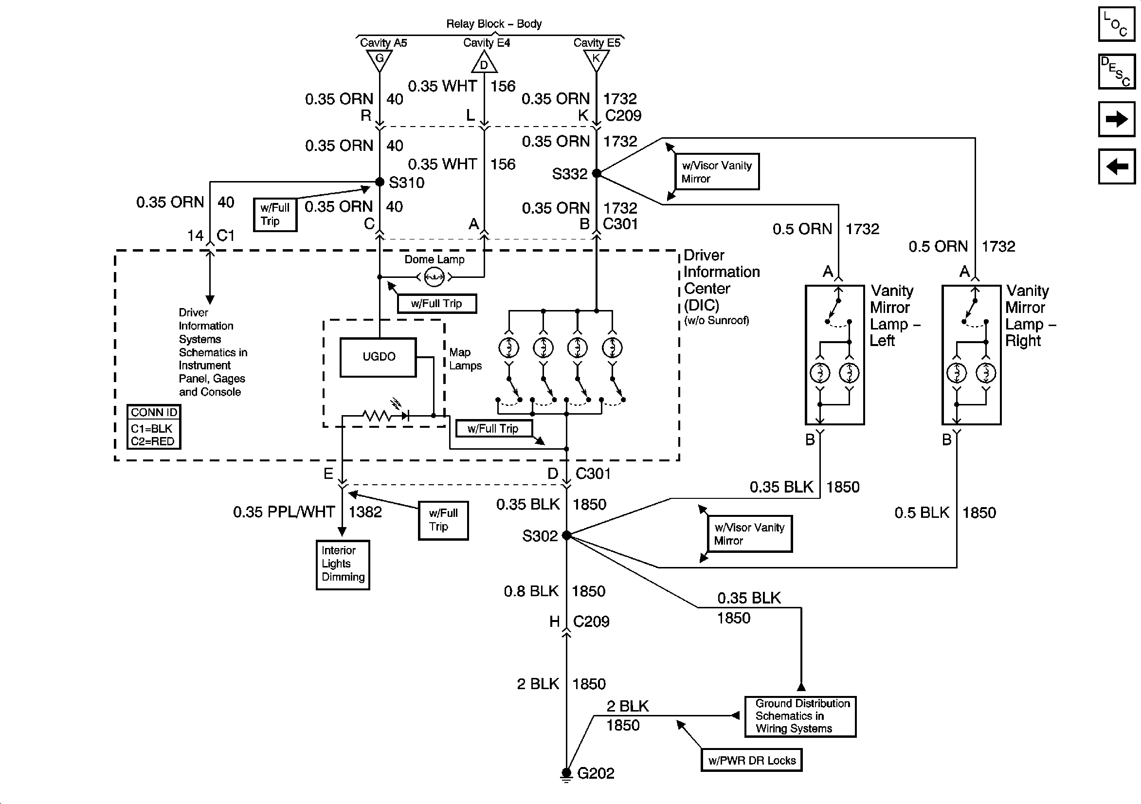
🢒 Driver Information Center - Utility w/o Sunroof
Driver Information Center - Utility w/o Sunroof
Driver Information Center (Utility w/o Sunroof)
Master Electrical Component List
Interior Lighting Systems Description and Operation
Driver Information Display Module - Utility w/ Sunroof
Inside Rearview Mirror or Driver Information Center
CTSY LP Fuse and Courtesy Lamp Relay
CTSY LP Fuse and Courtesy Lamp Relay
Inadvertent Power Relay and Front Door Jamb Switches
Power and Ground w/ Trip Computer
LED Dimming Signal
G202 - Utility and Crew Cab