GM Service Manual Online
For 1990-2009 cars only

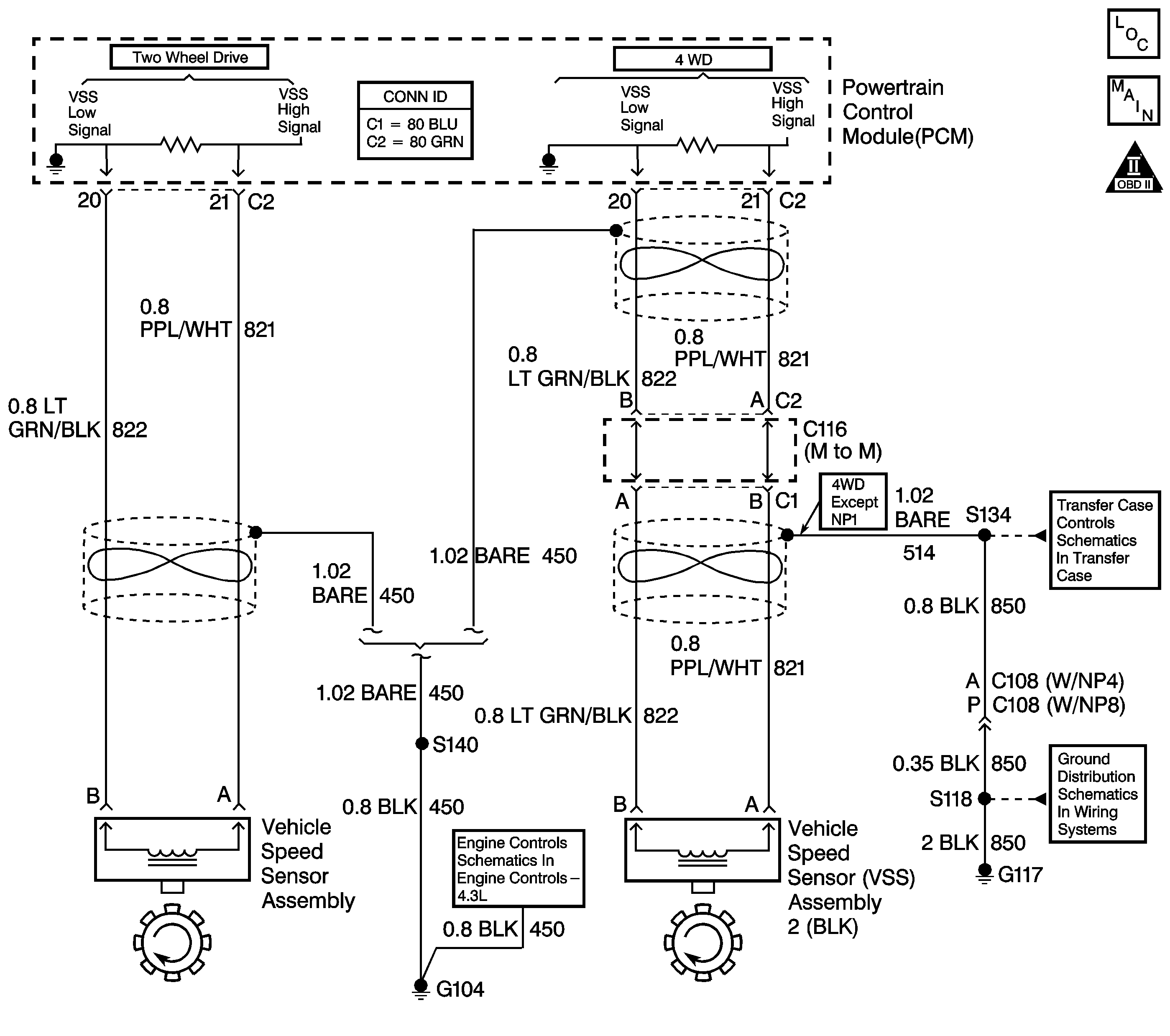
Object Number: 1421130  Size: LF
Master Electrical Component List
Manual Transmission Schematics
OBD II Symbol Description Notice

Circuit Description

The vehicle speed sensor (VSS) assembly provides vehicle speed information to the powertrain control module (PCM). The VSS assembly is a permanent magnet generator. The VSS produces alternating current (AC) as the rotor teeth on the output shaft of the transmission, 2WD, or transfer case, 4WD, pass through the magnetic field of the sensor. The frequency and amplitude of the AC waveform increase as vehicle speed increases.

If the PCM detects no vehicle speed for a specified length of time, while other sensors indicate that the vehicle is moving, DTC P0500 sets. DTC P0500 is a type B DTC.

DTC Descriptor

This diagnostic procedure supports the following DTC:

DTC P0500 Vehicle Speed Sensor (VSS) Circuit

Conditions for Running the DTC

    • No CKP sensor DTCs P0016, P0315, P0335, or P0336.
    • No MAP DTCs P0106, P0107 or P0108.
    • No TP sensor DTCs P0121, P0122 or P0123.
    • The engine coolant temperature (ECT) is 35°C (95°F) or greater.
    • The throttle position (TP) sensor angle is 5-100 percent.
    • The engine speed is greater than 1,000 RPM.
    • The manifold absolute pressure (MAP) is 40-100 kPa with A/C off.
    • The MAP is 45-100 kPa with A/C on.
    • All the above conditions are met for more than 2 seconds.

Conditions for Setting the DTC

The PCM detects no vehicle speed for 50 seconds.

Action Taken When the DTC Sets

    • The PCM illuminates the malfunction indicator lamp (MIL) during the second consecutive trip in which the Conditions for Setting the DTC are met.
    • The PCM disables Cruise Control.
    • The PCM records the operating conditions when the Conditions for Setting the DTC are met. The PCM stores this information as Freeze Frame and Failure Records.
    • The PCM stores DTC P0500 in PCM history during the second consecutive trip in which the Conditions for Setting the DTC are met.

Conditions for Clearing the MIL/DTC

    • The PCM turns OFF the MIL during the third consecutive trip in which the diagnostic test runs and passes.
    • A scan tool can clear the MIL/DTC.
    • The PCM clears the DTC from PCM history if the vehicle completes 40 warm-up cycles without an emission-related diagnostic fault occurring.
    • The PCM cancels the DTC default actions when the fault no longer exists and the DTC passes.

Diagnostic Aids

Ensure the VSS is correctly torqued to the transmission housing.

Test Description

The numbers below refer to the step numbers on the diagnostic table.

  1. This step tests the ability of the VSS to produce an AC voltage. This step also verifies the integrity of the wiring to the PCM.

  2. This step tests the VSS circuit for correct resistance.

Step

Action

Value(s)

Yes

No

1

Did you perform the Diagnostic System Check - Vehicle?

--

Go to Step 2

Go to Diagnostic System Check - Vehicle in Vehicle DTC Information

2

  1. Install a scan tool.
  2. Turn ON the ignition, with the engine OFF.
  3. Important: Before clearing the DTC, use the scan tool in order to record the Freeze Frame and Failure Records. Using the Clear Info function erases the Freeze Frame and Failure Records from the PCM.

  4. Record the DTC Freeze Frame and Failure Records.
  5. Clear the DTC.
  6. Raise and support the drive wheels.
  7. Start and idle the engine.
  8. Engage the transmission in 2nd gear.
  9. Select Vehicle Speed Sensor on the scan tool.

With the drive wheels rotating, does Vehicle Speed Sensor increase when the wheel speed increases?

--

Go to Intermittent Conditions in Engine Controls - 4.3L (LU3)

Go to Step 3

3

  1. Turn OFF the ignition.
  2. Disconnect the PCM connector C2.
  3. Using the J 35616 GM terminal test kit, connect the DMM between the VSS high signal circuit and the VSS low signal circuit at the PCM connector.
  4. Select AC volts on the DMM.
  5. Turn ON the ignition, with the engine OFF.
  6. Rotate the right front drive wheel by hand.
  7. Observe the DMM display.

Can a voltage greater than the specified value be obtained?

0.5 V AC

Go to Step 14

Go to Step 4

4

  1. Leave the DMM test leads connected.
  2. Measure circuit resistance.

Is the circuit resistance within the specified range?

1,300-3,160 ohms

Go to Step 8

Go to Step 5

5

Is the circuit resistance greater than the specified value?

3,160 ohms

Go to Step 11

Go to Step 6

6

  1. Leave the DMM test leads connected.
  2. Disconnect the VSS connector at the transmission.

Is the circuit resistance less than the specified value?

1,300 ohms

Go to Step 7

Go to Step 13

7

Test the high signal circuit and the low signal circuit of the VSS for being shorted together.

Refer to Circuit Testing and Wiring Repairs in Wiring Systems.

Did you find and correct the condition?

--

Go to Step 15

--

8

Test the high signal circuit of the VSS for a short to ground.

Refer to Testing for Short to Ground and Wiring Repairs in Wiring Systems.

Did you find and correct the condition?

--

Go to Step 15

Go to Step 9

9

  1. Connect PCM connector C2.
  2. Disconnect the VSS.
  3. Select DC volts on the DMM.
  4. Using the J 35616 , connect the DMM test leads to the VSS high signal circuit and the VSS low signal circuit of the VSS wiring harness connector.
  5. Turn ON the ignition, with the engine OFF.

Does the DMM display system voltage?

--

Go to Step 10

Go to Step 12

10

Test the high signal circuit of the VSS for a short to voltage.

Refer to Testing for a Short to Voltage and Wiring Repairs in Wiring Systems.

Did you find and correct the condition?

--

Go to Step 15

--

11

  1. Test the high signal circuit of the VSS for an open.
  2. Test the low signal circuit of the VSS for an open.

Refer to Testing for Continuity and Wiring Repairs in Wiring Systems.

Did you find and correct a condition?

--

Go to Step 15

Go to Step 13

12

  1. Remove the VSS. Refer to Vehicle Speed Sensor .
  2. Inspect the VSS and the transmission for the following conditions:
  3. • Incorrect VSS
    • VSS damage
    • Excessive VSS to speed sensor rotor gap
    • Incorrect speed sensor rotor alignment
    • Speed sensor rotor damage
  4. Repair any of the above conditions as necessary.

Did you complete the repair?

--

Go to Step 15

--

13

Replace the VSS. Refer to Vehicle Speed Sensor .

Did you complete the replacement?

--

Go to Step 15

--

14

Replace the PCM. Refer to Control Module References in Computer/Integrating Systems for replacement, setup, and programming.

Did you complete the replacement?

--

Go to Step 15

--

15

Perform the following procedure in order to verify the repair:

  1. Select DTC.
  2. Select Clear Info.
  3. Test drive the vehicle.
  4. Select Specific DTC.
  5. Enter DTC P0500.

Has the test run and passed?

--

Go to Step 16

Go to Step 2

16

With the scan tool, observe the stored information, capture info and DTC info.

Does the scan tool display any DTCs that you have not diagnosed?

--

Go to Diagnostic Trouble Code (DTC) List - Vehicle in Vehicle DTC Information

System OK