GM Service Manual Online
For 1990-2009 cars only

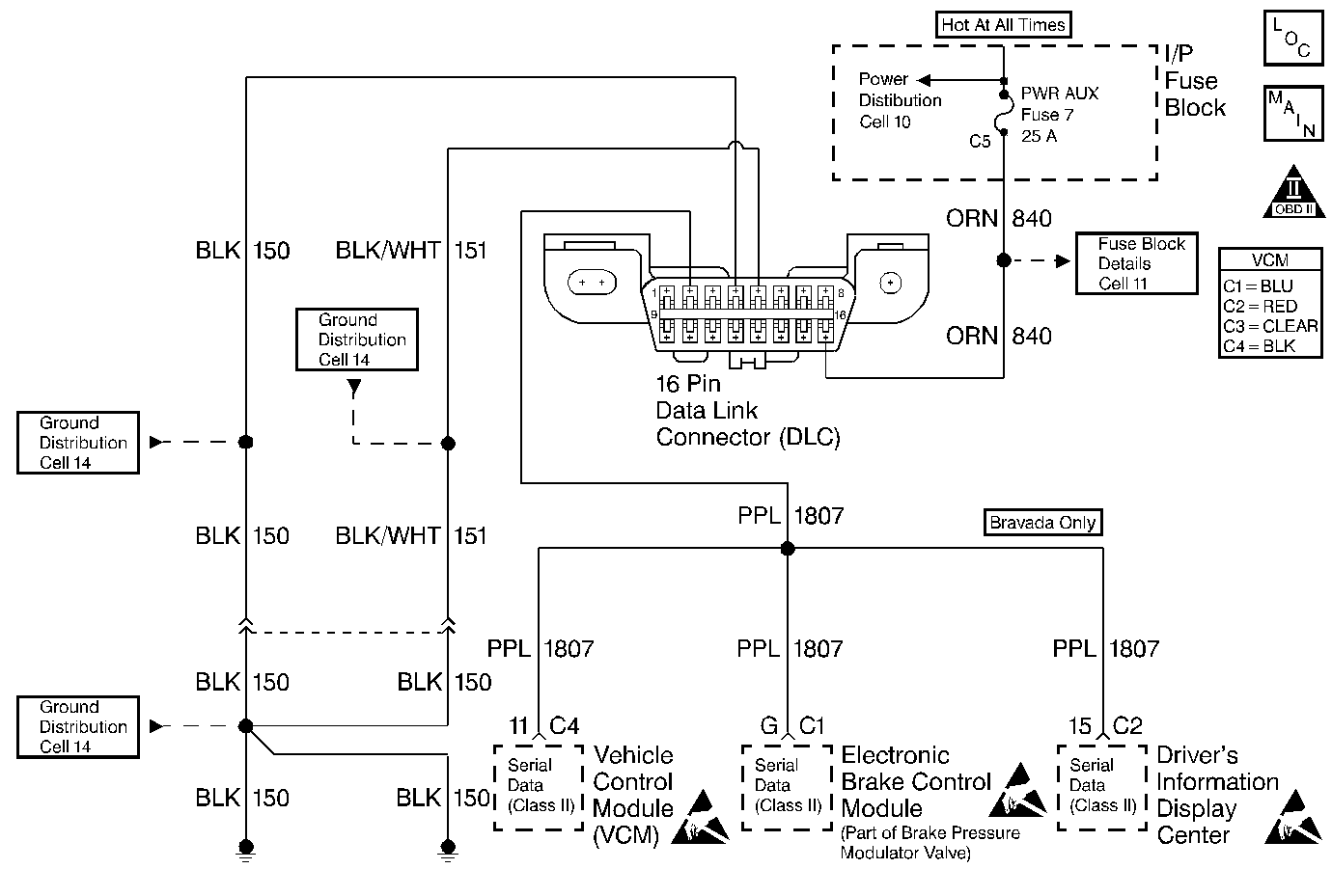
Object Number: 173106  Size: MF
Handling ESD Sensitive Parts Notice
Handling ESD Sensitive Parts Notice
Handling ESD Sensitive Parts Notice
Engine Controls Components
Data Link Connector
OBD II Symbol Description Notice

Circuit Description

There should always be a steady MIL when the ignition is ON and the engine is stopped. The battery supplies voltage to the lamp. The VCM turns ON the lamp by grounding the MIL control circuit whenever a DTC sets and the DTC meets the requirements for illuminating the MIL.

Diagnostic Aids

Check for the following items:

    • For the VCM to establish communication with the scan tool, system voltage must be between 9.0 and 16.0 volts. If the system voltage is not within this range, refer to Charging System for diagnosis.
    • Ensure that the correct application (model year, truckline, VIN code) has been selected on the scan tool.
    • An intermittent may be caused by a poor connection, rubbed through wire insulation, or a broken wire inside the insulation. Check for a poor connections or a damaged harness. Inspect the VCM harness and the connectors for improper mating, broken locks, improperly formed or damaged terminals, poor terminal to wire connection, and damaged harness.

Test Description

  1. This step determines if the scan tool is operating correctly.

  2. This step isolates the VCM by disconnecting all the other components on the Class 2 Serial Data circuit. If VCM Class 2 Serial Data exists after disconnecting all other components on the Class 2 Serial Data circuit, refer to Electrical Diagnosis for the shared components on the Class 2 Serial Data circuit.

  3. Unlike the UART Serial Data circuit, the only time a Class 2 Serial Data circuit should have any voltage is when a scan tool requests information from the VCM and when the VCM sends information out.

  4. This step determines if voltage is not available at the DLC due to an open battery feed fuse. If the fuse is open, determine if the open was due to a short in the battery feed circuit before replacing the fuse.

Step

Action

Value(s)

Yes

No

1

Was the On-Board Diagnostic (OBD) System Check performed?

--

Go to Step 2

Go to Powertrain On Board Diagnostic (OBD) System Check

2

Install the scan tool on a known good vehicle.

Does the scan tool display the VCM data?

--

Go to Step 3

Go to Step 19

3

  1. Return to the original vehicle.
  2. Install the scan tool.
  3. Turn ON the ignition leaving the engine OFF.

Does the scan tool power up?

--

Go to Step 4

Go to Step 7

4

  1. Turn OFF the ignition.
  2. Disconnect the components sharing the Serial Data circuit leaving the VCM connected.
  3. Turn ON the ignition leaving the engine OFF.

Does the scan tool display VCM data?

--

Refer to Electrical Diagnosis for the components sharing the Class 2 Serial Data Circuit

Go to Step 5

5

  1. Disconnect the scan tool.
  2. Use the DVM J 39200 connected to ground in order to check the voltage on the Class 2 Serial Data circuit (DLC pin 2).

Is the voltage above the specified value?

0.50 V

Go to Step 6

Go to Step 8

6

  1. Turn OFF the ignition.
  2. Disconnect the VCM.
  3. Use the DVM J 39200 connected to ground in order to check the voltage on the Class 2 Serial Data circuit (DLC pin 2).

Is the voltage near the specified value?

0.0 V

Go to Step 20

Go to Step 16

7

Probe the battery feed circuit (DLC pin 16) with a test light connected to ground.

Is the test light ON?

--

Go to Step 9

Go to Step 11

8

Notice: Disconnect the VCM/PCM and the components sharing the Serial Data Line prior to applying the battery voltage to the Class 2 Serial Data circuit in order to prevent damage to the components.

Probe the Class 2 Serial Data circuit (DLC pin 2) with a DVM, J 39200 , connected to B+.

Is the voltage above the specified value?

0.50 V

Go to Step 17

Go to Step 12

9

Probe the ground circuit (DLC pin 4) with a test light connected to B+.

Is the test light ON?

--

Go to Step 10

Go to Step 15

10

Probe the ground circuit (DLC pin 5) with a test light connected to B+.

Is the test light ON?

--

Go to Step 19

Go to Step 15

11

Inspect the fuse in the fuse block.

Is the fuse open?

--

Go to Step 13

Go to Step 14

12

Check for an open or poor connection at the Class 2 Serial Data circuit.

Was a problem found?

--

Go to Step 18

Go to Step 20

13

  1. Check for a short to ground in the battery feed circuit and repair if necessary. Refer to Wiring Repairs in Electrical Diagnosis.
  2. Replace the open fuse.

Is the action complete?

--

Go to Step 21

--

14

Repair the open in the battery feed circuit. Refer to Wiring Repairs in Engine Electrical.

Is the action complete?

--

Go to Step 21

--

15

Repair the open in the DLC ground circuit. Refer to Wiring Repairs in Engine Electrical.

Is the action complete?

--

Go to Step 21

--

16

Repair the short to voltage in the Class 2 Serial Data circuit. Refer to Wiring Repairs in Engine Electrical.

Is the action complete?

--

Go to Step 21

--

17

Repair the short to ground in the Class 2 Serial Data circuit. Refer to Wiring Repairs in Engine Electrical.

Is the action complete?

--

Go to Step 21

--

18

Repair the open or poor connection in the Class 2 Serial Data circuit. Refer to Wiring Repairs in Engine Electrical.

Is the action complete?

--

Go to Step 21

--

19

  1. The scan tool or cables are faulty.
  2. Refer to the scan tool manual for repair information.

Is the action complete?

--

Go to Step 21

--

20

Replace the VCM.

Important: When replacing the VCM, the new VCM will need to be programmed. Refer to VCM Replacement/Programming

Is the action complete?

--

Go to Step 21

--

21

Use the scan tool in order to display the Capture Info and the Review Capture Info functions.

Are there any DTCs displayed that have not been diagnosed.

--

Go to The Applicable DTC Table

System OK