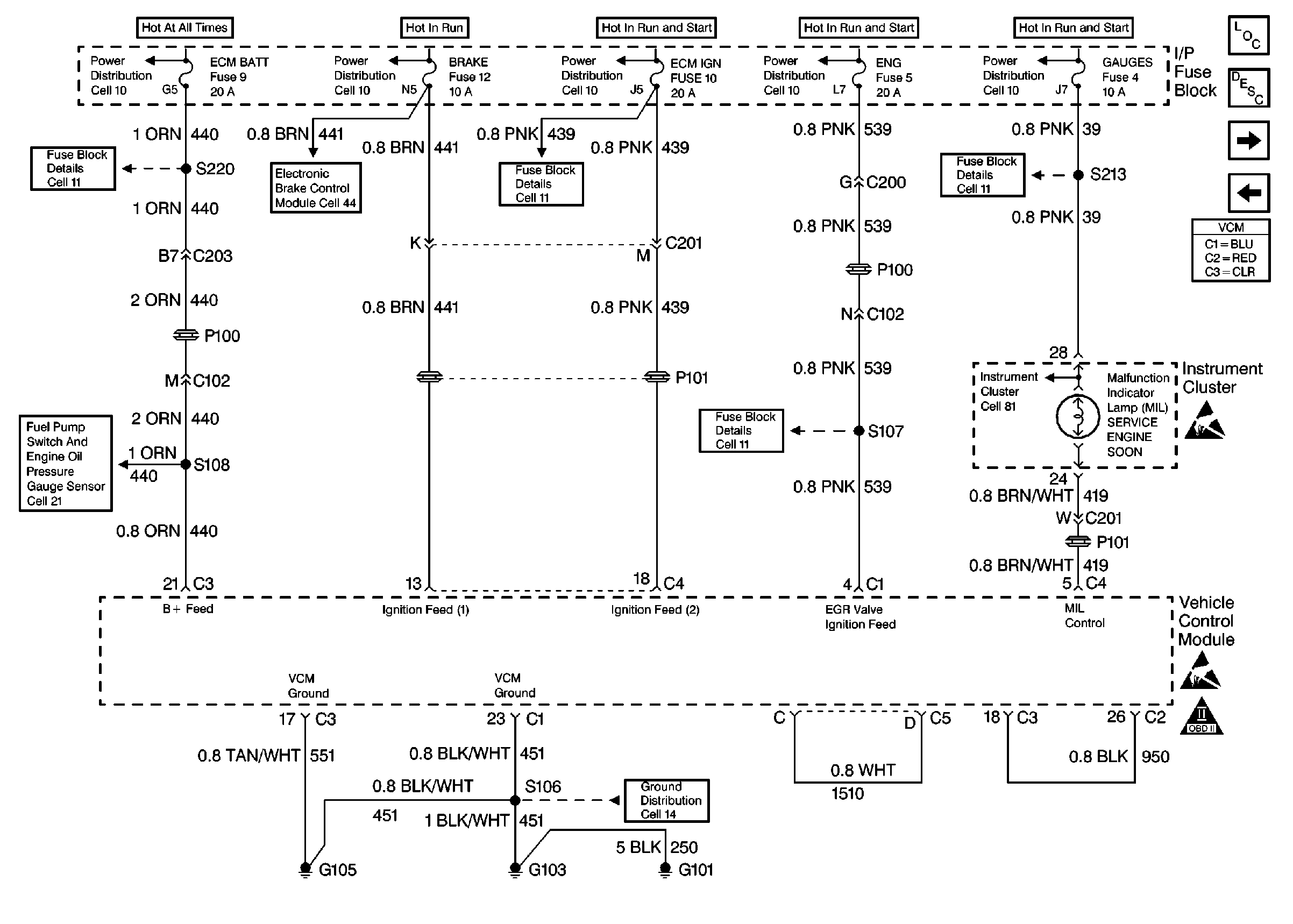
| Figure 1: |
2.2L Engine Power, Grounding & VSS
|
| Figure 2: |
2.2L Engine Auto Trans Shift Solenoid Control
|
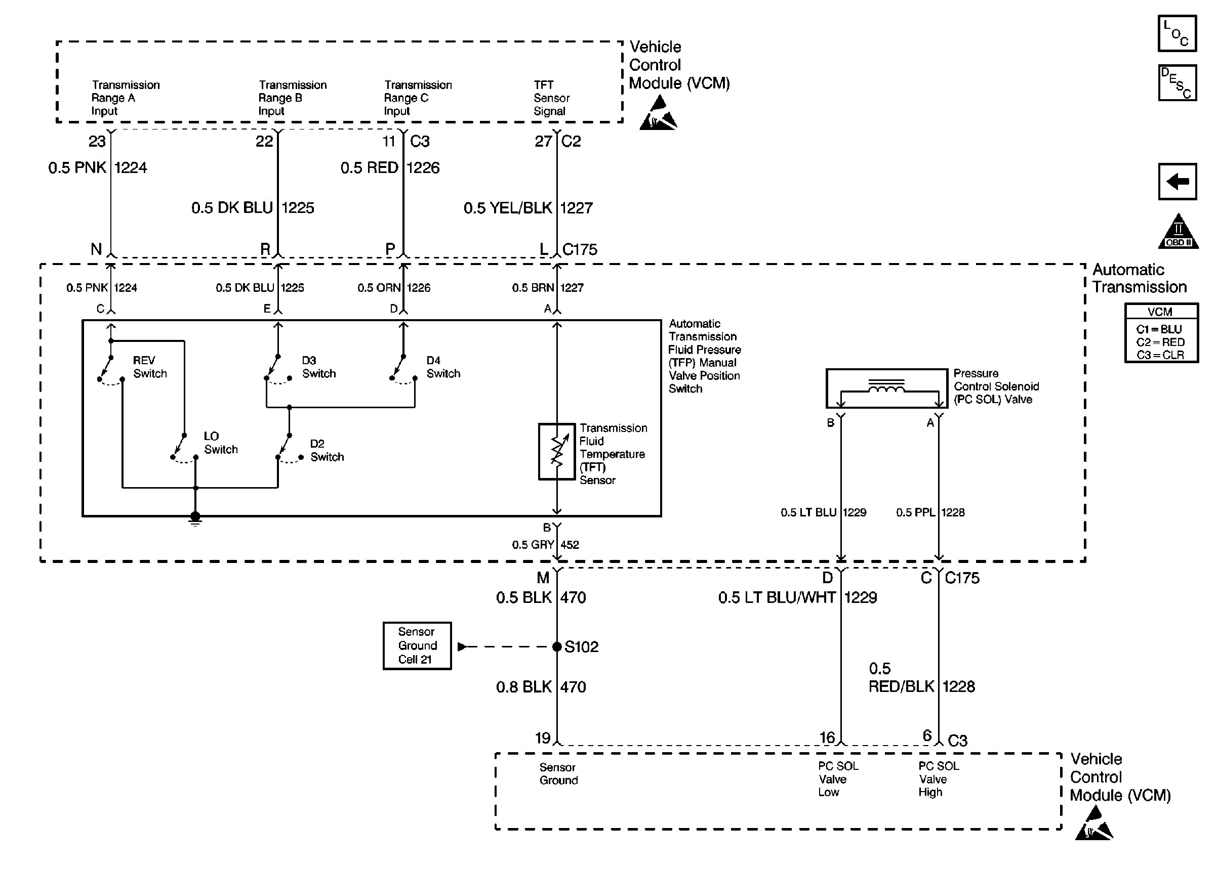
| Figure 3: |
2.2L Engine Automatic Transmission Range Inputs
|
| Figure 4: |
4.3L Engine Power And Grounding
|
| Figure 5: |
4.3L Engine M/T Brake Switch Input
|
| Figure 6: |
4.3L Engine Four Wheel Drive Inputs
|
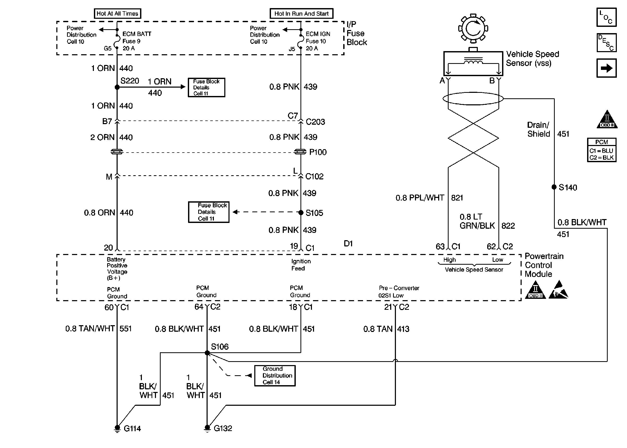
| Figure 7: |
4.3L Engine Vehicle Speed Sensor
|
| Figure 8: |
4.3L Engine A/T Shift Solenoid Controls
|
| Figure 9: |
4.3L Engine Automatic Transmission Range Inputs
|