GM Service Manual Online
For 1990-2009 cars only
Makes
🢒
Chevrolet
🢒
1998
🢒
Blazer - 4WD
🢒
Steering
🢒
Steering Wheel and Column - Standard
🢒 Shift Lock Control Schematics
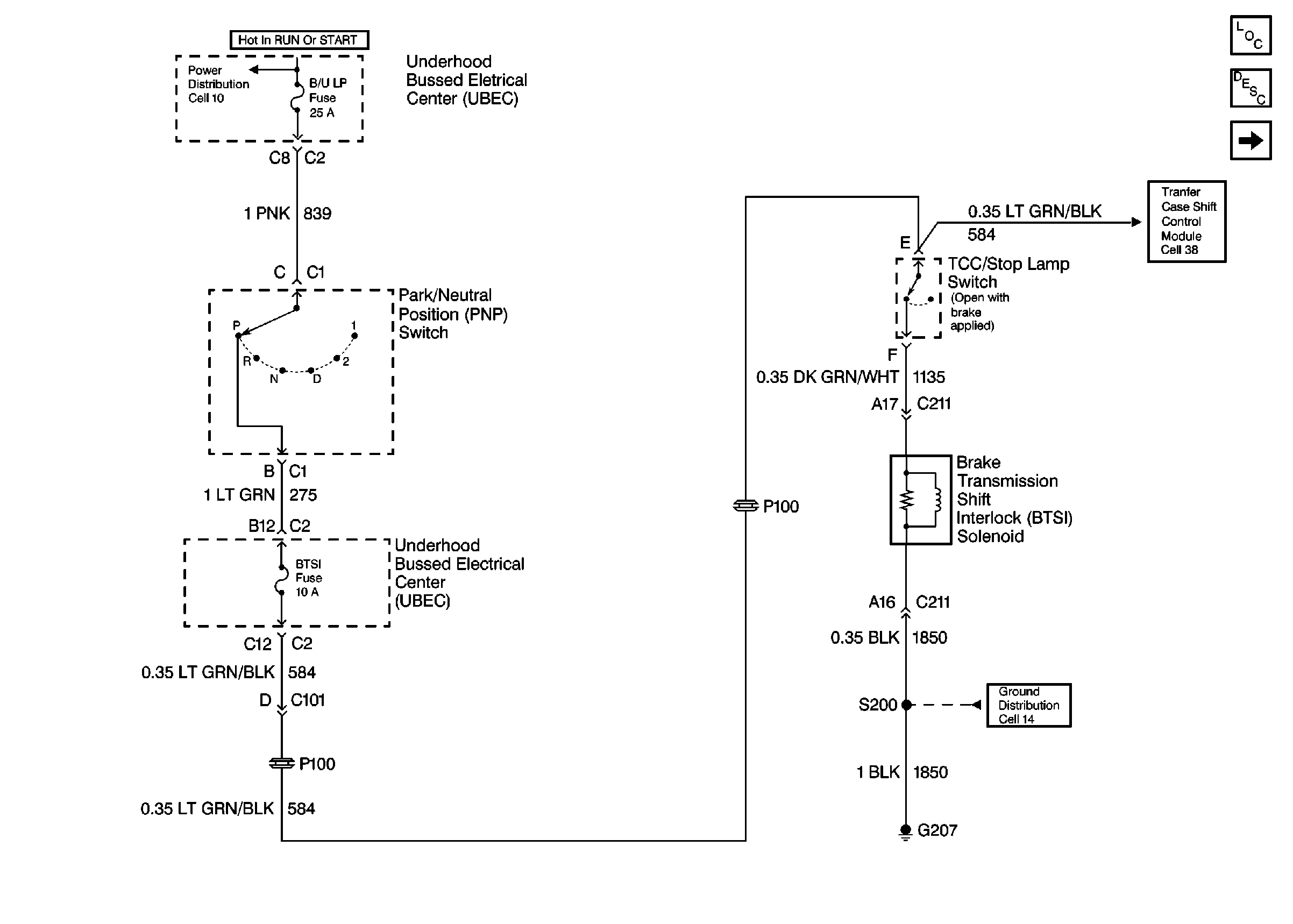
Figure
1:
Cell 138 (Pickup and 2-Door Utility w/ Column Shift)
Standard Wheel/Column Components
Automatic Transmission Shift Lock Control Circuit Description
Cell 138 (4-Door Utility w/ Column Shift)
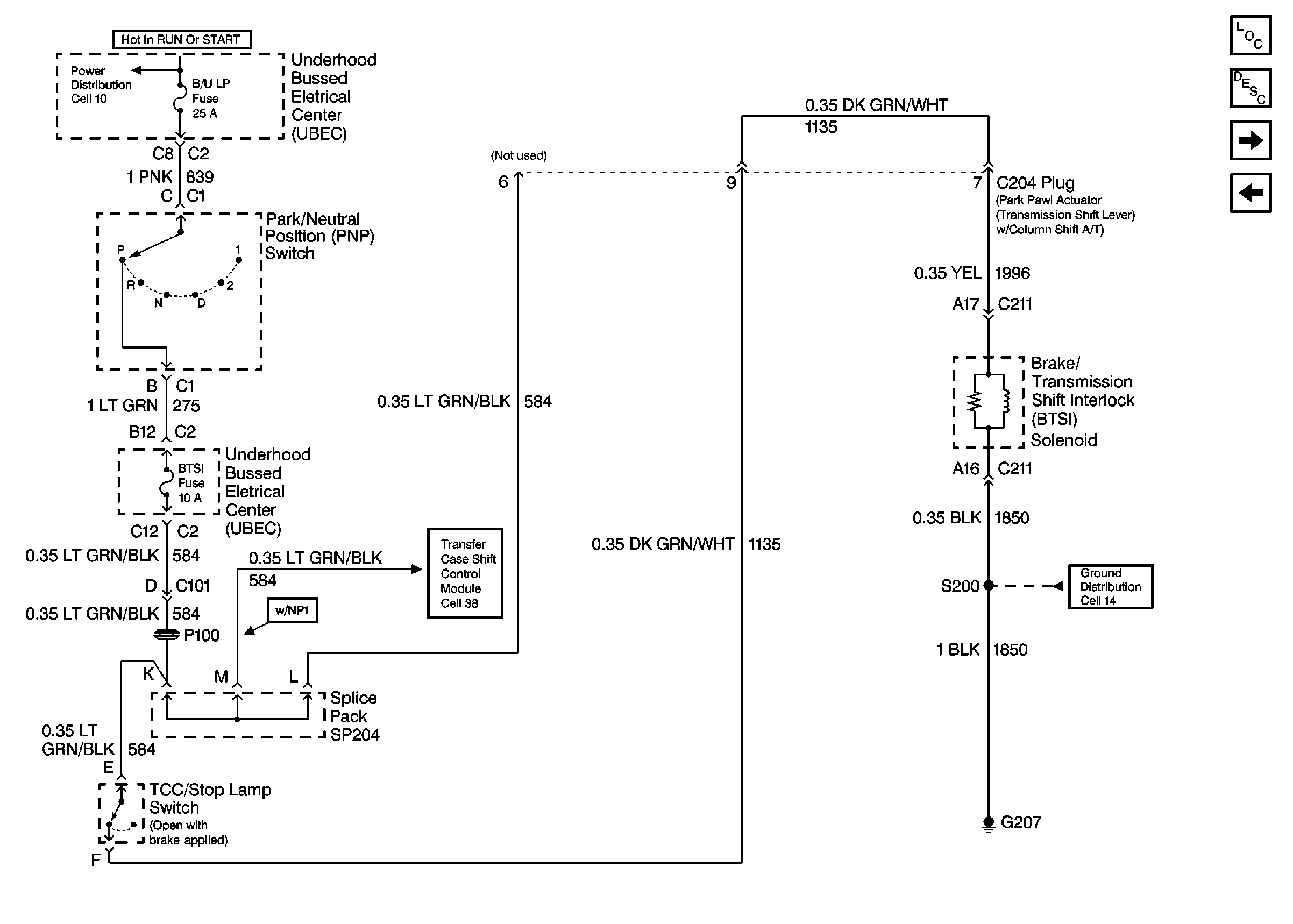
Figure
2:
Cell 138 (4-Door Utility w/ Column Shift)
Standard Wheel/Column Components
Automatic Transmission Shift Lock Control Circuit Description
Cell 138 (Utility w/ Floor Shift)
Cell 138 (Pickup and 2-Door Utility w/ Column Shift)
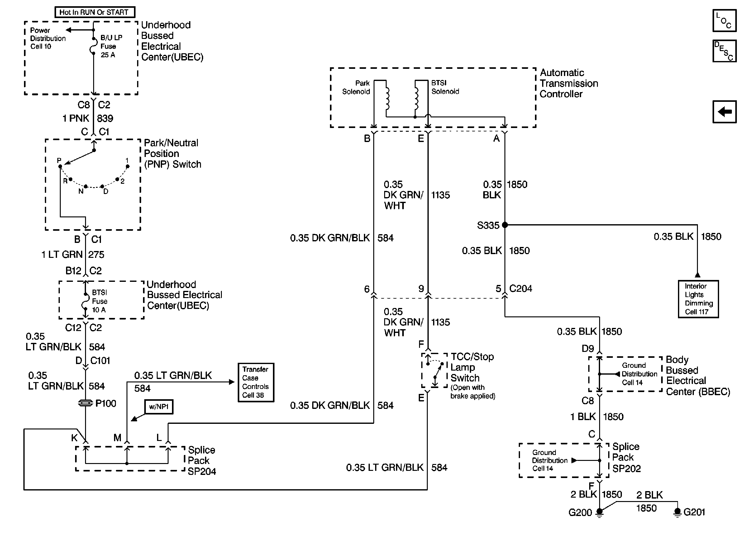
Figure
3:
Cell 138 (Utility w/ Floor Shift)
Standard Wheel/Column Components
Automatic Transmission Shift Lock Control Circuit Description
Cell 138 (4-Door Utility w/ Column Shift)