GM Service Manual Online
For 1990-2009 cars only
Makes
🢒
Chevrolet
🢒
2002
🢒
Blazer - 4WD
🢒
Body and Accessories
🢒
Seats
🢒 Power Seats Schematics
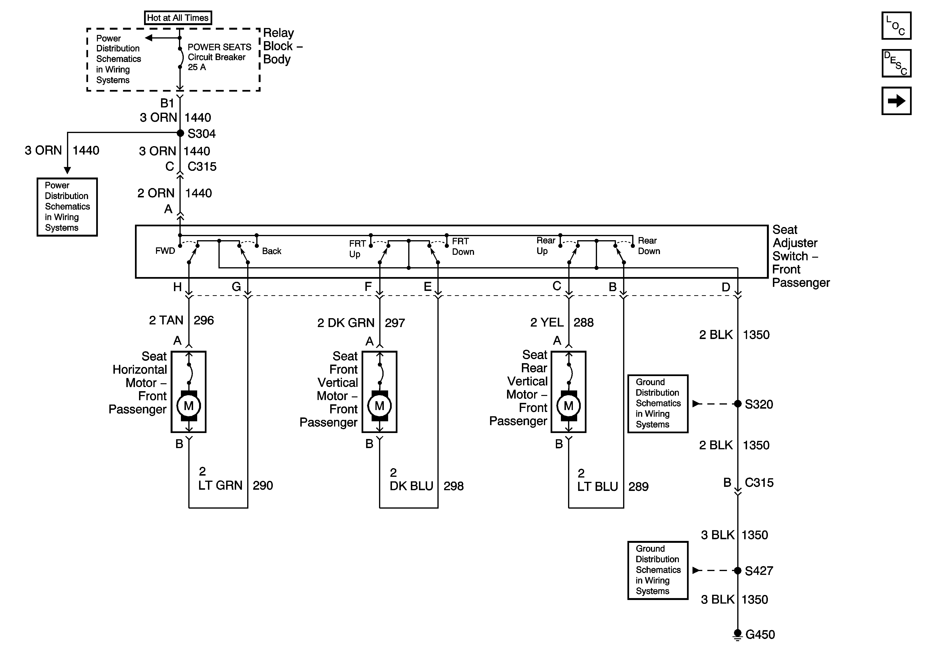
Figure
1:
6-Way Left Power Seat
Master Electrical Component List
Power Seats System Description and Operation
6-Way RH Power Seat
Ign ACC, RUN and RAP Bus Bar
Power Seats, Power Windows Circuit Breakers and RAP Relay
Lumbar w/o Memory Seats
S313 and S419
G420,G450 and S427 (Utility and Crew Cab)
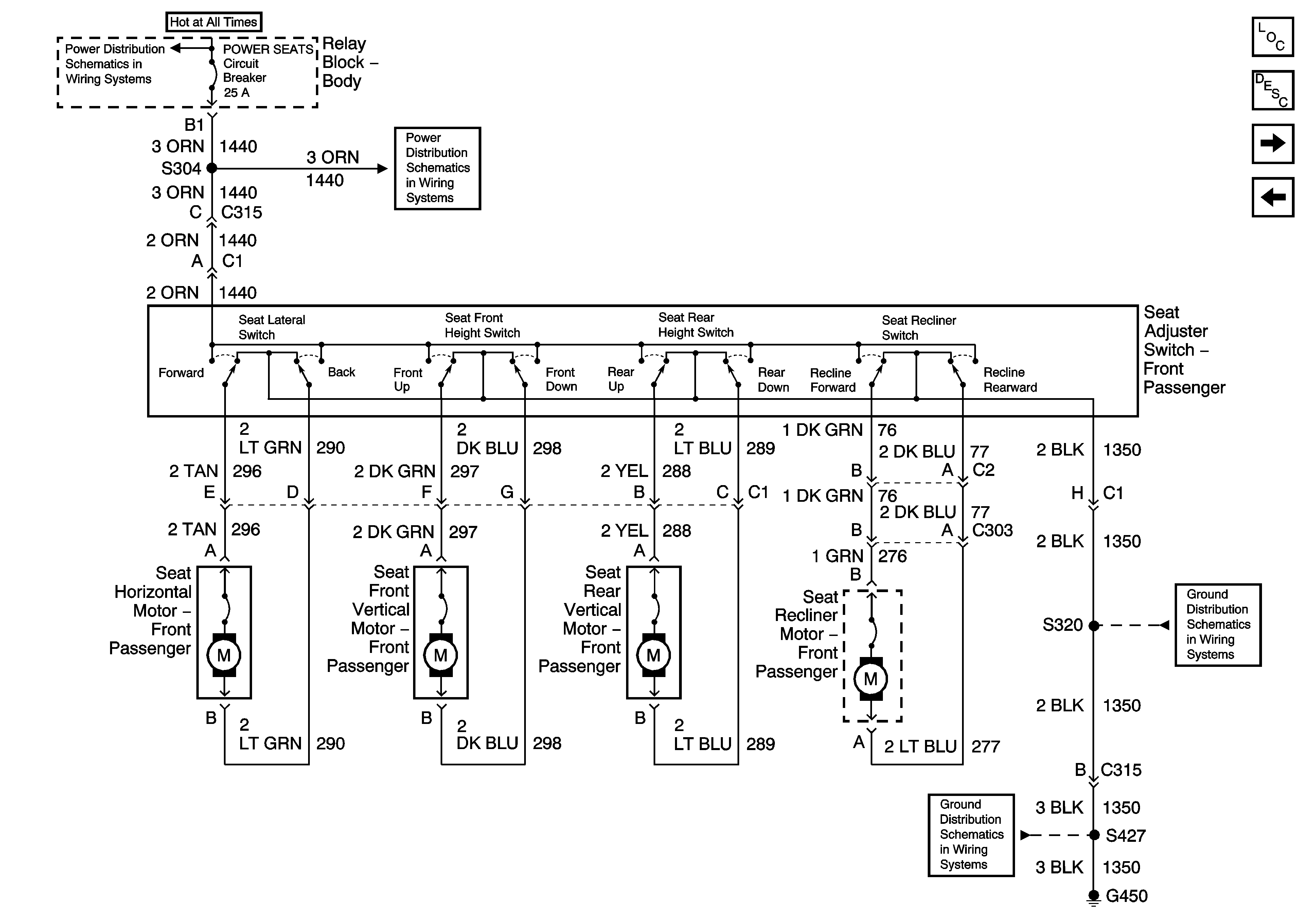
Figure
2:
6-Way Right Power Seat
Master Electrical Component List
Power Seats System Description and Operation
8-Way LH Power Seat
6-Way LH Power Seat
Ign ACC, RUN and RAP Bus Bar
Power Seats, Power Windows Circuit Breakers and RAP Relay
S320 and S420
G420,G450 and S427 (Utility and Crew Cab)
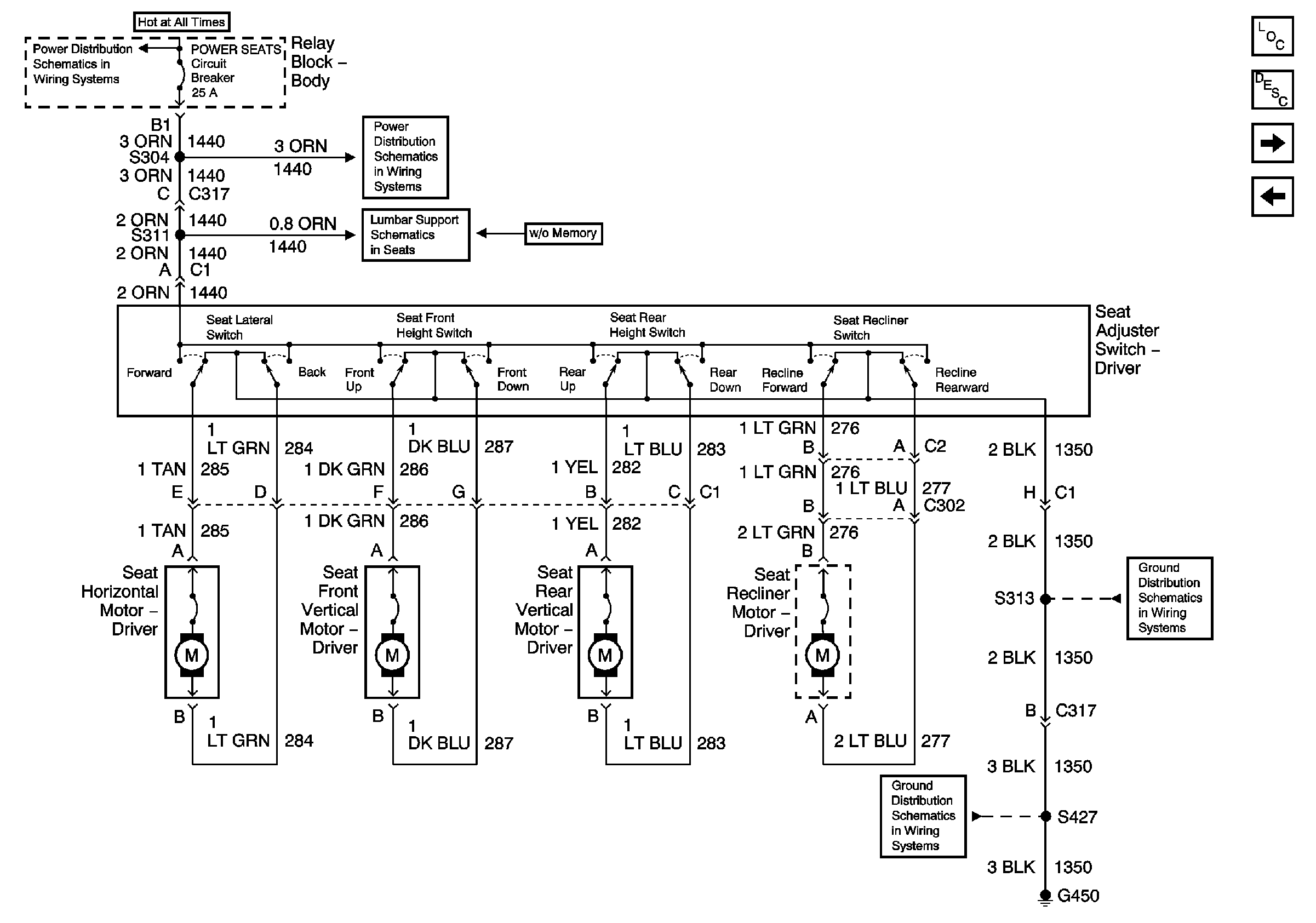
Figure
3:
8-Way Left Power Seat
Master Electrical Component List
Power Seats System Description and Operation
8-Way RH Power Seat
6-Way RH Power Seat
Ign ACC, RUN and RAP Bus Bar
Power Seats, Power Windows Circuit Breakers and RAP Relay
Lumbar w/o Memory Seats
G420,G450 and S427 (Utility and Crew Cab)
S313 and S419
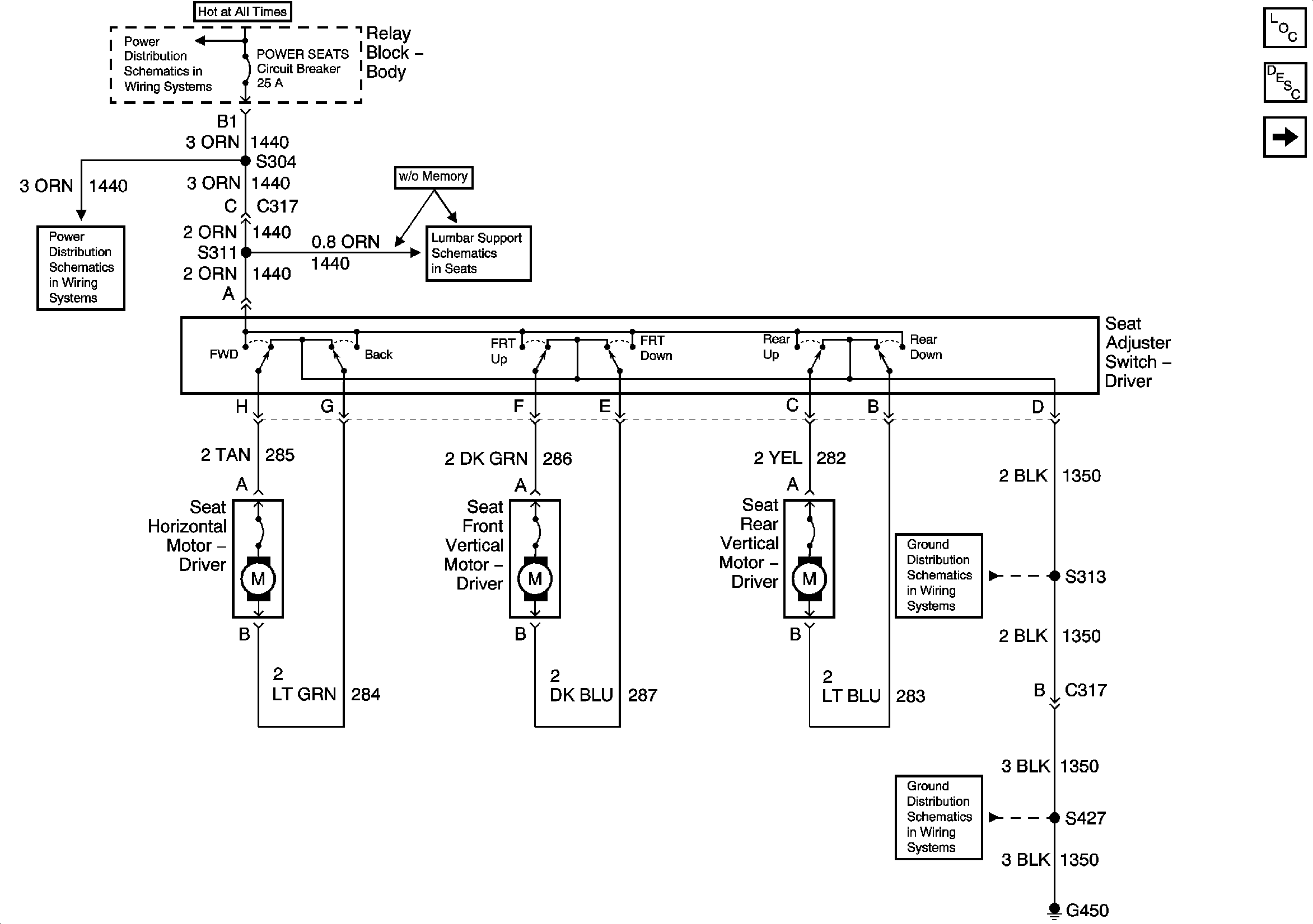
Figure
4:
8-Way Right Power Seat
Master Electrical Component List
Power Seats System Description and Operation
8-Way LH Power Seat
Ign ACC, RUN and RAP Bus Bar
Power Seats, Power Windows Circuit Breakers and RAP Relay
G420,G450 and S427 (Utility and Crew Cab)
S320 and S420